8_5 Проектирование счетчика как конечного автомата (1274944)
Текст из файла
Раздел 8 изучение типовых микросхем памяти.
Работа 8.5.
Проектирование счетчика как конечного автомата
Счетчик, представленный на схеме имеет выходы, обозначенные как QA,QB,QC.
Вход,обозначенный как Down управляет режимом сложение- вычитание (сложение при Down=0,вычитание при =1) Выход TC_upпринимает значение 1 когда счетчик в режиме сложения достигает максимального значения 111, и так же принимает значение 1 когда в режиме вычитания счетчик принимает значение 000.В режиме временного моделирования проведите модельный эксперимент чтобы лучше изучить его работу.
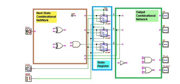
После этого взгляните на схему счетчика по иному- как на пример конечного автомата. Ниже представлена структура автомата МИЛИ.
Перегруппируйте исходную схему счетчика в соответствие со структурой автомата.( желтый прямоугольник-схема вычисления будущего состояния,зеленый- функция выходов.
В новой схеме мы выделили три переменных состояния X,Y,Z (это выходы триггеров QA,QB,QC в оригинале схемы). Память автомата реализована на JK-триггерах. Проверьте моделированием правильность работы вновь созданной схемы. После этого составьте булевские уравнения, описывающие значения БУДУЩЕГО СОСТОЯНИЯ и функцию ВЫХОДОВ автомата
Характеристики
Тип файла документ
Документы такого типа открываются такими программами, как Microsoft Office Word на компьютерах Windows, Apple Pages на компьютерах Mac, Open Office - бесплатная альтернатива на различных платформах, в том числе Linux. Наиболее простым и современным решением будут Google документы, так как открываются онлайн без скачивания прямо в браузере на любой платформе. Существуют российские качественные аналоги, например от Яндекса.
Будьте внимательны на мобильных устройствах, так как там используются упрощённый функционал даже в официальном приложении от Microsoft, поэтому для просмотра скачивайте PDF-версию. А если нужно редактировать файл, то используйте оригинальный файл.
Файлы такого типа обычно разбиты на страницы, а текст может быть форматированным (жирный, курсив, выбор шрифта, таблицы и т.п.), а также в него можно добавлять изображения. Формат идеально подходит для рефератов, докладов и РПЗ курсовых проектов, которые необходимо распечатать. Кстати перед печатью также сохраняйте файл в PDF, так как принтер может начудить со шрифтами.
















