2.3. Проектирование программируемого логического вентиля (1274920)
Текст из файла
Раздел 2 . Применение Булевской алгебры при проектировании логических схем
Работа 2.3. Проектирование программируемого логического вентиля
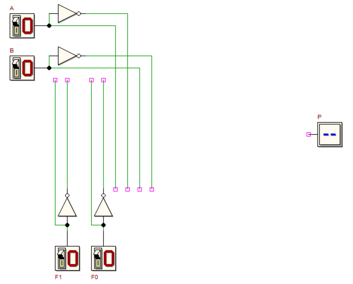
Разработать схему, реализующую программируемый логический вентиль.Слово программируемый следует понимать как вентиль, функция которого может меняться настройкой. Схема имеет четыре входа A, B, F1, F0 и выход P. Схема может настраиваться на реализацию логических функций NAND, NOR, EXOR от A и B, в зависимости от значений управляющих сигналов F1 и F0. Управляющие сигналы и соответствующие им функции представлены в таблице
Комбинация F1, F0 = 11 является запрещенной.
Необходимо разработать :
-
Таблицу истинности функции ;
-
СДНФ ( AND-OR )- булевское уравнение зависимости P от входных переменных
-
Схему программируемого логического вентиля.
Для построения схемы используйте заготовку
Сначала проверьте работу схемы в режиме анимации
. Потом проведите временное моделирование
. Предлагаемый тест показан в окне временной диаграммы ( Timing Diagram window) показанной ниже :
Варианты индивидуальных заданий
| № варианта | F1 | F0 | P | |
| 1 | 0,1 | 0,1 | and,or | |
| 2 | 0,1 | 0,1 | nand,nor | |
| 3 | 0,1 | 0,1 | nand,or | |
| 4 | 0,1 | 0,1 | and,nor | |
| 5 | 0,1 | 0,1 | and,xor | |
| 6 | 0,1 | 0,1 | and,xnor | |
| 7 | 0,1 | 0,1 | and,or | |
| 8 | 0,1 | 0,1 | nand,or | |
| 9 | 0,1 | 0,1 | and,nor |
Характеристики
Тип файла документ
Документы такого типа открываются такими программами, как Microsoft Office Word на компьютерах Windows, Apple Pages на компьютерах Mac, Open Office - бесплатная альтернатива на различных платформах, в том числе Linux. Наиболее простым и современным решением будут Google документы, так как открываются онлайн без скачивания прямо в браузере на любой платформе. Существуют российские качественные аналоги, например от Яндекса.
Будьте внимательны на мобильных устройствах, так как там используются упрощённый функционал даже в официальном приложении от Microsoft, поэтому для просмотра скачивайте PDF-версию. А если нужно редактировать файл, то используйте оригинальный файл.
Файлы такого типа обычно разбиты на страницы, а текст может быть форматированным (жирный, курсив, выбор шрифта, таблицы и т.п.), а также в него можно добавлять изображения. Формат идеально подходит для рефератов, докладов и РПЗ курсовых проектов, которые необходимо распечатать. Кстати перед печатью также сохраняйте файл в PDF, так как принтер может начудить со шрифтами.
















