3.7. Изучение и проектирование двухразрядного сумматора (1274929)
Текст из файла
Раздел 3. Изучение типовых комбинационных узлов.
Работа 3.7. Проектирование одноразрядного и двухразрядного двоичного сумматора
Реализация логической функции двоичного суммирования
В качестве примера из области проектирования комбинационных схем рассмотрим проектирование схемы одноразрядного двоичного сумматора. На рис. представлены его УГО и таблица истинности логической функции , где А, В, С- входы, S- выход суммы, Ci-перенос в следующий разряд.
Рис. УГО и таблица истинности логической функции одноразрядного сумматора.
Если использовать СДНФ для описания логической функции двоичного сумматора в терминах Булевской алгебры, то надо представить каждый выходной сигнал( S, Ci ) как дизъюнкцию( ИЛИ) конъюнкций (термов- И) входных сигналов всех строк таблицы истинности ( см.рис. , в которых выходной сигнал равен 1. Одноразрядный двоичный сумматор описывают следующие формулы СДНФ ( булевские уравнения) в которых операция И обозначена символом &, ИЛИ символом | , НЕ символом ~ ,которые более удобны при наборе в word текста :
Формулы 1
S= (A & ~B&~C) | ( ~A&B &~C ) | ( ~A&~B &C) | (A&B&C)
Ci= (~A&B&C) | ( A&~B&C) | ( A&B &~C) | ( A&B &C)
Если без минимизации, прямо по формулам 1 строить схему сумматора и использовать экзотический элементный базис, включающий вентили 3И с различными инверсными входами( они реализуют коньюнкции с тремя входами ,часть из которых инвертирует входной сигнал) и 4ИЛИ( они реализуют четырехвходовую дизьюнкцию), то получится двухкаскадная схема (общее для S и Ci выражение ( A&B &C) в схеме не дублируется в целях минимизации оборудования) , состоящая из семи вентилей 3И( некоторые их входы инверсны ) и двух 4ИЛИ.
Можно немного пожертвовать быстродействием схемы, увеличив число каскадов до трех и перейти к обычному элементному базису из вентилей 3И, 4ИЛИ, НЕ. Непосредственное воспроизведение формул 1 в трехкаскадной схеме потребует применения 3-х вентилей НЕ, 7-и вентилей 3И, 2-х вентилей 4ИЛИ (всего 12 вентилей).
Предлагается самостоятельно, используя информацию, представленную в табл. 2.4 и 2.5 , минимизировать формулу для переноса Ci на базе СДНФ, представленной в Формулах 1. Например, вынося за скобки общие множитель B&C ( используется свойство дистрибутивности-( см.табл 2.5.-соотношение 3) ) для первой и последней коньюнкций СДНФ и вынося общий множитель А из второй и третьей , получим следующую последовательность преобразований первого уравнения из Формул 1.
Ci= (~A&B&C) | ( A&~B&C) | ( A&B &~C) | ( A&B &C) – исходная СДНФ
Сi=(В&C& (~A |A)) | ( A&((~B&C) | ( B&~C))) -вынос общих множителей
Учитывая, что (~A |A)=1 в результате получаем меньшее число операций
И-&( не 8, а 4 операции) и ИЛИ - | ( не 4 , а 3 операции).
Ci=(B& C) |( A&((~B&C) | (B&~C))) .
В данном простом случае проектирования одноразрядного сумматора , нетрудно заметить( см.таблицу истинности рис.2.4), что перенос Ci в сумматоре возникает только при наличии значений любых двух входных сигналов, равных 1. Сумма S равна 1 только тогда, когда отсутствует перенос и только один из входных сигналов равен 1, или все входные сигналы равны 1 или либо только один из входов равен 1, либо все три входа равны 1.Формулы 2 отражают эти выводы.
Формулы 2
Ci= (B&C) | (A&C ) | (A&B )
S=~Ci & ( A|B|C) | (A&B&С).
Схема, реализующая уравнения Формулы 2 представлена на рис.2.5.
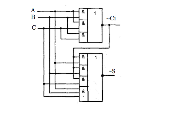
Для реализации минимизированного описания сумматора ( Формулы 2) в элементном базисе НЕ,2И,2ИЛИ потребуется использовать один вентиль НЕ, 6 вентилей 2И, 5 вентилей 2ИЛИ. Схема будет иметь 5 каскадов - при вычислении значения Ci сигнал проходит через 3 элемента-(2И,2ИЛИ,2ИЛИ), а при вычислении S дополнительно еще через элемент НЕ и элемент 2И. В элементном базисе 2-2-2И-ИЛИ-НЕ и 3-3-3-3И-ИЛИ-НЕ для инверсных выходов сумматора (~Ci,~S) согласно формулам 2 имеем двухкаскадную схему рис.2.5.
Рис. . Двухкаскадная схема сумматора на элементах И-ИЛИ-НЕ
Индивидуальные Варианты заданий Постройте схему одноразрядного сумматора и проверьте ее моделированием .
| № варианта | Элементный базис | Номер формулы |
| 1 | 3И,3или,- НЕ | 1 |
| 2 | 2ИЛИ-НЕ, 3XOR,3И | 2 |
| 3 | 2И,2ИЛИ,НЕ | 1 |
| 4 | 3И-НЕ,4 ИЛИ, НЕ | 2 |
| 5 | 3И,4ИЛИ-НЕ,НЕ | 1 |
| 6 | 2И,3ИЛИ,НЕ | 2 |
| 7 | 4И-НЕ,2И-НЕ | 1 |
| 8 | 3ИЛИ,3И,НЕ | 2 |
| 9 | 3И,2ИЛИ,НЕ | 1 |
Введите нижеследующюю схему двухразрядного сумматора в программу моделирования d-DcS.
. Схема состоит из полусумматора ( вентили AND и XOR справа) и полного двоичного одноразрядного сумматора ( 6 вентилей слева ). Заметьте, что в схеме более двух ярусов- максимальное число элементов, через которое пробегает входной сигнал к выходу больше 2)
Выполните анимацию
и постройте таблицу истинности реализуемой схемой функции,
затем .выполните верификацию схемы путем моделирования
Постройте таблицу истинности функции сумматора.
После этого проведите синтез схемы по таблице истинности( получив СДНФ) и реализуйте ее как двухярусную( двух уровневую) схему в логическом базисе AND-OR , строя ее как быстрый двухразрядный сумматор .Быстрый относится к тому факту, что это будет двухярусная схема и время распространения сигнала от входа к выходу будет меньше, чем в исходной схеме. ( Еще больший выигрыш от такого способа построения сумматора будет получен при увеличении его разрядности- естественно,затраты оборудования тоже резко возрастают с увеличении разрядности такого сумматора).
Минимизируйте булевскую функцию для каждого из выходных сигналов. Нарисуйте с помощью схемного редактора D_DcS полученную схему , используя заготовку, показанную на нижеследующем рисунке .
Верифицируйте полученную схему используя анимацию
и временное моделирование
Сравните задержки исходной и полученной схемы сумматора ,а также число вентилей в схемах .
Характеристики
Тип файла документ
Документы такого типа открываются такими программами, как Microsoft Office Word на компьютерах Windows, Apple Pages на компьютерах Mac, Open Office - бесплатная альтернатива на различных платформах, в том числе Linux. Наиболее простым и современным решением будут Google документы, так как открываются онлайн без скачивания прямо в браузере на любой платформе. Существуют российские качественные аналоги, например от Яндекса.
Будьте внимательны на мобильных устройствах, так как там используются упрощённый функционал даже в официальном приложении от Microsoft, поэтому для просмотра скачивайте PDF-версию. А если нужно редактировать файл, то используйте оригинальный файл.
Файлы такого типа обычно разбиты на страницы, а текст может быть форматированным (жирный, курсив, выбор шрифта, таблицы и т.п.), а также в него можно добавлять изображения. Формат идеально подходит для рефератов, докладов и РПЗ курсовых проектов, которые необходимо распечатать. Кстати перед печатью также сохраняйте файл в PDF, так как принтер может начудить со шрифтами.
















