3.4. Анализ схемы дешифратора 2-4 (1274925)
Текст из файла
Раздел 3. Изучение типовых комбинационных узлов.
Работа 3.4. Изучение схемы дешифратора 2-4
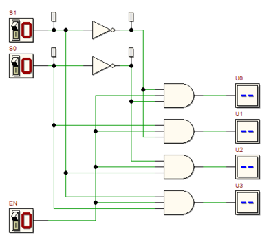
Реализуйте следующую модель схемы дешифратора 2-4 в программе d-DcS,
Используя функциональное моделирование(анимацию)
, постройте таблицу истинности реализуемой схемой функции по ее результатам.
Затем, с помощью временного моделирования
, получите временную диаграмму для всех возможных входных комбинаций.
Повторите эксперимент, используя блок дешифратор 2-4, имеющийся в составе болоков программы Деедс и сравните результаты с ранее полученными.
Индивидуальные Варианты заданий Постройте дешифратор 2-4 на элементах предложенного логического базиса и промоделировав схему сравните ее поведение с рассмотренной ранее.
| № варианта | Элементный базис | |
| 1 | И-НЕ | |
| 2 | ИЛИ-НЕ | |
| 3 | 2И,2ИЛИ,НЕ | |
| 4 | И-НЕ | |
| 5 | ИЛИ-НЕ | |
| 6 | 2И,2ИЛИ,НЕ | |
| 7 | И-НЕ | |
| 8 | ИЛИ-НЕ | |
| 9 | 2И,2ИЛИ,НЕ |
Вопросы:
-
какую функцию выполняют входы S1 и S0 ?
-
какую функцию выполняет вход EN ?
-
какое соотношение в дешифраторе между количеством входов и выходов ?
Характеристики
Тип файла документ
Документы такого типа открываются такими программами, как Microsoft Office Word на компьютерах Windows, Apple Pages на компьютерах Mac, Open Office - бесплатная альтернатива на различных платформах, в том числе Linux. Наиболее простым и современным решением будут Google документы, так как открываются онлайн без скачивания прямо в браузере на любой платформе. Существуют российские качественные аналоги, например от Яндекса.
Будьте внимательны на мобильных устройствах, так как там используются упрощённый функционал даже в официальном приложении от Microsoft, поэтому для просмотра скачивайте PDF-версию. А если нужно редактировать файл, то используйте оригинальный файл.
Файлы такого типа обычно разбиты на страницы, а текст может быть форматированным (жирный, курсив, выбор шрифта, таблицы и т.п.), а также в него можно добавлять изображения. Формат идеально подходит для рефератов, докладов и РПЗ курсовых проектов, которые необходимо распечатать. Кстати перед печатью также сохраняйте файл в PDF, так как принтер может начудить со шрифтами.
















