lec_03 (962865)
Текст из файла
14
ЛЕКЦИЯ 3
-
Техника автоматизации. Автоматическое управление.
1.3.1 Процесс управления и его виды.
При автоматизации установок производственной техники происходит взаимодействие устройств названной техники с информационной. Оно характеризуется тем, что на основании информации получаемой путем измерения, оказывается воздействие на поток энергии или вещества таким образом, чтобы целенаправленно изменить определенные физические или технико-экономические показатели. В соответствии с ранее приведенным определением (см. 1.1.1) это – процесс управления.
Различают три следующих вида управления:
-
ручное, которое осуществляется непосредственно человеком;
-
автоматизированное, которое осуществляется человеком, но посредством необходимых технических систем;
-
автоматическое, которое осуществляется без непосредственного участия человека.
Управление всегда предполагает определенную цель, определенную постановку задачи, формулировка которой не относится к кибернетике.
В качестве примера рассмотрим процесс управления температурой помещения на основании замеренной внешней температуры.
Если положение регулирующего вентиля отопления устанавливает оператор, на основании замеренной внешней температуры, то в этом случае сбор и обработка информации, а также энергетическое воздействие на систему осуществляет человек. Это пример ручного управления (рис. 1.8)
Внешняя
Температура
Наблюдение Энергетическое Температура
воздействие помещения
Принятие решения
человеком
Рис. 1.8
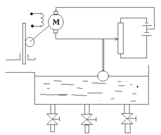
При автоматическом управлении (рис. 1.9) сбор информации, обработка ее и последующее воздействие осуществляется самостоятельно, так как при увеличении температуры окружающей среды столбик ртути замыкает цепь питания обмотки реле, которое через свой контакт включает или выключает цепь привода вентиля.
Принятие решения
техническим устройством
Измерение
Температура
помещения
Рис. 1.9
В рассмотренном примере цель процесса управления – поддержание температуры в помещении на заданном уровне при изменении температуры окружающей среды.
1.3.2 Объект управления, управляющее устройство и исполнительный орган.
Несмотря на различие задач, решаемых в процессе управления и разнородности устройств, с помощью которых это осуществляется, в любой системе, реализующей процесс управления, можно выделить три следующих основных элемента:
-
объект управления, т.е. часть установки на которою оказывается управляющее воздействие и изменения в которой являются определяющими для выполнения задачи управления;
-
управляющее устройство, т.е. совокупность элементов, которая служит для оказания воздействия на объект через исполнительный орган в соответствие с поставленной задачей;
-
исполнительный орган, т.е. звено, которое служит для непосредственного целенаправленного воздействия на поток энергии или вещества. (Исполнительный орган можно рассматривать как элемент, относящийся к объекту управления)
Структурная схема, поясняющая взаимодействие перечисленных элементов приведена на рис. 1.10
И
сполнительный Объект Управляемый
орган управления параметр
Устройство Задающее
управления воздействие
Рис. 1.10
Звенья объекта и устройства называют элементарными звеньями. Временные характеристики входных и выходных величин этих звеньев называются входными и выходными сигналами. В кибернетических исследованиях именно эти временные характеристики представляют основной интерес.
В качестве иллюстрации введенных понятий рассмотрим на примере автоматического регулирования температуры (см. рис. 1.9). В данном случае объект управления включает в себя следующие элементарные звенья (рис. 1.11):
-
исполнительный вентиль;
-
теплообменник;
-
помещение.
Сигналы Нерегулируемые
тепловые потоки
(сигнал помехи)
Объект
Входной сигнал
или Поток Тепловой
сигнал управления теплой воды поток
Исполнительный Тепло- Помещение Выходной
(Перемещение вентиль обменник сигнал
затвора вентиля) (температу
ра)
Рис. 1.11
Отметим, что входные сигналы, воздействующие на объект, называются сигналами помехи, если они неуправляемы и исполнительными сигналами или сигналами управления если они управляемы. Сигналы помехи могут быть как измеряемыми, так и не измеряемыми. Выходные сигналы называют также управляемыми сигналами.
1.3.3 Значение автоматизации. Кибернетический аспект этого процесса.
Автоматизация промышленных процессов имеет громадное значение. Она позволяет:
-
улучшить качество продукции и снизить расходы благодаря более точному выполнению оптимальных условий производства и более быстрой настройке;
-
реализовать процессы, управление которыми должно (по требованиям безопасности) осуществляться без участия человека;
-
осуществлять быстропротекающие процессы, которые без автоматического управления были бы нестабильны и реализация которых, была бы непосильна для человека вследствие ограниченной скорости реакции;
-
освободить человека от выполнения рутинной работы, возложив ее на технические устройства, и тем самым расширить возможности человека в творческой работе.
Автоматизированный производственный процесс, реализованный на элементах и с помощью методов производственной и информационной техники, может рассматриваться в различных аспектах.
В экономическом аспекте рассматривается эффективность, с которой энергия и сырье, используемые в процессе, преобразуются в необходимые формы энергии и требуемые изделия.
В технологическом аспекте изучаются технологические методы наиболее приемлемые для решения данных задач и соответственно технико-экономически целесообразное оснащение приборами. Сюда относится и принятие решения о том, следует ли осуществлять измерение и обработку информации об эксплуатационных параметрах, а также последующее регулирование потоков энергии или вещества с помощью электрических, гидравлических и других средств. Это решение зависит от ряда факторов, в том числе:
-
физической природы измеряемых параметров;
-
требуемой точности и скорости измерений и обработки информации;
-
надежности, взрывобезопасности и стоимости приборов, и т.д.
Задачей устройств автоматизации является автоматическое управление, т.е. самостоятельное целенаправленное воздействие на структуру и определенные параметры объекта. Одна и та же задача управления может быть решена с помощью целого ряда различных вариантов оснащения приборами. Это положение иллюстрирует пример, приведенный на рис. 1.12 Здесь задача по регулированию уровня жидкости в резервуаре решена с помощью механических (а), электромеханических (б) пневматических (в) и гидравлических (г) средств.
а
) б)в) г)
Рис.1.12
Для выяснения эффективности решения собственно задачи управления необходимо рассматривать автоматизированную систему не в технологическом или экономическом, а в кибернетическом аспекте. В этом случае абстрагируются от конкретной реализации системы и строят ее кибернетическую модель, содержащую информацию, характеризующую в основном управление, а именно:
-
преобразование или обработку входных сигналов отдельных звеньев системы в соответствующие выходные сигналы;
-
структурное расположение отдельных звеньев, т.е. их связь в общей системе.
Эти сведения, которые представляются математическими функциями и другими им эквивалентными изображениями, достаточны для исследования качества данной системы или для решения собственно задачи управления. Конкретные технические и нетехнические системы (например, биологические или экономические) в кибернетическом аспекте могут быть принципиально эквивалентны, т.е. иметь одинаковую кибернетическую модель. Они могут быть смоделированы на аналоговой ВМ с помощью одной вычислительной схемы, а на ЭЦВМ – с помощью одной программы, и различные параметры в различных системах при одинаковых возмущениях имеют одинаковую временную характеристику.
Кибернетика – наука об управлении, т.е. целенаправленном воздействии на системы, а также о процессах обработки информации и их автоматизации, которые отражают сущность процессов управления.
Она применима к любым системам и служит для того, чтобы познать закономерности процессов управления, обработки информации в природе, технике, обществе и использовать для синтеза или совершенствования систем.
Кибернетические методы, используемые для анализа и проектирования (автоматизированных) систем называются технической кибернетикой, для исследования биологических систем – биокибернетикой, для исследования и совершенствования экономических систем – экономической кибернетикой.
Характеристики
Тип файла документ
Документы такого типа открываются такими программами, как Microsoft Office Word на компьютерах Windows, Apple Pages на компьютерах Mac, Open Office - бесплатная альтернатива на различных платформах, в том числе Linux. Наиболее простым и современным решением будут Google документы, так как открываются онлайн без скачивания прямо в браузере на любой платформе. Существуют российские качественные аналоги, например от Яндекса.
Будьте внимательны на мобильных устройствах, так как там используются упрощённый функционал даже в официальном приложении от Microsoft, поэтому для просмотра скачивайте PDF-версию. А если нужно редактировать файл, то используйте оригинальный файл.
Файлы такого типа обычно разбиты на страницы, а текст может быть форматированным (жирный, курсив, выбор шрифта, таблицы и т.п.), а также в него можно добавлять изображения. Формат идеально подходит для рефератов, докладов и РПЗ курсовых проектов, которые необходимо распечатать. Кстати перед печатью также сохраняйте файл в PDF, так как принтер может начудить со шрифтами.
















