Самостоят. работа (962856)
Текст из файла
Задача 1.
Дать описание работы пневматической системы регулирования уровня жидкости в емкости, принципиальная схема которой приведена на рисунке.
Построить функциональную схему для этой системы и найти соответствие между элементами принципиальной и функциональной схем.
Задача 2.
Дать описание работы гидравлической системы регулирования уровня жидкости в емкости, принципиальная схема которой приведена на рисунке.
Построить функциональную схему для этой системы и найти соответствие между элементами принципиальной и функциональной схем.
Задача 3.
Определить корни характеристического уравнения для системы:
dx1/dt = а11 х1 + а12 х2; dx2/dt =а21 x1 +а22 x2.
Исходные данные приведены в таблице 1.
Задача 4.
Решить уравнения математической модели, отражающие движение твердого тела (например суппорта станка) под действием постоянной силы при нулевых условиях и исследовать влияние его массы на изменение фазовых координат.
Уравнения модели имеют вид:
Здесь Х и V - координата и скорость тела (фазовые координаты)
М – масса тела
h – коэффициент вязкого трения, возникающего при движении тела
η – жесткость упругих элементов, связанных с телом
F – постоянная внешняя сила, приложенная к телу.
Примечания:
1. Данные для решения взять из таблицы 2. При этом для всех вариантов значения h и F неизменны и равны:
h = 100 н·с/м; F = 500 н.
2. Решение первоначально получить в общем виде, т.е. в виде
X(t) =
V(t) =
и найти связь C, D, w, k, φx, φv с параметрами модели, т.е. М, h, η, F.
3. Построить графики функций Х (t), и V(t) при трех значениях М:
М1 = М; М2 = 1,5М; М3 = 2М, где М – масса, заданная в таблице 2.
Задача 5.
Статическая характеристика звена представлена выражением вида
х0 = 1 + a
+ b1n(u0). Проведите линеаризацию ее разложением в ряд Тэйлора в окрестностях точки u0* = c и представьте в виде х0 = b0 + b1u0.
Исходные данные приведены в таблице 3.
Задача 6.
Статическая характеристика звена представлена выражением вида
х0 = 1 + a
+ b1n(u0). Определить значение коэффициента усиления при u0 = c.
Исходные данные приведены в таблице 4.
Задача 7
Определить координату локального максимума статистической характеристики газового регулятора давления.
Примечание.
1. Статическая характеристика регулятора определяется зависимостью
А = Sв pвн + Sн pнн +
; В =
Условные обозначения параметров приведены в контрольно – курсовой работе (задание 2) 2. Максимум зависимости Рно = Рно (рво) следует искать аналитически, используя свойство производной
3. Принять следующие значения параметров:
Sн = 3 · 10-3м2 ; dc = 3,2 · 10-3м ;
Значения рвн и pнн взять из таблицы 5.
Задача 8.
Объект регулирования имеет статистическую характеристику х0 = a + bu0 и регулятор
х0р = c + du0р. Найти величину выходного сигнала в этой системе.
Исходные данные приведены в таблице 6.
Задача 9.
Определить фазовый сдвиг периодического сигнала, представляющего собой сумму вида: а·sin(w·t) + b·cos(w·t).
Исходные данные приведены в таблице 7.
Задача 10.
Частотная характеристика звена представлена выражением:
Re[G(jw)] = а + bw2, Im[G(jw)] = сw.
Найти отношение амплитуд выходного сигнала по входному при w = d.
Исходные данные приведены в таблице 8.
Задача 11.
Частотная характеристика звена представлена выражением:
Re[G(jw)] = а + bw2, Im[G(jw)] = сw.
Найти отношение амплитуд выходного сигнала к входному при w = d.
Исходные данные приведены в таблице 9.
Задача 12
Дифференциальное уравнение звена имеет вид
Найти выражение для частотной характеристики этого звена, выделив в нем действительную и мнимую части.
Задача 13
Построить годограф частотной характеристики для звена, уравнение которого имеет вид
Исходные данные приведены в таблице 10.
Задача 14
Значение логарифмической амплитудной частотной характеристики звена при определенном значении частоты, составляет а дб. Во сколько раз амплитуда выходного
сигнала звена будет больше (меньше) амплитуды входного.
Исходные данные приведены в таблице 11.
Задача 15
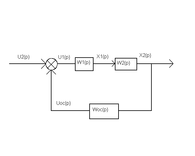
Получить выражение для передаточной функции системы, структурная схема которой приведена на рисунке
Задача 16
На вход звена, дифференциальное уравнение которого имеет вид
+ a0x = b1
+ b0u, приложено воздействие u(t) = A sin (wt). .
Найти изображение по Лапласу для выходного сигнала этого звена.
Характеристики
Тип файла документ
Документы такого типа открываются такими программами, как Microsoft Office Word на компьютерах Windows, Apple Pages на компьютерах Mac, Open Office - бесплатная альтернатива на различных платформах, в том числе Linux. Наиболее простым и современным решением будут Google документы, так как открываются онлайн без скачивания прямо в браузере на любой платформе. Существуют российские качественные аналоги, например от Яндекса.
Будьте внимательны на мобильных устройствах, так как там используются упрощённый функционал даже в официальном приложении от Microsoft, поэтому для просмотра скачивайте PDF-версию. А если нужно редактировать файл, то используйте оригинальный файл.
Файлы такого типа обычно разбиты на страницы, а текст может быть форматированным (жирный, курсив, выбор шрифта, таблицы и т.п.), а также в него можно добавлять изображения. Формат идеально подходит для рефератов, докладов и РПЗ курсовых проектов, которые необходимо распечатать. Кстати перед печатью также сохраняйте файл в PDF, так как принтер может начудить со шрифтами.
















