var22-16 (1014079)
Текст из файла
Задания к КР по дисциплине «CAD/CAE - системы»
Вариант 22. 2016г
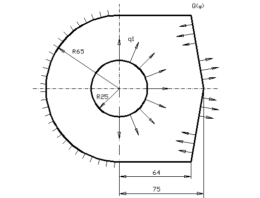
Геометрия объекта
Уменьшить размер 64 до 55
Отрезать левую нижнюю часть пластины по вертикали и горизонтали до центра отверстия
Внешние воздействия на объект
Нагружена только нижняя правая наклонная сторона.
Закон распределённой нагрузки следующий:
, где λ=2000, размерность
Н/см.
меняется вдоль наклонной стороны от
=0, находящейся в крайней правой точке пластины, до концов наклонной стороны.
Значение
- варьируемая величина.
Правая половина отверстия нагружена равномерно распределенной нагрузкой
q1= 900Н/см, направленной от центра окружности.
Граничные условия.
Оставшаяся верхняя левая сторона пластины в виде четверти окружности закреплена от перемещений по двум осям.
Конец документа
Характеристики
Тип файла документ
Документы такого типа открываются такими программами, как Microsoft Office Word на компьютерах Windows, Apple Pages на компьютерах Mac, Open Office - бесплатная альтернатива на различных платформах, в том числе Linux. Наиболее простым и современным решением будут Google документы, так как открываются онлайн без скачивания прямо в браузере на любой платформе. Существуют российские качественные аналоги, например от Яндекса.
Будьте внимательны на мобильных устройствах, так как там используются упрощённый функционал даже в официальном приложении от Microsoft, поэтому для просмотра скачивайте PDF-версию. А если нужно редактировать файл, то используйте оригинальный файл.
Файлы такого типа обычно разбиты на страницы, а текст может быть форматированным (жирный, курсив, выбор шрифта, таблицы и т.п.), а также в него можно добавлять изображения. Формат идеально подходит для рефератов, докладов и РПЗ курсовых проектов, которые необходимо распечатать. Кстати перед печатью также сохраняйте файл в PDF, так как принтер может начудить со шрифтами.
















