0.Общие требования Sigma2016varKR (1014057)
Текст из файла
Задания 2016г. имеют пометку 2016, означающие, что они скорректированы. При отсутствии пометки задание необходимо прислать преподавателю для изменения.
Исходные задания и измененные задания необходимо поместить в отчет с новым рисунком задания. Рисунок (чертёж) итогового задания должен максимально соответствовать действительной геометрии пластины и виду нагружения. На итоговом задании проставить геометрические размеры цифрами по правилам ЕСКД.
Пример итогового чертежа приведен в конце файла.
Ниже привести скриншоты графиков функций нагрузки, построенные в AGrapher (см. на сайте в разделе 4.3) . Форма представления дана в конце этого файла.
Общие требования к заданиям 2016 года
1. Во всех вариантах для материала пластины принять характеристики алюминиевого сплава:
Е=7200000.0 Н/см2 – модуль упругости материала;
= 0.3 – коэффициент Пуассона;
= 38000.0 Н/см2 – допускаемое напряжение;
= 0.1 см - толщина пластины.
2. Во всех вариантах распределённая погонная нагрузка размерностью [Н/см] прикладывается перпендикулярно нагруженным сторонам; аргумент в формулах неравномерно распределённой погонной нагрузки отсчитывается вдоль стороны, к которой приложена эта нагрузка.
3.Тригонометрические функции в формулах заданы в радианах.
4.Пластину располагать в первой четверти координатных осей.
5.Варьируемые параметры в заданиях задавать через свободные параметры (см. панель задания основных параметров Sigma).
6.Нагрузка по каждой стороне должна быть отключаемой с помощью свободных параметров. Направление действия нагрузки должно быть реверсивным (изменняемым).
7. Любой отчёт (черновой, промежуточный, окончательный) должен сопровождаться рисунком итогового задания в соответствии с введёнными изменениями.
Описание заданий для примеров Example1, Example2 и Example3,
устанавливаемых с комплексом Sigma
Example1
Example2
Example3
Пример оформления итогового задания
Патрикеев О.А.
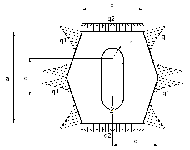
Исходное задание
| Параметр | Значение или формула | Единицы | Дополнительные сведения |
| a | 120 | см | Удалить опору в отверстии и закрепить отверстие по всей длине от перемещений по двум осям |
| b | 80 | см | |
| c | 56 | см | |
| d | 60 | см | |
| r | 14 | см | |
| q1 | (q0-s)^(1.5)(Cos(0.05s)) | Н/ см | Координата s отсчитывается от точки максимальной ширины пластины вдоль наклонной стороны до конца наклонной стороны |
| q0 | 150 | Варьируемый параметр | |
| q2 | н / см | Координата х отсчитывается от правого и левого края верхней и нижней горизонтальной стороны до середины этой стороны. | |
| k | 1 | Варьируемый параметр |
Итоговое задание:
Для горизонтальных частей пластины (приложенные силы симметричны в соответствии с постановкой задачи и применением местной системы координат): q2 =
+600, где k – варьируемый параметр равный 1,
x изменяется от 0 до 40.
Для наклонных частей пластины (приложенные силы симметричны в соответствии с постановкой задачи и применением местной системы координат): q1 = (q0-s)^(1.5)(Cos(0.05s)), где q0 – варьируемый параметр равный 150, s изменяется от 0 до 63.25.
Расчет длины наклонной стороны:
s = ((d – b/2)^2 + (a/2)^2)^0.5, где а = 120, b = 80, d = 60.
s = ((60 – 40)^2 + 60^2)^0.5, s ≈ 63.25
Форма представления скриншотов функции нагрузки.
Характеристики
Тип файла документ
Документы такого типа открываются такими программами, как Microsoft Office Word на компьютерах Windows, Apple Pages на компьютерах Mac, Open Office - бесплатная альтернатива на различных платформах, в том числе Linux. Наиболее простым и современным решением будут Google документы, так как открываются онлайн без скачивания прямо в браузере на любой платформе. Существуют российские качественные аналоги, например от Яндекса.
Будьте внимательны на мобильных устройствах, так как там используются упрощённый функционал даже в официальном приложении от Microsoft, поэтому для просмотра скачивайте PDF-версию. А если нужно редактировать файл, то используйте оригинальный файл.
Файлы такого типа обычно разбиты на страницы, а текст может быть форматированным (жирный, курсив, выбор шрифта, таблицы и т.п.), а также в него можно добавлять изображения. Формат идеально подходит для рефератов, докладов и РПЗ курсовых проектов, которые необходимо распечатать. Кстати перед печатью также сохраняйте файл в PDF, так как принтер может начудить со шрифтами.
















