var24-16 (1014081)
Текст из файла
Задания к КР по дисциплине «CAD/CAE - системы»
Вариант № 24 2016г
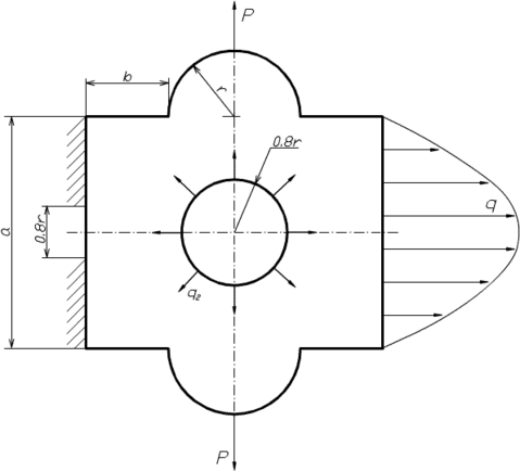
Геометрия объекта
-
а= 80см; r=20см; b=25см.;q2=P=0;
-
Круглый вырез заменить продолговатым, проведя две горизонтальные касательные к круглому вырезу до пересечения с левой вертикальной стороной пластины.
-
Удалить правый выступ пластины с горизонтальными участками и вертикальной стороной и заменить его двумя наклонными, исходящими каждая из правых крайних точек верхней и нижней полуокружностей до тояки на горизонтальной оси симметрии, где раньше кончалась правая сторона пластины.
Внешние воздействия на объект
-
Приложить погонную нагрузку постоянной интенсивности к внешним верхней и нижней полуокружностям
. -
Нагрузку
приложить к каждой из образовавшихся наклонных сторон пластины.
,
находится в левой точке наклонных сторон.
- изменяется вдоль наклонных сторон.
Граничные условия
Удалить закрепления по левой вертикальной стороне и закрепить пластину по вырезу от перемещений по двум осям.
Конец документа
Характеристики
Тип файла документ
Документы такого типа открываются такими программами, как Microsoft Office Word на компьютерах Windows, Apple Pages на компьютерах Mac, Open Office - бесплатная альтернатива на различных платформах, в том числе Linux. Наиболее простым и современным решением будут Google документы, так как открываются онлайн без скачивания прямо в браузере на любой платформе. Существуют российские качественные аналоги, например от Яндекса.
Будьте внимательны на мобильных устройствах, так как там используются упрощённый функционал даже в официальном приложении от Microsoft, поэтому для просмотра скачивайте PDF-версию. А если нужно редактировать файл, то используйте оригинальный файл.
Файлы такого типа обычно разбиты на страницы, а текст может быть форматированным (жирный, курсив, выбор шрифта, таблицы и т.п.), а также в него можно добавлять изображения. Формат идеально подходит для рефератов, докладов и РПЗ курсовых проектов, которые необходимо распечатать. Кстати перед печатью также сохраняйте файл в PDF, так как принтер может начудить со шрифтами.
















