Алгоритмизация ТП и П Бунько (539929)
Текст из файла
Задание:
По технологической схеме объекта управления разработать микропроцессорную систему управления (МСУ) объектом (точить 3 канавки), включая:
-
Структурную схему МСУ
-
Первичное описание функционирования объекта в виде параметрического графа операций (ПГО) (этап алгоритмического проектирования).
-
Промежуточное описание алгоритма управления объектом в виде систем секвенций (этап логического проектирования – логического программирования).
-
Алгоритм управления в виде граф-схемы алгоритмов.
-
Таблицы привязки датчиков и исполнительных механизмов к конкретным портам (входам и выходам) микроконтроллера.
При переходе от одного вида описаний к другому проверять полученное описание на соблюдение принципа локальности преобразований.
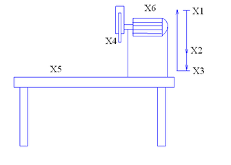
Технологическая схема структурная схема МСУ
токарного станка сверлильного станка
Рис 1. Рис 2.
Х- датчики и органы управления ОУ – объект управления.
Y- исполнительные механизмы СЛУ – система логического управления.
и органы индикации
Таблица 1. Таблица датчиков и органов управления.
X1 – датчик крайнего правого положения.
X2 – датчик рабочего положения.
X3 – датчик крайнего левого положения.
X4 – датчик патрона.
X5 – датчик посторонних предметов.
X6 – датчик перегрузки.
Х7 – общее включение системы.
Х8 – цикловой пуск.
Таблица 2. Таблица исполнительных механизмов и органов индикации.
Y1 – сигнал управления мотором вращения.
Y2, Y3 – сигналы спуска и подъёма инструмента.
Y4 – сигнал перехода к следующему точению.
Y5 – сигнал на соседний агрегат и на индикацию оператору – станок находится в исходном состоянии ( инструмент справа) .
Y6 – сигнал на индикацию – идёт рабочий цикл станка.
Задание:
По технологической схеме объекта управления разработать микропроцессорную систему управления (МСУ) объектом (отрезать четыре заготовки), включая:
-
Структурную схему МСУ
-
Первичное описание функционирования объекта в виде параметрического графа операций (ПГО) (этап алгоритмического проектирования).
-
Промежуточное описание алгоритма управления объектом в виде систем секвенций (этап логического проектирования – логического программирования).
-
Алгоритм управления в виде граф-схемы алгоритмов.
-
Таблицы привязки датчиков и исполнительных механизмов к конкретным портам (входам и выходам) микроконтроллера.
При переходе от одного вида описаний к другому проверять полученное описание на соблюдение принципа локальности преобразований
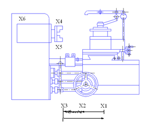
Технологическая схема структурная схема МСУ
отрезного станка отрезного станка
Рис 1. Рис 2.
Х- это датчики и органы управления ОУ – объект управления.
Y- это исполнительные механизмы СЛУ – система логического управления.
и органы индикации
Таблица 1. Таблица датчиков и органов управления.
X1 – датчик крайнего верхнего положения.
X2 – датчик рабочего положения.
X3 – датчик крайнего нижнего положения.
X4 – датчик стола.
X5 – датчик перегрузки инструмента.
X6 – датчик перегрузки двигателя.
Х7 – общее включение системы.
Х8 – цикловой пуск.
Таблица 2. Таблица исполнительных механизмов и органов индикации.
Y1 – сигнал управления мотором вращения.
Y2, Y3 – сигналы спуска и подъёма инструмента.
Y4 – сигнал перехода к отрезанию следующей детали.
Y5 – сигнал на соседний агрегат и на индикацию оператору – станок находится в исходном состоянии ( инструмент сверху) .
Y6 – сигнал на индикацию – идёт рабочий цикл станка.
Задание:
По технологической схеме объекта управления разработать микропроцессорную систему управления (МСУ) объектом, включая:
-
Структурную схему МСУ
-
Первичное описание функционирования объекта в виде параметрического графа операций (ПГО) (этап алгоритмического проектирования).
-
Промежуточное описание алгоритма управления объектом в виде систем секвенций (этап логического проектирования – логического программирования).
-
Таблицы привязки датчиков и исполнительных механизмов к конкретным портам (входам и выходам) микроконтроллера.
При переходе от одного вида описаний к другому проверять полученное описание на соблюдение принципа локальности преобразований.
Технологическая схема РТК.(Как называется РТК?)
Рис 1.
Х- это датчики и органы управления
Y- это исполнительные механизмы
и органы индикации
Таблица 1. Таблица датчиков и органов управления.
X1 – датчик крайнего правого положения.
X2 – датчик рабочего положения.
X3 – датчик крайнего левого положения.
X4 – датчик патрона.
X5 – датчик перегрузки инструмента.
X6 – датчик перегрузки двигателя.
Далее датчики робота.
X7 – датчик крайнего нижнего положения.
X8 – датчик крайнего верхнего положения.
X9 – датчик крайнего правого положения.
X10 – датчик крайнего левого положения.
X11, X12 – датчики поворота руки.
X13 – датчик захвата заготовки
Далее датчики системы в целом.
Х14 – общее включение системы.
Х15 – цикловой пуск.
Таблица 2. Таблица исполнительных механизмов и органов индикации.
Y1 – сигнал управления мотором вращения.
Y2, Y3 – сигналы спуска и подъёма инструмента.
Y4 – сигнал перехода к отрезанию следующей детали.
Y5 – сигнал управления мотором вращения.
Y6, Y7 – сигналы спуска и подъёма инструмента.
Y8 – сигнал на соседний агрегат и на индикацию оператору – станок находится в исходном состоянии ( инструмент сверху) .
Y9 – сигнал на соседний агрегат и на индикацию оператору – станок находится в исходном состоянии ( инструмент справа) .
Задание:
По технологической схеме объекта управления разработать микропроцессорную систему управления (МСУ) объектом, включая:
-
Структурную схему МСУ
-
Первичное описание функционирования объекта в виде параметрического графа операций (ПГО) (этап алгоритмического проектирования).
-
Промежуточное описание алгоритма управления объектом в виде систем секвенций (этап логического проектирования – логического программирования).
-
Таблицы привязки датчиков и исполнительных механизмов к конкретным портам (входам и выходам) микроконтроллера.
При переходе от одного вида описаний к другому проверять полученное описание на соблюдение принципа локальности преобразований.
Технологическая схема РТК .(Как называется РТК?).
Х- это датчики и органы управления
Y- это исполнительные механизмы
и органы индикации
Таблица 1. Таблица датчиков и органов управления.
Датчики станка.
X1 – датчик крайнего верхнего положения.
X2 – датчик рабочего положения.
X3 – датчик крайнего нижнего положения.
X4 – датчик стола.
X5 – датчик перегрузки инструмента.
X6 – датчик перегрузки двигателя.
Далее датчики робота.
X7 – датчик крайнего нижнего положения.
X8 – датчик крайнего верхнего положения.
X9 – датчик крайнего правого положения.
X10 – датчик крайнего левого положения.
X11, X12 – датчики поворота руки.
X13 – датчик схвата заготовки
Далее датчики системы вцелом.
Х14 – общее включение системы.
Х15 – цикловой пуск.
Таблица 2. Таблица исполнительных механизмов и органов индикации.
Y1 – сигнал управления мотором вращения.
Y2, Y3 – сигналы спуска и подъёма инструмента.
Y4 – сигнал перехода к отрезанию следующей детали.
Y5 – сигнал управления мотором вращения.
Y6, Y7 – сигналы спуска и подъёма инструмента.
Y8 – сигнал на соседний агрегат и на индикацию оператору – станок находится в исходном состоянии ( инструмент сверху) .
Y9 – сигнал на соседний агрегат и на индикацию оператору – станок находится в исходном состоянии ( инструмент справа) .
Задание:
По технологической схеме объекта управления разработать микропроцессорную систему управления (МСУ) объектом, включая:
-
Структурную схему МСУ
-
Первичное описание функционирования объекта в виде параметрического графа операций (ПГО) (этап алгоритмического проектирования).
-
Промежуточное описание алгоритма управления объектом в виде систем секвенций (этап логического проектирования – логического программирования).
-
Таблицы привязки датчиков и исполнительных механизмов к конкретным портам (входам и выходам) микроконтроллера.
Разработка микропроцессорной системы управления (МСУ) роботом манипулятором М1 с кассетой заготовок..
Технологическая схема структурная схема МСУ
Робота-манипулятора М1 робота-манипулятора М1.
Рис 1. Рис 2.
Х- это датчики и органы управления ОУ – объект управления.
Y- это исполнительные механизмы СЛУ – система логического управления.
и органы индикации
Таблица 1. Таблица датчиков и органов управления.
X1 – датчик крайнего нижнего положения.
X2 – датчик крайнего верхнего положения.
X3 – датчик крайнего правого положения.
X4 – датчик крайнего левого положения.
X5, X6 – датчики поворота руки.
X7 – датчик захвата заготовки.
Х8 – датчик кассеты.
Х9 – цикловой пуск.
X10 – общее включение системы.
Таблица 2. Таблица исполнительных механизмов и органов индикации.
Y1 – сигнал движения робота вверх (вниз).
Y2 -.сигнал поворота руки робота на 90˚.
Y3 – сигнал выдвижения (задвижения) руки робота.
Y4 – сигнал зажима (разжима) схвата руки робота.
Y5 – сигнал поворота кассеты
Y6 – сигнал на индикацию – идёт рабочий цикл станка.
Характеристики
Тип файла документ
Документы такого типа открываются такими программами, как Microsoft Office Word на компьютерах Windows, Apple Pages на компьютерах Mac, Open Office - бесплатная альтернатива на различных платформах, в том числе Linux. Наиболее простым и современным решением будут Google документы, так как открываются онлайн без скачивания прямо в браузере на любой платформе. Существуют российские качественные аналоги, например от Яндекса.
Будьте внимательны на мобильных устройствах, так как там используются упрощённый функционал даже в официальном приложении от Microsoft, поэтому для просмотра скачивайте PDF-версию. А если нужно редактировать файл, то используйте оригинальный файл.
Файлы такого типа обычно разбиты на страницы, а текст может быть форматированным (жирный, курсив, выбор шрифта, таблицы и т.п.), а также в него можно добавлять изображения. Формат идеально подходит для рефератов, докладов и РПЗ курсовых проектов, которые необходимо распечатать. Кстати перед печатью также сохраняйте файл в PDF, так как принтер может начудить со шрифтами.















