kovih_s_pahomovym (539922)
Текст из файла
МИНИСТЕРСТВО ОБРАЗОВАНИЯ РОCСИЙСКОЙ ФЕДЕРАЦИИ
Московский Государственный Технический Университет
«МАМИ»
Кафедра: «АиПУ»
Факультет: «АиУ»
Курсовая работа
«Разработка микропроцессорной системы управления автоматизированной позицией для РТК сборки элементов часов и приборов с кассетной подачей деталей».
Выполнил студент: Пахомов А.Б. Группа: 9-УИ-7
Допустить к защите: ___________________________
Руководитель: _____________ / Бунько Е.Б. /
Дата: «__» ________ 2005г.
Защита работы с оценкой: ______________________
_____________ / Бунько Е.Б. /
Москва 2005
Введение.
Один из эффективных путей повышения производительности труда в промышленном производстве это автоматизации технологических процессов.
В частности для автоматизации поточного производства часто используются роботоконвейерные технологические комплексы (РКТК) - производственные системы, состоящие из перестраиваемых роботизированных технологических позиций (РТП) и конвейерного оборудования. Система управления РКТК должна обеспечивать взаимоувязанную работу всех РТП и конвейера с учетом состояния отдельных элементов РТП и ситуации на конвейере и обязательно строится на базе микропроцессорных средств (МП-средств).
Применение МП-средств в составе системы управления оборудованием позволяют оперативно изменять технологический процесс и выпускать на одном конвейере продукцию разной номенклатуры.
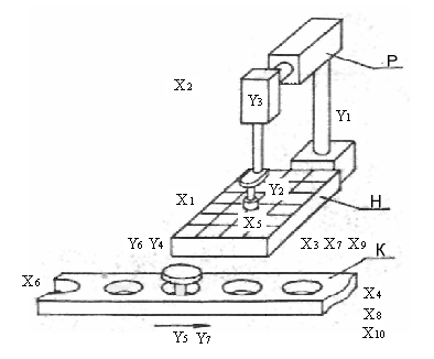
1. Технологическая схема объекта управления.
С
борочный манипулятор с кассетной подачей деталей.
Собираемые изделия помещены в 5-местные кассеты-спутники, которые, перемещаясь по направляющим с помощью механизма шаговой подачи, образуют технологический конвейер. В его состав
(рис 1.)
входят дополнительные устройства позиционирования механизма при сборке и контроле и для опускания его в кассету по завершении операции.
Технологическая схема сборочной РТП представлена на рис.1. Она состоит из мини-робота -Р (манипулятора с цикловым управлением), локального накопителя устанавливаемых деталей - Н (выполненного в виде кассетного 2-х координатного магазина).
Манипулятор берет деталь из Н и устанавливают ее в механизм объекта сборки, который продвигается в кассете -К транспортной системой.
2. Структурная схема системы управления
Рис.2. Структурная схема системы управления
МКП - микроконтроллер
ТР - транспортная система
ПУИ - пульт управления и индикации
БП - блок питания
М - манипулятор
КМ - кассетный магазин
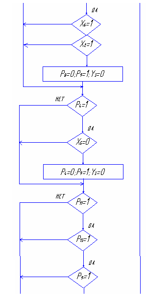
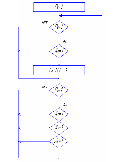
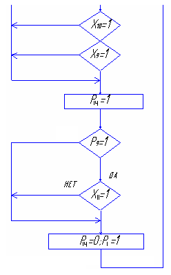
3. Первичное описание алгоритма управления сборочной позицией.
Для первичного описания заданного объекта управления будем использовать разработанный ранее аппарат графов операций (1), основанный на построении специальным образом интерпретированной и помеченной сети Петри (2). В графе операций используются вершины двух типов, изображаемых кружками (позиции) и прямоугольниками (переходы), в котором стрелками соединяются только вершины разного типа. В позиции графа помещаются метки (маркеры, точки), которые перемещаются из одних позиций в другие по определенным правилам, отображая динамику упавляемого процесса. Размещение точек в позициях в каждый момент времени называется маркировкой графа; при задании графа всегда фиксируется его начальная маркировка.
Изменение маркировки (перемещение точек из позиции в позицию) происходит в результате выполнения (срабатывания) переходов, с каждым из которых сопоставлено некоторое внешнее событие. Переход срабатывает, если во всех его входных позициях (из которых ведут стрелки в переход) есть точки и, кроме того, наступает внешнее событие. При срабатывании перехода из каждой его входной позиции удаляется точка, а в каждую выходную позицию (в которую ведет стрелка из перехода) точка вносится.
При использовании графа операций как динамической модели функционирования, позиции соответствуют технологическим операциям реализуемым в объекте управления, а переходы - событиям, определяющим смену операций. Попадание точки в позицию означает начало операции, а ее удаление из позиции - конец операции. Таким образом, операция протекает во времени, переходы срабатывают мгновенно.
Позиции графа помечены функциями (коньюнкциями) сигналов на исполнительные механизмы и органы индикации объекта управления, а переходы функциями (коньюнкциями) сигналов от датчиков и органов управления.
На рис. 2 дан пример графа операций, отображающий работу одной из сборочной позиции в РТК для сборки часовых механизмов (см. рис. 1). Перечень сигналов дан в таблице 1, содержание операций, соответствующее позициям графа, указано в таблице 2.
рис. 2
Таблица 1
| Сигналы датчиков сборочной позиции | Обозна-чение | Управляющие сигналы на механизмы сб. позиции | Обозна-чение |
| Запуск системы Датчик нижнего положения руки манипулятора Датчик верхнего положения руки манипулятора Датчик исходного положения кассеты Датчик исходного положения МТПП Датчик свата заготовки Рука над конвейером Датчик движения накопителя на одну позицию Датчик движения МТПП на одну позицию Датчик фиксации кассеты Датчик фиксации МТПП Тумблер (а,п/а) | Х0 Х1 Х2 Х3 Х4 Х5 Х6 Х7 Х8 Х9 Х10 Х11 | Сигнал вертикального перемещения руки манипулятора Сигнал зажима (разжима) схвата Сигнал отвода (подвода) руки к конвейеру Сигнал движения накопителя на одну позицию Сигнал движения МТПП на одну позицию Сигнал фиксации накопителя Сигнал фиксации МТПП | Y1 Y2 Y3 Y4 Y5 Y6 Y7 |
Таблица 2
| Позиция сети Петри | Операция | |
| манипулятор | Р0 Р1 Р2 Р3 Р4 Р5 Р6 Р7 Р8 Р9 Р10 Р11 Р12 Р13 Р14 | Исходное положение всех механизмов манипулятора Исходное положение всех механизмов манипулятора после включения тумблера Движение руки вниз по накопителю Взятие детали из накопителя (включение выдержки времени ) Подъем руки вверх, контроль взятия детали Подвод руки к конвейеру Опускание руки вниз Отключение схвата - установка детали (включение выдержки времени1 ) Подъем руки вверх Отвод руки от конвейера Движение накопителя Фиксация кассеты Движения МТПП Фиксация МТПП Конечное положение всех механизмов системы |
4. Система секвенций, описывающая граф на рис. 2.
5. Граф-схема алгоритма, реализующая систему секвенций
Методом последовательного перехода.
В ГСА тоже нужен начальный момент – стрелка не должна идти в самое начало алгоритма.
Характеристики
Тип файла документ
Документы такого типа открываются такими программами, как Microsoft Office Word на компьютерах Windows, Apple Pages на компьютерах Mac, Open Office - бесплатная альтернатива на различных платформах, в том числе Linux. Наиболее простым и современным решением будут Google документы, так как открываются онлайн без скачивания прямо в браузере на любой платформе. Существуют российские качественные аналоги, например от Яндекса.
Будьте внимательны на мобильных устройствах, так как там используются упрощённый функционал даже в официальном приложении от Microsoft, поэтому для просмотра скачивайте PDF-версию. А если нужно редактировать файл, то используйте оригинальный файл.
Файлы такого типа обычно разбиты на страницы, а текст может быть форматированным (жирный, курсив, выбор шрифта, таблицы и т.п.), а также в него можно добавлять изображения. Формат идеально подходит для рефератов, докладов и РПЗ курсовых проектов, которые необходимо распечатать. Кстати перед печатью также сохраняйте файл в PDF, так как принтер может начудить со шрифтами.
















