гетьман (1320306)
Текст из файла
МОСКОВСКИЙ ГОСУДАРСТВЕННЫЙ ТЕХНИЧЕСКИЙ УНИВЕРСИТЕТ
«МАМИ»
Факультет «Автоматизация и управление»
Кафедра «Автоматика и Процессы Управления»
К У Р С О В А Я Р А Б О Т А
по дисциплине
«Проектирование систем управления»
«Разработка микропроцессорной системы управления (МСУ) отрезным станком».
Студент: Гетьман В.С.
Группа: 9-УИк-8
Вариант: 5
«Защиту принял»: Бунько Е.Б. /________________/
Дата защиты: «__» ______ 200_ г.
МОСКВА - 2005
Задание:
По технологической схеме объекта управления разработать микропроцессорную систему управления (МСУ) объектом, включая:
-
Структурную схему МСУ
-
Первичное описание функционирования объекта в виде параметрического графа операций (ПГО) (этап алгоритмического проектирования).
-
Промежуточное описание алгоритма управления объектом в виде систем секвенций (этап логического проектирования – логического программирования).
-
Алгоритм управления в виде граф-схемы алгоритмов.
-
Таблицы привязки датчиков и исполнительных механизмов к конкретным портам (входам и выходам) микроконтроллера.
-
Программу управления в системе команд микроконтроллера МКП – 1.
Вариант 5. Объект управления - отрезной станок.
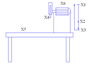
1. Таблицы привязки датчиков и исполнительных механизмов к конкретным портам (входам и выходам) микроконтроллера.
Таблица 1. Таблица датчиков и органов управления.
| Позиции | Назначение | Порт подключения Е2 |
| X1 | датчик крайнего верхнего положения | E22 |
| X2 | датчик рабочего положения | E23 |
| X3 | датчик крайнего нижнего положения | E24 |
| X4 | датчик стола | E25 |
| X5 | датчик перегрузки инструмента | E26 |
| X6 | датчик перегрузки двигателя | E27 |
| X7 | Общее включение системы | E28 |
| X8 | Цикловой пуск | E29 |
Таблица 2. Таблица исполнительных механизмов и органов индикации.
| Позиции | Назначение | Порт подключения Z0 |
| Y1 | сигнал управления мотором вращения | Z01 |
| Y2;Y3 | сигнал спуска и подъема инструмента | Z02; Z03 |
| Y4 | сигнал на соседний агрегат и на индикацию оператору – станок находится в исходном состоянии (инструмент сверху) | Z04 |
| Y5 | сигнал на индикацию – идет рабочий цикл станка | Z05 |
Таблица 3. Таблица обозначений действий, выполняемых в позициях
| Позиции | Назначение |
| Р0 | Исходное состояние (Инструмент сверху) |
| Р1 | Включение мотора вращения |
| Р2 | Движение инструмента вниз |
| Р3 | Движение инструмента вверх |
| Р4 | Передача сигнала на соседний агрегат и на индикацию оператору(переход в исходное состояние) |
| Р5 | Индикация рабочего цикла |
Таблица 4. Таблица обозначений действий, выполняемых в переходах
В переходах действий никаких не выполняется – они фиксируют моменты смены технологических операций (действий) это грубая ошибка.
Нужен просто список переходов!
| Позиции | Назначение |
| t0 | Исходное состояние (Инструмент сверху) |
| t 1 | Включение мотора вращения |
| t2 | Движение инструмента вниз |
| t3 | Движение инструмента вверх |
| t4 | Передача сигнала на соседний агрегат и на индикацию оператору(переход в исходное состояние) |
| t5 | Переход в исходное состояние в случае перегрузки инструмента или двигателя |
2. Структурная схема МСУ
Граф нарисован совершенно неверно! Принципиальные ошибки!
Граф операций работы системы
3. Алгоритм управления в виде систем секвенций.
Граф неправильный и потому секвециальное описание тоже неправильное, кроме того надо начальную маркировку обыграть!
Согласно графу операций система секвенций построенная по нему будет выглядеть следующим образом:
4. Алгоритм управления в виде граф-схемы алгоритмов.
возвратная стрелка должна быть перед Р0=1
5. Программа для МКП-1 для управления станком.
| Адрес | Команда | Описание команды | Действия робота | Поз. |
| 000 | 2601 | активизация счетчика Y1 | Проверка исходного положения, общее включение системы | Р1 |
| 001 | 0422 | Проверка датчика Х1 по адресу Е22 на наличие сигнала | ||
| 002 | 0428 | Проверка датчика Х7 по адресу Е28 на наличие сигнала | ||
| 003 | 2602 | активизация счетчика Y2 | Движение инструмента вниз | Р2 |
| 004 | 0423 | Проверка датчика X2 по адресу Е23 на наличие сигнала | ||
| 005 | 2605 | активизация счетчика Y5 | Индикация – «идет рабочий цикл» | Р5 |
| 006 | 0424 | Проверка датчика X3 по адресу Е24 на наличие сигнала | ||
| 007 | 0425 | Проверка датчика X4 по адресу Е25 на наличие сигнала | ||
| 008 | 090C | Безусловный переход на 00С | ||
| 009 | 0426 | Проверка датчика X5 по адресу Е26 на наличие сигнала | Р3 | |
| 00A | 0427 | Проверка датчика X6 по адресу Е27 на наличие сигнала | ||
| 00B | 0900 | Безусловный переход на адрес 000 | ||
| 00C | 2603 | активизация счетчика Y3 | Подъем инструмента | |
| 00D | 2604 | активизация счетчика Y4 | Сигнал оператору, станок в исходном положении | Р4 |
| 00E | 0429 | Проверка датчика Х8 по адресу Е29 на наличие сигнала | ||
| 00F | 0900 | Безусловный переход на адрес 000 |
Программа управления сделана совершенно не по правилам. Судя по граф-схеме число команд должно быть не менее 40 , а у вас всего 16 как вы ее делали эту программу?
Где у вас условные переходы (OB и OA) без них программу управления сделать невозможно!
Вы защитили лаб. Работы?
Характеристики
Тип файла документ
Документы такого типа открываются такими программами, как Microsoft Office Word на компьютерах Windows, Apple Pages на компьютерах Mac, Open Office - бесплатная альтернатива на различных платформах, в том числе Linux. Наиболее простым и современным решением будут Google документы, так как открываются онлайн без скачивания прямо в браузере на любой платформе. Существуют российские качественные аналоги, например от Яндекса.
Будьте внимательны на мобильных устройствах, так как там используются упрощённый функционал даже в официальном приложении от Microsoft, поэтому для просмотра скачивайте PDF-версию. А если нужно редактировать файл, то используйте оригинальный файл.
Файлы такого типа обычно разбиты на страницы, а текст может быть форматированным (жирный, курсив, выбор шрифта, таблицы и т.п.), а также в него можно добавлять изображения. Формат идеально подходит для рефератов, докладов и РПЗ курсовых проектов, которые необходимо распечатать. Кстати перед печатью также сохраняйте файл в PDF, так как принтер может начудить со шрифтами.
















