гетьман (539905)
Текст из файла
МОСКОВСКИЙ ГОСУДАРСТВЕННЫЙ ТЕХНИЧЕСКИЙ УНИВЕРСИТЕТ
«МАМИ»
Факультет «Автоматизация и управление»
Кафедра «Автоматика и Процессы Управления»
К У Р С О В А Я Р А Б О Т А
по дисциплине
«Проектирование систем управления»
Студент: Гетьман В.С.
Группа: 9-УИк-8
«Защиту принял»: Бунько Е.Б. /________________/
Дата защиты: «__» ______ 200_ г.
МОСКВА – 2005
Задание:
По технологической схеме объекта управления разработать микропроцессорную систему управления (МСУ) объектом, включая:
-
Структурную схему МСУ
-
Первичное описание функционирования объекта в виде параметрического графа операций (ПГО) (этап алгоритмического проектирования).
-
Промежуточное описание алгоритма управления объектом в виде систем секвенций (этап логического проектирования – логического программирования).
-
Алгоритм управления в виде граф-схемы алгоритмов.
-
Таблицы привязки датчиков и исполнительных механизмов к конкретным портам (входам и выходам) микроконтроллера.
-
Программу управления в системе команд микроконтроллера МКП – 1.
Разработка микропроцессорной системы управления (МСУ) отрезным станком.
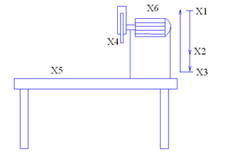
1. Таблицы привязки датчиков и исполнительных механизмов к конкретным портам (входам и выходам) микроконтроллера.
Таблица 1. Таблица датчиков и органов управления.
| Позиции | Назначение | Порт подключения Е2 |
| X1 | датчик крайнего верхнего положения | E22 |
| X2 | датчик рабочего положения | E23 |
| X3 | датчик крайнего нижнего положения | E24 |
| X4 | датчик стола | E25 |
| X5 | Цикловой пуск | E26 |
Таблица 2. Таблица исполнительных механизмов и органов индикации.
| Позиции | Назначение | Порт подключения Z0 |
| Y1 | сигнал управления мотором вращения | Z01 |
| Y2;Y3 | сигнал спуска и подъема инструмента | Z02; Z03 |
| Y4 | сигнал на соседний агрегат и на индикацию оператору – станок находится в исходном состоянии (инструмент сверху) | Z04 |
| Y5 | сигнал на индикацию – идет рабочий цикл станка | Z05 |
Таблица 3. Таблица обозначений действий, выполняемых в позициях
| Позиции | Назначение |
| Р0 | Исходное состояние (Инструмент сверху) |
| Р1 | Движение инструмента вниз |
| Р2 | Движение инструмента вверх |
| Р3 | Передача сигнала на соседний агрегат и на индикацию оператору(переход в исходное состояние) |
Таблица 4. Таблица переходов
| Позиции | Назначение |
| t0 | Начальное состояние (заготовка установлена на стол) |
| t1 | Движение инструмента вниз |
| t2 | Движение инструмента вверх |
| t3 | Переход при автоматическом цикле |
| t4 | Переход при обычном режиме |
2. Структурная схема МСУ
Граф операций работы отрезного станка
3. Алгоритм управления в виде систем секвенций.
Согласно графу операций работы системы секвенциальные выражения для каждого перехода t данной системы будут иметь вид:
4. Алгоритм управления в виде граф-схемы алгоритмов.
где программа?
Где заключение?
Характеристики
Тип файла документ
Документы такого типа открываются такими программами, как Microsoft Office Word на компьютерах Windows, Apple Pages на компьютерах Mac, Open Office - бесплатная альтернатива на различных платформах, в том числе Linux. Наиболее простым и современным решением будут Google документы, так как открываются онлайн без скачивания прямо в браузере на любой платформе. Существуют российские качественные аналоги, например от Яндекса.
Будьте внимательны на мобильных устройствах, так как там используются упрощённый функционал даже в официальном приложении от Microsoft, поэтому для просмотра скачивайте PDF-версию. А если нужно редактировать файл, то используйте оригинальный файл.
Файлы такого типа обычно разбиты на страницы, а текст может быть форматированным (жирный, курсив, выбор шрифта, таблицы и т.п.), а также в него можно добавлять изображения. Формат идеально подходит для рефератов, докладов и РПЗ курсовых проектов, которые необходимо распечатать. Кстати перед печатью также сохраняйте файл в PDF, так как принтер может начудить со шрифтами.
















