12_glava (1055401), страница 4
Текст из файла (страница 4)
На рис.12.14 представлена схема сумматора К155 ИМ3.
Рис.12.14 Схема сумматора К155 ИМ3.
Сумматор К155 ИМ3 – быстродействующий полный сумматор, осуществляющий арифметическую операцию суммирования двух четырехразрядных слов в двоичном коде. Первое слово входы А0–А3, второе слово входы В0–В3. Вход С – сигнал переноса. Сумма двух слов – выходы С0–СЗ. Выход С – сигнал переполнения. Сумматор работает со словами как положительной (высокий уровень – единица), так и отрицательной (низкий уровень – нуль).
Таблица 2. Суммирование чисел К155ИМ3.
| С | А0 | А1 | А2 | А3 | В0 | В1 | В2 | В3 | С0 | С1 | С2 | С3 | С |
| Н | Н | В | Н | В | В | Н | Н | В | В | В | Н | Н | В |
На рис.12.15 изображена схема счетчика К155 ИЕ5.
К155ИЕ5 – четырехразрядный двоичный счетчик-делитель (рис. 8) на 2, 4, 8, 16. Имеет две части: делитель на два (выход О0; тактовый вход С0) и делитель на восемь (выходы 01–03; тактовый вход С1). Режим работы счетчика ИЕ5 выбирается по таблице 3. При применении счетчика-делителя на 16, соединяются выводы 1 и 12.
Рис.12.15. Схема счетчика К155ИЕ5.
Таблица 3. Режим работы счетчика К155ИЕ5.
| ВХОД | ВЫХОД | ||||
| Р1 | Р2 | О0 | О1 | О2 | О3 |
| В | В | Н | Н | Н | Н |
| Н | В | СЧЕТ | |||
| В | Н | СЧЕТ | |||
| Н | Н | СЧЕТ | |||
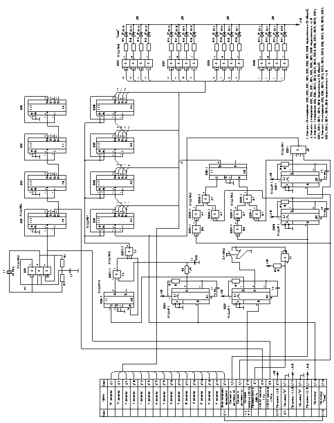
12.6 Описание электрической принципиальной схемы угол-код
Электрическая принципиальная схема угол-код представлена на рис. 17. На базе микросхемы DD1 и кварца C1 сопротивления R1, R2 и емкости C2 разработан генератор кварцевой частоты, выдающий высокостабильные импульсы синхронизации. При помощи счетчиков DD2, DD3, DD4 и DD5 происходит деление кварцевой частоты до 1 Гц и подача их в систему индикации ЦППТ. Импульсы с импульсного датчика, сдвинутые относительно друг друга на 90°, поступают на входы микросхем DD15, DD16, DD19, DD20, где происходит дифференцирование передних фронтов. В микросхеме DD16 происходит логическое сложение этих сигналов и подача их на вход счетчика DD7, далее на DD8, DD9, DD10. В этих счетчиках происходит накопление импульсов, преобразование их в двоичный код. При помощи светодиодов HL0–HL15 происходит высвечивание этого двоичного кода, который пропорционален скорости угла поворота вала электродвигателя. Выходы счетчиков DD7–DD10 соединены со входами микросхем DD13, DD22, DD23, DD24. При помощи микросхем DD14 и DD6-1 осуществляется определение знака направления вращения вала электродвигателя. Микросхемы DD11, DD12, DD6-2 и DD17-1 осуществляют синхронизацию работы электрической схемы угол-код с использованием частоты электрической сети 150 Гц.
Рис. 12.16
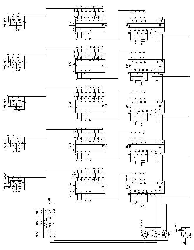
12.7 Описание электрической принципиальной схемы цифровой индикации угла поворота.
Цифровая индикация (рис. 12.17) предназначена для отображения угла поворота вала электродвигателя в десятичном коде при помощи семисегментных индикаторов DD11–DD15, выполненная на микросхемах 3ЛС 324В. На входы 5 и 4 реверсивного счетчика DD6, далее DD7, DD8, DD9, DD10 подаются импульсы угла поворота вала электродвигателя через схему угол-код. Двоичные выходы счетчиков DD6-DD10 соединены со входами дешифраторов семисегментного кода DD1–DD5, выполненных на микросхемах КБ14 ИД2. Выходы дешифраторов соединены со входами индикации.
Рис.12.17 Цифровая индикация угла поворота.
Описание отдельных микросхем, входящих в схему индикации угла поворота.
Микросхемы DD6, DD7, DD8, DD9 представляют собой четырехразрядный двоичный реверсивный счетчик К155 ИЕ6 (рис.12.18), имеющие импульсные тактовые входы на суммирование (+1) и вычитание (-1). Состояние счетчика меняется по положительным периодам тактовых импульсов от низкого уровня к высокому.
Рис. 12.18. Двоичный реверсивный счетчик К155 ИЕ6.
С выходов ³15 и £0 снимаются инверсные сигналы окончания счетов на суммирование и вычитание. Вход PE – инверсный вход записи информации в счетчик. При подаче на этот вход напряжения низкого логического уровня код, зафиксированный ранее на параллельных входах D0, D1, D2, D3, загружается в счетчик и появляется на его выходах независимо от сигналов на тактовых входах. Параллельная загрузка счетчика запрещается, если на входы сброса R подано напряжение высокого уровня.
Микросхемы DD1–DD5 – дешифраторы двоичного кода в семисегментный код (К514 ИД2) – рис. 12.19.
Рис. 12.19 Дешифратор К514 ИД2.
На входы D0, D1, D2, D3 подается двоичный код с реверсивных счетчиков DD6–DD10. Этот двоичный код преобразуется в семисегментный для обеспечения работы цифровой индикации. В таблице 4 представлена работа дешифратора.
Таблица 4. Состояния дешифратора К514 ИД2
12.8 Описание электрической принципиальной схемы аналого-цифровых преобразователей.
Аналого-цифровые преобразователи АЦП1, АЦП2, изображенные на рис.12.21 преобразуют ток и скорость электродвигателя в цифровой двоичный параллельный код. Через интерфейс эта информация поступает в микро-ЭВМ, где формируется сигнал управления цифровым электроприводом. Схема аналого-цифровых преобразователей представлена на рис. 12.20 и состоит из двух АЦП DD5, DD7 – микросхемы К1113ПВ1, двух генераторов импульсов DD1, DD2, DD3, DD4 – микросхемы К155ЛА3. Информация с АЦП DD5 записывается в четыре регистра DD12, DD13, DD14, DD15 – микросхемы К155 ТМ5. Записанная информация высвечивается светодиодами DD1¸DD32, нагруженными на микросхемы К155ЛА8 D16¸DD23. Входы АЦП DD5, DD7 через сопротивления R6 и R14 соединены с операционными усилителями DD4, DD6 – микросхемы К553УД1А. АЦП К1113ПВ1 рис.12.21 работает по принципу последовательного приближения, имеет внутренний источник опорного напряжения, тактовый генератор и компаратор напряжения. Для включения АЦП требуется источник питания и формирователь преобразования. АЦП имеет входные устройства с тремя устойчивыми состояниями, что упрощает его сопряжение с шиной данных микропроцессора. Несколько АЦП могут обслуживать один микропроцессор и наоборот. Режим работы АЦП в микропроцессорной системе определяется управляющими импульсами от микропроцессора. При поступлении на вход «Гашение и преобразования» микросхемы К1113ПВ1 уровня логического «0» АЦП начинает преобразование входной информации. Через время, необходимое для преобразования, на выходе АЦП «Готовность данных»
появляется сигнал с уровнем логической «1», запрашивающий вывод данных с АЦП на шину данных системы.
Приняв данные в системную магистраль, микропроцессор устанавливает на входе «Гашение и преобразования» АЦП уровень логической «1», который «гасит» информацию, содержащуюся в регистре последовательного приближения, и АЦП снова готов к приему и обработке входных данных. Микросхема К1113ПВ1 может обрабатывать входную информацию в виде однополярного аналогового напряжения до 24 В и двухполярного ±5, 12 В.
Рис. 12.20
Р
ис 12.21
12.9 Лабораторная работа “Изучение цифрового электропривода постоянного тока с прямым микропроцессорным управлением”.
Авторы: Буянкин В.М., Кравец В.А., Семенов В.С.
ЧАСТЬ 1.
ОПИСАНИЕ ЛАБОРАТОРНОЙ УСТАНОВКИ
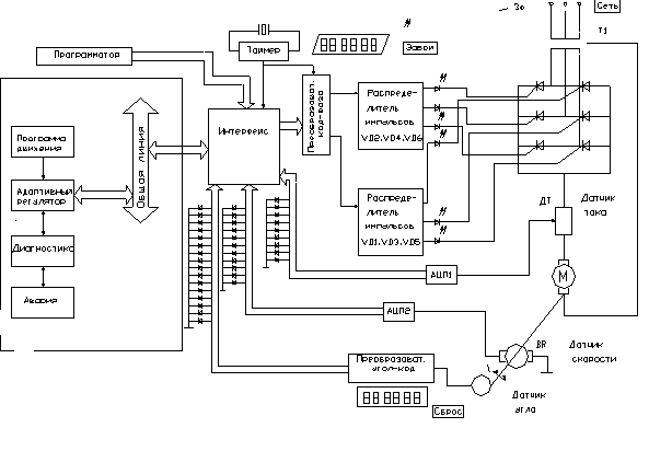
На рисунке !2.22 представлена функциональная схема ЦППТ, которая представляет собой трехконтурную цифровую следящую систему автоматического регулирования. Контуры отрицательной ОС замыкаются с помощью датчиков тока, частоты вращения и угла поворота вала двигателя через микроЭВМ.
ЦППТ состоит из макроЭВМ, интерфейса, преобразователя "код-фаза", распределителей импульсов, блока тиристоров, двигателя постоянного тока, тахогенератора, датчиков тока, частоты вращения и угла поворота вала двигателя, двух АЦП, преобразователя "угол-код", таймера, программатора и нагрузочного устройства.
МикроЭВМ выполняет функцию обработки сигналов с датчиков ОС, осуществляет заданную программу движения. Адаптивный перестраиваемый регулятор, который реализуется программным путём, обеспечивает оптимальные параметры работы ЦППТ.
Кроме того, микроЭВМ осуществляет диагностику работы блоков и yстройств ЦППТ. Канал связи с внешними устройствами в микроЭВМ представляет собой общую шину.
Интерфейс обеспечивает связь внешних устройств с микроЭВМ, дешифрирует адреса датчиков ОС и формирует ответные служебные сигналы. Дешифрованные сигналы соответствующих разрядов используются в качестве сигналов адреса блоков ЦППТ. Интерфейс имеет два канала для передачи от микроЭВМ во внешние устройства и приема данных с внешних устройств. По командам ВВОД или ВЫВОД к общей шине канала микроЭВМ подключаются те или иные внешние устройства.
Р
ис. 12.22
Преобразователь "угол-код" осуществляет измерение угла поворота вала двигателя в параллельном двоичном коде с пятнадцатью разрядами. По запросу от микроЭВМ информация передается в канал приема данных интерфейса.
Преобразователь "код-фаза" преобразует параллельный двоичный код на выходе микроЭВМ в управляющие импульсы, фазовый сдвиг которых прямо пропорционален двоичному коду. Распределители импульсов в определенной последовательности обеспечивают на управляющих электродам тиристоров VDI...VD6 управляющие импульсы.
Таймер, в основу которого входит кварцевый генератор, выдает высокостабильную частоту временных сигналов для синхронизации работы всех узлов ЦППТ.
А Ц П служат для преобразования аналоговых сигналов с датчика тока и тахогенератора в параллельный двоичный код и передачи этих сигналов в мцкроЭВМ.
Блок тиристоров состоит из тиристоров и трехфазного трансформатора, вторичные обмотки которого соединяются а трехфазную звезду с нулевым выводом. Трансформатор согласует напряжение сети с напряжением питания электродвигателя и ограничивает токи коротких замыканий. Электродвигатель одним концом подсоединяется к нулевому выводу вторичных обмоток трансформатора, а другим - к инверторной и выпрямительной группам тиристоров.
Датчик тока представляет собой измерительное устройство резистивного типа.
















