10_glava (1055399)
Текст из файла
238
10. Сопряжение цифровых и аналоговых устройств.
10.1 Назначение, классификация и основные характеристики устройств сопряжения.
Аналого-цифровой преобразователь (АЦП)-устройство, предназначенное для преобразования непрерывно изменяющейся во времени аналоговой физической величены в эквивалентные ей значения числовых кодов.
Цифро-аналоговый преобразователь (ЦАП)-устройство предназначенное для преобразования входной величены, представленной последовательностью числовых кодов, в эквивалентные или значения заданной физической величины.
Все АЦП делятся на устройства:
- последовательного счета;
- поразрадного кодирования;
- метода считывания.
Аналого-цифровые преобразователи, работающие по методу последовательного счета, осуществляют уравновешивание входной аналоговой величины суммой одинаковых эталонов. Момент равенства этих величин фиксируется сравнивающий устройством. На выходе, таких АЦП формируется последовательный единичный код. Далее этот код может быть преобразован к любому требуемому виду.
Аналого-цифровые преобразователи, работающие по методу поразрядного кодирования, используют несколько эталонов. Причем их число равно числу разрядов, а значения пропорциональны весовым коэффициентам выходного позиционного кода. Каждый эталон сравнивается с входной величиной устройством сравнения. Процесс сравнения начинается с эталона, имеющего максимальное значение. В зависимости от результата этого сравнения формируется цифра старшего разряда выходного кода. Если эталон больше входной величины, то в старшем разряде, формируется нулевое значение и производится сравнение входной величины с наибольшим из оставшихся эталонов. Если максимальный эталон оказался меньше входной величины, то в старшем разряде выходного кода формируется сигнал лог. 1 и дальнейшему сравнению подлежит сигнал разности входной величины и максимального эталона. Аналогичные действия выполняются для всех используемых эталонов.
Аналого-цифровые преобразователи, работающие по методу считывания, используют N эталонов (N — число уровней квантования). При этом младший эталон равен h (шагу квантования), следующий 2h и т. д. Входная величина сравнивается с каждым эталоном своим устройством сравнения, в результате чего на выходе устройства формируется параллельный единичный код, в котором число единиц соответствует числу эталонов, выходной сигнал которых меньше входного.
Рассмотрим основные электрические характеристики ЦАП и АЦП. Они подразделяются на статические, которые задают конечную точность преобразования, и динамические, характеризующие быстродействие данного класса устройств. Статические характеристики преобразователей определяются видом характеристики преобразования, которая устанавливает соответствие между значениями аналоговой величины и цифрового кода. К ним относятся:
Число разрядов (b) — число разрядов кода, отображающего исходную аналоговую величину, которое может формироваться на выходе АЦП или подаваться на вход ЦАП. При использовании двоичного кода под b понимают двоичный логарифм от максимального числа кодовых комбинаций (уровней квантования) на выходе АЦП или входе ЦАП.
Абсолютная разрешающая способность — средние значения минимального изменения сигнала на выходе ЦАП (α), или минимального изменения входного сигнала АЦП (т), обусловленные увеличением или уменьшением его кода на единицу.
Значение абсолютной разрешающей способности является мерой измерения всех основных статических характеристик данного класса устройств и часто обозначается как ЕМР (единица младшего разряда), или просто МР (младший разряд).
Абсолютная погрешность преобразования в конечной точке шкалы (δFs)—отклонение реальных максимальных значений входного для АЦП (UIRN) и выходного для ЦАП (UORN) аналоговых сигналов от значений, соответствующих конечной точке идеальной характеристики преобразования (UIRNmax и UORNmax) (рис. 1). Применительно к АЦП наличие δFs означает, что максимальный выходной код будет сформирован на выходе устройства при входном сигнале Uвх = UIRNmax -δFs. По аналогии для ЦАП можно сказать, что при подаче на вход максимального кода его выходное напряжение будет отличаться от UORNmax на величину δFs. Обычно δFs, измеряется в ЕМР. В технической литературе δFs иногда называют мультипликативной погрешностью.
Напряжение смещения нуля U0 — для АЦП это напряжение (Uвх0), которое необходимо приложить к его входу для получения нулевого выходного кода. Для ЦАП — это напряжение, присутствующее на его выходе (Uвых0) при подаче на вход, нулевого кода. Величина U0 обычно выражается в ЕМР.
Рис. 10.1. Идеальная (1) и вариант реальной (2) характеристики преобразования АЦП
Рис.10. 2. Идеальная (1) и вариант реальной (2) характеристики передачи ЦАП
Нелинейность (δL) — отклонение действительной характеристики преобразования от оговоренной линейной, т. е. это разность реального напряжения, соответствующего выбранному значению кода и напряжения, которое должно соответствовать этому коду в случае идеальной характеристики преобразования устройства (рис. 1). Для ЦАП это напряжение измеряется относительно центров ступеней указанных характеристик (рис. 2). В качестве оговоренной линейной характеристики используют либо прямую, проведенную через точки 0 Umax, либо прямую, обеспечивающую минимазацию δL, например, среднеквадратнческое отклонение всех точек которой от реальной характеристики минимально. Величину δL измеряют в ЕМР (δL = δ’L/h) или процентах (δL = 100 δ’L /Umax), где δ’L — абсолютное значение нелинейности. В справочной литературе обычно задается максимально возможная величина δL.
Дифференциальная нелинейность (δLд). Это отклонение действительного шага квантования δ'Lд от его среднего значения (h) (рис. 2). Величина δLд измеряется либо в ЕМР [δLд = (δ'Lд—h)/h], либо в процентах δLд = (δ'Lд —h) *100/ Umax.
Величина дифференциальной нелинейности однозначно связана с понятием монотонности характеристик ЦАП и АЦП. Если | δLд | > 1ЕМР, то приращение выходного сигнала в данной точке характеристики может быть как положительным, так и отрицательным (рис. 2). В последнем случае характеристика преобразования перестает быть монотонной.
ЦАП первого класса используют при работе единственный эталон, число повторений (суммированный, который определяется значением входного единичного кода). Этот код подается на вход ЦАП в последовательной форме.
ЦАП второго класса имеют число эталонов, равное разрядности входного кода. Причем значения этих эталонов пропорциональны величинам весовых коэффициентов используемого кода.
С позиции используемого метода преобразования все ЦАП делятся на :
Устройства, реализующие метод последовательного счета,
устройства, реализующие метод поразрядного кодирования,
устройства, реализующие метод считывания.
Рис.10.3
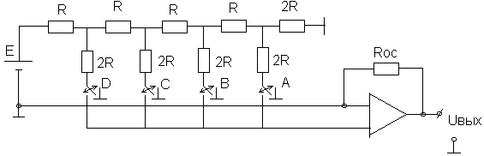
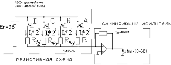
10.2 Цифроаналоговые преобразователи с суммированием токов.
Если все переключатели ABCD замкнуты на общий привод (┴), то входное напряжение равно нулю (0) и выходные равны нулю (0).
Uвых=KuE; Ku=Roc/Rвх;
, x – входной цифровой код (ABCD).
| N10 | Цифровой ввод | Аналоговый выход | |||
D23 | C 22 | B 21 | A 20 | Uвых | |
| 0 | 0 | 0 | 0 | 0 | 0 |
| 1 | 0 | 0 | 0 | 1 | 0,2 |
| 2 | 0 | 0 | 1 | 0 | 0,4 |
| 3 | 0 | 0 | 1 | 1 | 0,6 |
| 4 | 0 | 1 | 0 | 0 | 0,8 |
| 5 | 0 | 1 | 0 | 1 | 1,0 |
| 6 | 0 | 1 | 1 | 0 | 1,2 |
| 7 | 0 | 1 | 1 | 1 | 1,4 |
| 8 | 1 | 0 | 0 | 0 | 1,6 |
| 9 | 1 | 0 | 0 | 1 | 1,8 |
| 10 | 1 | 0 | 1 | 0 | 2,0 |
| 11 | 1 | 0 | 1 | 1 | 2,2 |
| 12 | 1 | 1 | 0 | 0 | 2,4 |
| 13 | 1 | 1 | 0 | 1 | 2,6 |
| 14 | 1 | 1 | 1 | 0 | 2,8 |
| 15 | 1 | 1 | 1 | 1 | 3,0 |
ЦАП с матрицей R-2R
Характеристики
Тип файла документ
Документы такого типа открываются такими программами, как Microsoft Office Word на компьютерах Windows, Apple Pages на компьютерах Mac, Open Office - бесплатная альтернатива на различных платформах, в том числе Linux. Наиболее простым и современным решением будут Google документы, так как открываются онлайн без скачивания прямо в браузере на любой платформе. Существуют российские качественные аналоги, например от Яндекса.
Будьте внимательны на мобильных устройствах, так как там используются упрощённый функционал даже в официальном приложении от Microsoft, поэтому для просмотра скачивайте PDF-версию. А если нужно редактировать файл, то используйте оригинальный файл.
Файлы такого типа обычно разбиты на страницы, а текст может быть форматированным (жирный, курсив, выбор шрифта, таблицы и т.п.), а также в него можно добавлять изображения. Формат идеально подходит для рефератов, докладов и РПЗ курсовых проектов, которые необходимо распечатать. Кстати перед печатью также сохраняйте файл в PDF, так как принтер может начудить со шрифтами.
















