09_glava (1055397)
Текст из файла
202
9.Полупроводниковые запоминающие устройства (ЗУ).
9.1.Назначение, основные параметры, классификация ЗУ.
ЗУ характеризуются рядом параметров:
Емкость ЗУ – определяет максимально возможный объем хранимой в нем информации.
Единицей измерения количества информации является один бит. Это количество информации, соответствующее одному разряду двоичного кодового слова или одной логической константе. Численно бит может принимать значения лог. 0 или лог.1. Обычно информация, равная 1 биту, хранится в одном элементарном запоминающем элементе (ЭЭЭ).
8-ми разрядное кодовое слово называют байтом.
1 Кбайт=103 байт
1 Мбайт=106 байт
1 Гбайт=109 байт
Для более детального определения структуры ЗУ используют понятие организация ЗУ(N L), под которым понимают число кодовых слов(N), хранимых в ЗУ с указанием их длины (разрядности)(L).
Общая емкость ЗУ равна M=N*L
32*8,526*1 – имеют одинаковый объем памяти 256 бит.
Время выборки tA – называется временной интервал между подачей на вход памяти заданного сигнала и получением на выходе данных при условии, что все остальные сигналы поданы.
Время цикла адреса в режиме записи [tya] называют минимальное время совпадения сигналов на управляющих входах памяти, необходимое для надежной записи в нее информации. Аналогично для режима считывания определяется и [tsy(A)RD] – время считывания.
Для надежности работы ЗУ необходимо соблюдение определенных временных соотношений между различными управляющими сигналами.
Эти соотношения задаются:
Время цикла [ty] – интервал между началами (окончаниями) сигналов на любом управляющем входе.
Время длительности действия [tд]- длительность заданного сигнала управления
Время сохранения [tcx]-интервал между началами и окончаниями двух различных управляемых сигналов.
По выполняемой функции УВ можно классифицировать на:
Оперативные запоминающие устройства (ОЗУ)
Постоянные запоминающие устройства (ПЗУ)
Оперативные запоминающие устройства используются для хранения информации, получаемой в процессе работы устройства и обеспечивающие соизмеримые времена ее считывания и записи.
ОЗУ делятся на:
Статические
Записанная информация постоянно хранится в выделенном для нее месте и не разрушается при ее считывании. Разрушение информации возможно только при принудительном стирании или отклонении электропитания.
Динамические
Записанная информация постоянно циркулирует в массиве, отведенном для ее хранения. При этом считывание информации сопровождается ее разрушением. Для сохранения информации ее необходимо перезаписать заново.
Постоянные ЗУ предназначены для хранения информации, остающейся неизменной в течении всего времени эксплуатации устройства.
ПЗУ подразделяются на 3 класса:
масочные ПЗУ
программируемые ПЗУ
ре-программируемые ПЗУ
Обозначение ЗУ.
| Международное обозначение | Русский перевод | Обозначение на микросхемах |
| Random Access Memory (RAM) | Запоминающие устройства с произвольной выборкой (ОЗУ) | РУ |
| Read Only Memory (ROM) | Память только со считыванием (ПЗУ) | РЕ |
| Programable Read Only Memory (PROM) | Программируемые постоянные запоминающие устройства (ППЗУ) | РТ |
| Errasable Programable Read Only Memory (EPROM) | Стираемая программируемая память только со считыванием (ЭРПЗУ) | РР |
| ПЗУ с ультрафиолетовым стиранием и электрической записью информации | РФ |
9.2 ЗУ с одномерной адресацией.
Считывание и запись информации построчно
Рис. 9.1
Структурная схема ЗУ с организацией 4 x 4 М=16 бит
DC – дешифратор адреса.
(WR\RD =0) запись информации с входных шин DI0 DI1 DI2 DI3 через входные элементы подается на входы ЭЗЭ и записывается в них.
(WR\RD =1) считывание информации с выходов шин ЭЗЭ птодача на выходные шины DI0 DI1 DI2 DI3.
Число разрядов слова 4 разряда
Рис.9.2
| Адрес | Разряд Q0 | Разряд Q1 | Разряд Q2 | Разряд Q3 |
| 0 | ||||
| 1 | ||||
| 2 | ||||
| 3 | 1 | 1 | 0 | 0 |
Столбцы Строки
По адресу 3 двоичное слово: 11002 – (310)
Статические ОЗУ на биполярных транзисторах выполнены на основе различных триггерных систем, обладают максимальным быстродействием, используется технология ТТЛ.
Статические ОЗУ на полевых транзисторах позволяют получить более высокую степень упаковки элементов, уменьшить потребляемую мощность, однако при этом быстродействие ОЗУ снижается.
Динамические ОЗУ. Информация хранится в виде заряда на конденсаторе. Недостатком является самопроизвольный разряд конденсатора в течении времени, поэтому появляется необходимость периодического восстановления, регенерации заряда на конденсаторе.
Масочные ПЗУ. Информация записывается непосредственно в процессе их изготовления. Проецирование рисунка чрез фотошаблон, называемый маской.
Прожигаемые ПЗУ. Однократно программируемые. Физический процесс записи осуществляется путем пережигания перемычек между шипами дешифрированного адреса и выходными выводами.
Репрограммируемые ПЗУ. По сути являются электростатическими ЗУ.
Два типа РПЗУ:
-
С применение транзистора с “плавающим затвором“
-
С применением транзистора с двухслойным диэлектриком.
Быстрое считывание информации, возможность ее неоднократной перезаписи.
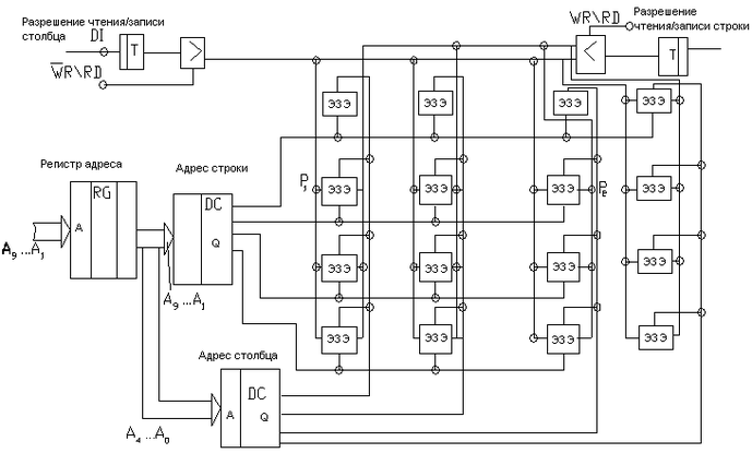
9.3 ЗУ с двумерной адресацией.
Побитовая запись и считывание информации.
Рис.9.3
Каждый ЭЗЭ матрицы содержит не один, а два вывода разрешение работы(CS1,CS2),
Три режима работы:
Хранение, при котором ЭЗЭ отключены от входа и выхода;
Чтение, при котором информация из ЭЗЭ, выбранного по соответствующему адресу, подается на выход;
Запись, при котором информация со входа записывается по указанному адресу.
Каждому ЭЗЭ матрицы присваивается определенный адрес, поиск которого производится указанием номеров соответствующих строки и столбца. Эти номера формируются на выходах дешифраторов. Адрес ЭЗЭ в виде двоичного числа принимается по адресной шине регистром адреса.
9.4 Практические микросхемы ЗУ.
Рис. 9.4
9.5 ЗУ большой емкости для ЭВМ.
Перфокарты, перфолента, магнитная лента, магнитный диск.
Перфокарта
| 124681012141618 | 20 | 22 | 24 | 26283032 | 34363840 | 42444648 | 50525456 | 58606264 | 66687072 | 74767880 |
| 0 | - | - | 1 | 5 | 3 | 8 | 7 | 6 | 5 | |
| 1 | ||||||||||
| 2 | ||||||||||
| 3 | ||||||||||
| 4 | ||||||||||
| 5 | ||||||||||
| 6 | ||||||||||
| 7 | ||||||||||
| 8 | ||||||||||
| 9 | ||||||||||
| 10 | ||||||||||
| 11 | ||||||||||
| 12 |
Перфокарта представляет собой картонный прямоугольник со срезанным верхним левым углом. По длине перфокарта разбивается на 80 колонок по высоте перфокарты может располагаться до 12 строк, в каждой из которых записывается одно число или слово.
Первые 18 колонок – служебная информация (номер карты, номер задачи и т.п.).
В 22 и 24 колонки записывается знак числа и знак порядка
С 26 по 31 – порядок числа.
С 34 по 77 - числа.
Перфолента
Перфолента – это плотная бумажная лента.
синхроштрих
Рис.9.6
Кодирование перфоленты
| № | Регистры | Двоичный код | |||
| Латинский | Русский | цифровой | 1 2 см 3 4 5 | ||
| 1 | A | A | - | | 11000 |
| 2 | В | Б | ? | | 10011 |
| 3 | C | У | : | | 01110 |
| 4 | D | Д | X | | 10010 |
| 5 | E | Е | З | | 10000 |
| 6 | F | Ф | З | | 10110 |
| 7 | G | Г | Ш | | 01011 |
| 8 | H | Х | Щ | | 00101 |
| 9 | J | И | 8 | | 01100 |
| 10 | I | Й | Ю | | 11010 |
| 11 | K | К | ( | | 11110 |
| 12 | L | Л | ) | | 01001 |
| 13 | M | М | . | | 00111 |
| 14 | N | Н | , | | 00110 |
| 15 | O | О | 9 | | 00011 |
| 16 | P | П | 0 | | 01101 |
| 17 | Q | Я | 1 | | 11101 |
| 18 | R | Р | 4 | | 01010 |
| 19 | S | С | ‘(апостроф) | | 10100 |
| 20 | T | Т | 5 | | 00001 |
| 21 | U | У | 7 | | 11100 |
| 22 | V | Ж | = | | 01111 |
| 23 | W | В | 2 | | 11001 |
| 24 | X | Ь | / | | 10111 |
| 25 | Y | Ы | 6 | | 10101 |
| 26 | Z | З | 7 | | 10001 |
Магнитный диск.
Характеристики
Тип файла документ
Документы такого типа открываются такими программами, как Microsoft Office Word на компьютерах Windows, Apple Pages на компьютерах Mac, Open Office - бесплатная альтернатива на различных платформах, в том числе Linux. Наиболее простым и современным решением будут Google документы, так как открываются онлайн без скачивания прямо в браузере на любой платформе. Существуют российские качественные аналоги, например от Яндекса.
Будьте внимательны на мобильных устройствах, так как там используются упрощённый функционал даже в официальном приложении от Microsoft, поэтому для просмотра скачивайте PDF-версию. А если нужно редактировать файл, то используйте оригинальный файл.
Файлы такого типа обычно разбиты на страницы, а текст может быть форматированным (жирный, курсив, выбор шрифта, таблицы и т.п.), а также в него можно добавлять изображения. Формат идеально подходит для рефератов, докладов и РПЗ курсовых проектов, которые необходимо распечатать. Кстати перед печатью также сохраняйте файл в PDF, так как принтер может начудить со шрифтами.
















