03_glava (1055385)
Текст из файла
56
3. Типовые функциональные узлы комбинационных логических устройств.
3.1 Мультиплексоры.
Мультиплексором называется комбинационное логическое устройство, предназначенное для управляемой передачи данных от нескольких источников информации в один выходной канал.
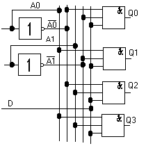
D0
Мультиплексор имеет один выход и две
группы входов: информационные и адресные.
D1 А0,А1
в
ходы Q
D2
Выход Рис. 3.1
D3
Код подаваемый на адресные входы определяет, какой из информационных входов в данный момент подключен к выходному выводу.
Поскольку n-разрядный двоичный код может принимать 2n значений, то, если число адресных входов мультиплексора равно n, число его информационных входов должно равняться 2n.
Рис 3.2 Мультиплексор
Таблица 3.1
| A1 | A0 | Q |
| 0 | 0 | D0 |
| 0 | 1 | D1 |
| 1 | 0 | D2 |
| 1 | 1 | D3 |
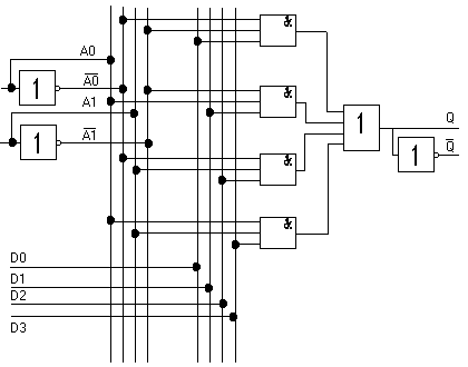
3.2 Демультиплексоры
Демультиплексором называется комбинационное логическое устройство, предназначенное для управляемой передачи данных от одного источника информации в несколько выходных каналов.
Согласно данному определению, демульплексор в общем случае имеет один информационный вход, n адресных входов и 2n выходов.
Q0
D
A0A1 Q1
в
ход Выход Рис. 3 3
Q2
Q3
Таблица 3.2
| A1 | A0 | Q0 | Q1 | Q2 | Q3 |
| 0 | 0 | D | 0 | 0 | 0 |
| 0 | 1 | 0 | D | 0 | 0 |
| 1 | 0 | 0 | 0 | D | 0 |
| 1 | 1 | 0 | 0 | 0 | D |
Q3=DA1A0
Рис 3.4 Демультиплексор
3.3 Шифраторы
Шифратором называется комбинационное устройство, для преобразования чисел из десятичной системы исчисления в двоичную. Рис. 3.5
Таблица 3.3
| X1 | X2 | X3 | X4 | X5 | X6 | X7 | X8 | X9 | Y1 | Y2 | Y4 | Y8 |
| 0 | 0 | 0 | 0 | 0 | 0 | 0 | 0 | 0 | 0 | 0 | 0 | 0 |
| 1 | 0 | 0 | 0 | 0 | 0 | 0 | 0 | 0 | 1 | 0 | 0 | 0 |
| 0 | 1 | 0 | 0 | 0 | 0 | 0 | 0 | 0 | 0 | 1 | 0 | 0 |
| 0 | 0 | 1 | 0 | 0 | 0 | 0 | 0 | 0 | 1 | 1 | 0 | 0 |
| 0 | 0 | 0 | 1 | 0 | 0 | 0 | 0 | 0 | 0 | 0 | 1 | 0 |
| 0 | 0 | 0 | 0 | 1 | 0 | 0 | 0 | 0 | 1 | 0 | 1 | 0 |
| 0 | 0 | 0 | 0 | 0 | 1 | 0 | 0 | 0 | 0 | 1 | 1 | 0 |
| 0 | 0 | 0 | 0 | 0 | 0 | 1 | 0 | 0 | 1 | 1 | 1 | 0 |
| 0 | 0 | 0 | 0 | 0 | 0 | 0 | 1 | 0 | 0 | 0 | 0 | 1 |
| 0 | 0 | 0 | 0 | 0 | 0 | 0 | 0 | 1 | 1 | 0 | 0 | 1 |
3
Рис 3.6 Схема шифратора.
.4 ДешифраторДешифратором называется комбинационное логическое устройство для преобразования чисел из двоичной системы исчисления в десятичную.
20 A1 DC Q1
Q2
21 A2 Q3
в
ход Q4
22 A4 Q5 выход Q
Q6
23 A8 Q7
Q8
Q9 Рис. 3.7
Таблица 3.4
| счет | входной код А | выходной код Q | |||||||||||
| А1 | А2 | А4 | А8 | Q1 | Q2 | Q3 | Q4 | Q5 | Q6 | Q7 | Q8 | Q9 | |
| 0 | 0 | 0 | 0 | 0 | 0 | 0 | 0 | 0 | 0 | 0 | 0 | 0 | 0 |
| 1 | 1 | 0 | 0 | 0 | 1 | 0 | 0 | 0 | 0 | 0 | 0 | 0 | 0 |
| 2 | 0 | 1 | 0 | 0 | 0 | 1 | 0 | 0 | 0 | 0 | 0 | 0 | 0 |
| 3 | 1 | 1 | 0 | 0 | 0 | 0 | 1 | 0 | 0 | 0 | 0 | 0 | 0 |
| 4 | 0 | 0 | 1 | 0 | 0 | 0 | 0 | 1 | 0 | 0 | 0 | 0 | 0 |
| 5 | 1 | 0 | 1 | 0 | 0 | 0 | 0 | 0 | 1 | 0 | 0 | 0 | 0 |
| 6 | 0 | 1 | 1 | 0 | 0 | 0 | 0 | 0 | 0 | 1 | 0 | 0 | 0 |
| 7 | 1 | 1 | 1 | 0 | 0 | 0 | 0 | 0 | 0 | 0 | 1 | 0 | 0 |
| 8 | 0 | 0 | 0 | 1 | 0 | 0 | 0 | 0 | 0 | 0 | 0 | 1 | 0 |
| 9 | 1 | 0 | 0 | 1 | 0 | 0 | 0 | 0 | 0 | 0 | 0 | 0 | 1 |
Характеристики
Тип файла документ
Документы такого типа открываются такими программами, как Microsoft Office Word на компьютерах Windows, Apple Pages на компьютерах Mac, Open Office - бесплатная альтернатива на различных платформах, в том числе Linux. Наиболее простым и современным решением будут Google документы, так как открываются онлайн без скачивания прямо в браузере на любой платформе. Существуют российские качественные аналоги, например от Яндекса.
Будьте внимательны на мобильных устройствах, так как там используются упрощённый функционал даже в официальном приложении от Microsoft, поэтому для просмотра скачивайте PDF-версию. А если нужно редактировать файл, то используйте оригинальный файл.
Файлы такого типа обычно разбиты на страницы, а текст может быть форматированным (жирный, курсив, выбор шрифта, таблицы и т.п.), а также в него можно добавлять изображения. Формат идеально подходит для рефератов, докладов и РПЗ курсовых проектов, которые необходимо распечатать. Кстати перед печатью также сохраняйте файл в PDF, так как принтер может начудить со шрифтами.
















