14_glava (1055405)
Текст из файла
435
14. Электронные приборы
14.1 Полупроводниковые диоды, основные характеристики диодов
Основные стандарты: ГОСТ 19613-80.- Диоды полупроводниковые. Столбы и блоки выпрямительные. Корпуса. Габаритные и присоединительные размеры. ГОСТ 25529-82.- Диоды полупроводниковые. Термины, определения и буквенные обозначения параметров.
Общая характеристика: Полупроводниковый диод – двухэлектродный прибор, принцип действия которого основан на использовании явлений, возникающих между частями монокристалла полупроводника с проводимостями р- и n- типа. Полупроводнмковые диоды широко применяются в схемах, работающих в непрерывных и импульсных режимах, и деляться по назначению па выпрямительные (в том числе универсальные диоды, работающие в широком диапозоне частот), импульсные, варикапы, стабилитроны (опорные диоды), туннельные.
Основными параметрами полупроводниковых диодов являются: постоянный прямой ток Iп – ток через диод в прямом направлении; постоянный обратный ток Iобр – ток через диод в обратном направлении рис 14.1
Максимально допустимый средний выпрямленный ток Iвп.ср.max.(средний за период, постоянная составляющая), которой может длительно проходить через диод, не вызывая изменения его параметров; максимально допустимое обратное постоянное прямое напряжение Uобр.max, которое может быть в течение длительного времени приложено к диоду в обратном направлении, не вызывая изменения его параметров; емкость CД – между выводами диода; габариты; диапазон рабочих температур.
На рис.14 .2, .3 показаны габаритные чертежи и цоколевка диодов. В таблицах 14.1, 14.2, 14.3, 14.4 приведены основные параметры диодов. На рисунке 14.4 показаны габаритные чертежи и цоколевка стабилизаторов. В таблицах 14.5, 14.6 приведены основные параметры стабилизаторов.
Рис.14. 1. Вольт-амперная характеристика для диода.
Р
ис.14.2 Габаритные чертежи и цоколевка диодов
Р
ис.14.3 Габаритные чертежи и цоколевка диодов
Таблица 14.1
Р
ис .14.4.Габаритные чертежи и цоколевка стабилитронов
14.2 Светодиоды
Светодиоды – полупроповодниковые приборы, преобразующие электрические сигналы в световые.
Основными характеристиками светодиодов являются его яркостная (или ватт-амперная) характеристика, прямой ток, прямое и обратное напряжение.
Для изготовления светодиодов используются такие полупроводниковые материалы, как, например, арсенид и фосфид галлия. Спектральный состав излучения завмсит от материала полупроводника и введенных примесей.Так, длина волны излучения приборов из фосфида галлия соответствует зеленому цвету. Светодиоды нуждаутся в источнике питания в большим внутренним сопротивлением. Для этого последовательно с источником питания включают резистор Р, что уменьшает наклон яркостных характеристик, и проходящий через светодиод ток меньше зависит от напряжения питания.
В группу светодиодов помимо светоизлучающих диодов входят также инфракрасные излучающие диоды ИК и линейные шкалы.
Основные параметры ИК-диодов – прямое и обратное наряжения и прямой ток.
ИК-диоды широко применяются в схемах автоматизации и автоматического регулирования.
Линейные шкалы (светящиеся столбики) изготавливают в виде пластин на основе светоизлучающих диодов и представляют собой интегральную схему, в которой размещены электрически соединенные светодиоды. Их электрические и эксплуатационные характеристики такие же, как у светодиодов. Линейные шкалы используются для быстрого наглядного изображения изменяющейся информации многоканальных систем.
Светодиоды обладают низким кпд, а некоторые из них могут также с течением времени изменять отдельные параметры.
На рис.14.5 показаны габаритные чертежи и цоколевка светодиодов.
Цифро-буквенные индикаторы: на основе светодиодов представляютсобой интегральную микросхему, состоящую из электрически соединенныхдиодных сегментов, которые, высвечивая создают изображение: цифры или буквы.
В таблице 14.8 приведены основные параметры цифро-буквенныхиндикаторов.
Таблица 14.6
Примеры расчетов диодов
Пример1 Для питания постоянным током потребителя мощностью Po= 300 вт при напряжении Uo=20в необходимо собрать схему однополупериодного вып-
рямителя, использовав имеющиеся стандартные диоды КД 202Л.
Решение
-
Выписываем из таблицы 14.1 параметры диода Iдоп=10 А
Uобр=200В
-
Определяем ток потребителя
Io=Po/Uo=300/20=15А
-
Определяем напряжение, действующее на диод в нероводящий период
Uo=3,14 Uo=3,14 20=63А.
-
Проверяем диод по параметрам Iдоп и Uобр. Для данной схемы диод должен удовлетворять условиям Uобр >Uо, Iдоп>Io. В данном случае первое условие выполняется (200>63В), второе условие не соблюдается (10<15 А)
5. Составляем схему выпрямителя. Чтобы выполнялось условие Iдоп>Io надо двадиода соединить параллельно, тогда Iдоп=2 10 =20А; 20>15А
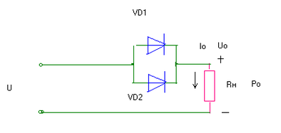
Рис 14.6
Пример 2 Для питания постоянным током потребителя мощностью Po=250вт при напряжении Uo=100В необходимо собрать схему двухполупериодного выпрямителя со средней точкой трансформатора использовав диоды КД204Б.
Решение 1.Выписываем параметры диода из таблицы 14.1 Iдоп=2.5А,Uобр=200В.
2.Определяем ток потребителя Io=Po/Uo=250/100=2.5А
3.Определяем напряжение, действующее на диод в непроводящий период: Un=3.14 Uo=3.14 100=314В.
4. Проверяем диод по параметрам Iдоп и Uобр. Для данной схемы диод должен удовлетворять условиям Uобр >Un и Iдоп>0.5Io. В данном случае первое условие не соблюдается (200<314), т.е.Uобр< Un, второе условие выполняется (0.5Io=0.5 2.5=1.25<2.5А)
5. Составляем схему выпрямителя. Чтобы выполнялось условие Uобр>Un,необходимо два диода соеденить последовательно, тогда Uобр=200 2=400>314В.
Р
ис 14.7
Пример 3 Составить схему мостового выпрямителя, использовав один из четырех диодов Д218, Д222, КД202Н, Д215Б. Мощность потребителя Ро=300 вт,
Напряжение Uo=200 В.
Решение 1.Выбираем параметры указанных диодов и записыва ем их в таблицу
| Типы диодов | Iдоп А | Uобр В |
| Д218 | 0.1 | 1000 |
| Д222 | 0.4 | 600 |
| КД202Н | 1 | 500 |
| Д215Б | 2 | 200 |
2.Определяем ток потребителя
Io=Po/Uo=300/200=1.5A
3. Находим напряжение,действующее на диод в непроводящий период для момстовой схемы выпрямителя.
Uв =1.57Uo=1.57 200=314В
4.Выбираем диод из условия Iдоп>0.5Io>0.5 1.5>0.75 А. Uобр>Uв>314В. Этим условиям удовлетворяет диод КД 202Н.
П
ример 4 Расчитать схему трехфазного выпрямителя со средней точкой трансформатора использовав диоды КД 212А. Выпрямитель должен питать потребитель с Uo=150 В. Определить допустимую мощность потребителя.
Решение 1. Выписываем параметры диода из таблицы 14.1 Iдоп=1А, Uобр= 200А
2. Определяем допустимую мощность потребителя. Для трехфазного выпрямителя Iдоп>(1/3) Io, т.е.Ро= 3UoIдоп=3 150 1=450вт.
Следовательно, для данного выпрямителя Ро >450 вт.
3. Определяем напряжение, действующее на диод в непроводящий период: Un=2.1Uo=2.1 150 315В.
4. При составлении схемы выпрямителя, чтобы условие Un>Uобр выполнялось необходимо, чтобы в плече каждого было по два последовательно соединенных диода, тогда Uобр= 200 2 =400В. (400>315).
Рис. 14.9
14.3 Транзисторы, сновные характеристики транзисторов
Основные стандарты на транзисторы: ГОСТ 20003-74 – Транзисторы биполярные. Электрические параметры. Термины, определения буквенные обозначения. ГОСТ 19095-73. – Транзисторы полевые. Электрические параметры. Термины, определения и буквенные обозначения. ОСТ 11336.907.8-81. – Транзисторы биполярные. Руководство по применению. ОСТ 11336.935-82. – Тразисторы полевые. Руководство по применению.
Транзистор – полупроводниковый трехэлектродный прибор, предназначенный для усиления, генерирования или преобразования электрических сигналов и переключения электрических импульсов в схемах. Он представляет собой кристалл со структурой p-n-p или п-р-п – типа с тремя выводами, связанными с тремя слоями (областями). Средний слой называется базой Б. Один наружный слой, который является источником носителей зарядов – электронов или дырок, называют эмиттером Э, а другой, принимающие от эмиттера заряды, - коллектором . Физические процессы, протекающие в р-п-р и п-р-п – транзисторах, аналогичны. Разница сотоит лишь в том, что при одинаковых рабочих режимах напряжения на одноименных электродах имеют противоположную полярность (отрицательное на коллекторах транзисторов р-п-р – типов и положительное п-р-п – типов) и ток в базах преносится носителями зарядов противоположного знака. Существуют также униполярные (однополярные) транзисторы, в которых ток переносится только одним типом носителей – основных для данного полупроводника. Такие транзисторы называют полевыми. На рис.14.10 представлена выходная характеристика транзистора.
Основными параметрами транзисторов являются: коэффициент передачи тока; постоянное напряжение коллектор-эмиттер при заданном сопротивлении в цепи база-эмиттер Uкэr; постоянное напряжение эмиттер-база Uэб; постоянное напряжение коллектор-база Uкб; постоянный ток коллектора Iк, эмиттера Iэ, базы Iб; импульсные токи коллектора IКи; эмиттера IЭи, базы IБи; постоянные мощности рассеяния транзистора Р и
Р
ис. 14.10
коллектора Рк; температура окружающей среды Т.
Максимально допустимые электрические и тепловые режимы, в которых могут использоваться транзисторы, в основном, характеризубтся предельными эксплуатационными данными параметров UкэR, Uкб, Uэб, Iк, Iб, IКи, Р, Рк, Т.
Основными параметрами полевых тразисторов являются: напряжение отсечки UЗИотс – приложенное к затвору напряжение, при котором перекрывается сечение канала; максимально допустимый ток стока I c.max; напряжение между затвором и стоком UЗС; между стоком и истоком UСИ и между затвором и истоком UЗИ, входная С11И, проходная С12И и выходная С22И емкости; крутизна характеристики коэффициент шума – Кш; электродвижущая сила шума Еш.
Характеристики
Тип файла документ
Документы такого типа открываются такими программами, как Microsoft Office Word на компьютерах Windows, Apple Pages на компьютерах Mac, Open Office - бесплатная альтернатива на различных платформах, в том числе Linux. Наиболее простым и современным решением будут Google документы, так как открываются онлайн без скачивания прямо в браузере на любой платформе. Существуют российские качественные аналоги, например от Яндекса.
Будьте внимательны на мобильных устройствах, так как там используются упрощённый функционал даже в официальном приложении от Microsoft, поэтому для просмотра скачивайте PDF-версию. А если нужно редактировать файл, то используйте оригинальный файл.
Файлы такого типа обычно разбиты на страницы, а текст может быть форматированным (жирный, курсив, выбор шрифта, таблицы и т.п.), а также в него можно добавлять изображения. Формат идеально подходит для рефератов, докладов и РПЗ курсовых проектов, которые необходимо распечатать. Кстати перед печатью также сохраняйте файл в PDF, так как принтер может начудить со шрифтами.
















