05_glava (1055389)
Текст из файла
25
5. Счетчики.
5.1 Основные параметры и классификация счетчиков.
Счетчиком называют устройство, которое производит подсчет поступающих на его вход импульсов.
Основным параметром счетчика является модуль счета М, который характеризует максимальное число импульсов, после прихода которого, счетчик устанавливается в исходное положение.
Основным динамическим параметром, определяющим быстродействие счетчика, является время установления выходного кода tk , характеризующее временный интервал между моментом подачи входного сигнала и моментом установления нового кода на выходе.
По значению модуля счетчики делятся на:
Двоичные, модуль счета которых равен целой степени числа 2 (М=2n)
Двоично-кодированные, в которых модуль счета может принимать любое, не равное целой степени числа 2, значение
По направлению счета делятся на:
Суммирующие, выполняющие микрооперацию инкремента над хранящимся кодовым словом;
Вычитающие, выполняющие микрооперацию декремента над хранящимся кодовым словом;
Реверсивные, выполняющие в зависимости от значения управляющего сигнала над хранящимся кодовым словом либо микрооперацию декремента или инкремента.
По способу организации межразрядных связей счетчика делятся на:
Счетчики с последовательным переносом, в котором переключение триггеров разрядных схем осуществляется последовательно один за другим;
Счетчики с параллельным переносом, в котором переключение всех триггеров разрядных схем осуществляется одновременно по сигналу синхронизации;
Счетчики с комбинированным последовательно-параллельным переносом, при котором используется различные комбинации способов переноса.
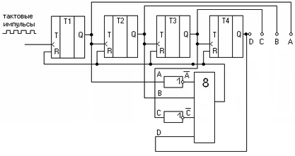
5.2 Суммирующий счетчик по модулю 16.
Рис.5.1
2
0
21
22
23
Рис. 5.2 Рис. 5.3
| Десятичный счет | Двоичный счет | |||
| А | В | С | D | |
| 0 | 0 | 0 | 0 | 0 |
| 1 | 1 | 0 | 0 | 0 |
| 2 | 0 | 1 | 0 | 0 |
| 3 | 1 | 1 | 0 | 0 |
| 4 | 0 | 0 | 1 | 0 |
| 5 | 1 | 0 | 1 | 0 |
| 6 | 0 | 1 | 1 | 0 |
| 7 | 1 | 1 | 1 | 0 |
| 8 | 0 | 0 | 0 | 1 |
| 9 | 1 | 0 | 0 | 1 |
| 10 | 0 | 1 | 0 | 1 |
| 11 | 1 | 1 | 0 | 1 |
| 12 | 0 | 0 | 1 | 1 |
| 13 | 1 | 0 | 1 | 1 |
| 14 | 0 | 1 | 1 | 1 |
| 15 | 1 | 1 | 1 | 1 |
| 16 | 0 | 0 | 0 | 0 |
5.3 Суммирующий счетчик по модулю 10
Рис. 5.4
| Десятичный счет | Двоичный счет | |||
| А | В | С | D | |
| 0 | 0 | 0 | 0 | 0 |
| 1 | 1 | 0 | 0 | 0 |
| 2 | 0 | 1 | 0 | 0 |
| 3 | 1 | 1 | 0 | 0 |
| 4 | 0 | 0 | 1 | 0 |
| 5 | 1 | 0 | 1 | 0 |
| 6 | 0 | 1 | 1 | 0 |
| 7 | 1 | 1 | 1 | 0 |
| 8 | 0 | 0 | 0 | 1 |
| 9 | 1 | 0 | 0 | 1 |
| 10 | 0 | 0 | 0 | 0 |
| 11 | 1 | 0 | 0 | 0 |
Рис. 5.5
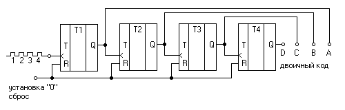
5.4 Вычитающий счетчик по модулю 8
Рис. 5.6
| Номер тактового импульса | Двоичная счетная последовательность | Десятичные числа | ||
| C | B | A | ||
| 0 | 1 | 1 | 1 | 7 |
| 1 | 1 | 1 | 0 | 6 |
| 2 | 1 | 0 | 1 | 5 |
| 3 | 1 | 0 | 0 | 4 |
| 4 | 0 | 1 | 1 | 3 |
| 5 | 0 | 1 | 0 | 2 |
| 6 | 0 | 0 | 1 | 1 |
| 7 | 0 | 0 | 0 | 0 |
| 8 | 1 | 1 | 1 | 7 |
| 9 | 1 | 1 | 0 | 6 |
п
редустановка
Рис. 5.7
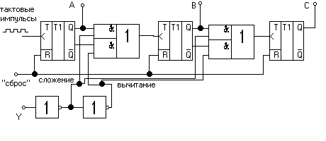
5.5 Реверсивный счетчик
Рис. 5.8
| Номер тактового импульса на входе | Двоичный код на выходе | Десятичные числа | ||
| A | B | C | ||
| 1 | 1 | 0 | 0 | 1 |
| 2 | 0 | 1 | 0 | 2 |
| 3 | 1 | 1 | 0 | 3 |
| 4 | 0 | 0 | 1 | 4 |
| 5 | 1 | 1 | 0 | 3 |
| 6 | 0 | 1 | 0 | 2 |
| 7 | 1 | 0 | 0 | 1 |
| 8 | 0 | 0 | 0 | 0 |
сложение
в
ычитание
Рис. 5.9
5.6 Кольцевой счетчик
Рис. 5.10
| Номер тактового импульса на входе | Двоичный код на выходе | ||
| A | B | C | |
| 0 | 1 | 0 | 0 |
| 1 | 0 | 1 | 0 |
| 2 | 0 | 1 | 0 |
| 3 | 0 | 0 | 1 |
| 4 | 0 | 0 | 1 |
| 5 | 0 | 0 | 0 |
Характеристики
Тип файла документ
Документы такого типа открываются такими программами, как Microsoft Office Word на компьютерах Windows, Apple Pages на компьютерах Mac, Open Office - бесплатная альтернатива на различных платформах, в том числе Linux. Наиболее простым и современным решением будут Google документы, так как открываются онлайн без скачивания прямо в браузере на любой платформе. Существуют российские качественные аналоги, например от Яндекса.
Будьте внимательны на мобильных устройствах, так как там используются упрощённый функционал даже в официальном приложении от Microsoft, поэтому для просмотра скачивайте PDF-версию. А если нужно редактировать файл, то используйте оригинальный файл.
Файлы такого типа обычно разбиты на страницы, а текст может быть форматированным (жирный, курсив, выбор шрифта, таблицы и т.п.), а также в него можно добавлять изображения. Формат идеально подходит для рефератов, докладов и РПЗ курсовых проектов, которые необходимо распечатать. Кстати перед печатью также сохраняйте файл в PDF, так как принтер может начудить со шрифтами.
















