04_glava (1055387)
Текст из файла
103
4.Триггеры.
4.1 Классификация триггеров.
Триггером называется электронное последовательстное устройство, с помощью которого, записывается, хранится и считывается двоичная информация. Триггер имеет два устойчивых состояния:1 или 0.
Классификация информационных входов:
R-раздельный вход сброса триггера(Q=0);
S- раздельный вход установки триггера(Q=1);
K-вход сброса универсального триггера(Q=0);
J- вход установки универсального триггера(Q=1);
T-счетный вход триггера;
D-информационный вход триггера;
C-синхронизирующий вход триггера;
V-блокирующий вход триггера.
Различают триггеры: RS, D, T, JK, VD, и VT.
По моменту реакции на входной сигнал триггеры подразделяют на асинхронные и синхронные.
Асинхронный триггер изменяет свое состояние непосредственно в момент изменения сигнала на его информационных выходах.
Синхронный триггер изменяет свое состояние лишь в строго определенные тактовые моменты времени при наличии сигнала С.
По виду активного логического сигнала различают статические - управляемые уровнем, и динамические – управляемые переходом входного сигнала.
4.2 Одноступенчатые триггеры.
Рис.4.2
Рис. 4.3
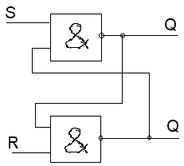
4.3 RS-триггер на базе элементов и-не.
Рис. 4.5
| Sk | Rk | Qk | |
| 0 | 0 | X | Запрещено |
| 0 | 1 | 1 | Установка в 1 |
| 1 | 0 | 0 | Установка в 0 |
| 1 | 1 | Qk-1 | Хранение |
Рис. 4.7
4.4 RSC- триггеры с синхронным входом.
| С | SK | RK | QK | |
| 1 | 0 | 0 | QK-1 | хранение |
| 1 | 1 | 0 | 1 | Установка 1 |
| 1 | 0 | 1 | 0 | Установка 0 |
| 1 | 1 | 1 | x | запрет |
Рис. 4.10
4.5 D-триггер(delay-задержка)
Он просто передает информационный сигнал с входа D на выход Q с задержкой на один такт.
(
б)
D-триггеры часто называют триггером с задержкой. Слово задержка здесь характеризует то, что происходит с данными, поступающими на вход D. Информационный сигнал (0 или 1), поступающий на этот вход, задерживается в триггере ровно на один такт, прежде чем появляется на выходе Q.
Характеристические таблицы.
Т
аблица переходов. Рис. 4.13
| D | QK qK |
| 0 | 00 |
| 1 | 01 |
| 0 | 10 |
| 1 | 11 |
DV триггер
Рис. 4.14
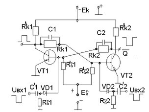
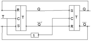
4.6 Двухступенчатые триггеры.
Т-триггер
А
синхронный Т-триггер переключается каждый раз, когда на вход Т поступает управляющий сигнал. Т-триггер часто называют счетным триггером, который изменяет свое состояние на противоположное по каждому активному логическому сигналу, действующему на информационном входе Т. Рис. 4.15
Рис. 4.16
Рис. 4.17
Р
ис. 4.18
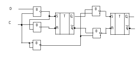
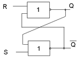
4.7 JK- триггеры.
JK- триггер является универсальным триггером, т.к. на его базе могут быть выполнены любые триггеры.
Рис. 4.21 Рис. 4.22
Во время действия тактового импульса (ТИ) (с
=1) информация, определенная состоянием входов Y и R записывается в основной триггер RS1, а по окончании ТИ(с=0)информация переписывается во вспомогательный триггер RS 2.
Характеристическая таблица.
| С | JK | KK | QK | |
|
| 0 | 0 | QK-1 | Хранение |
| | 0 | 1 | 0 | Сброс 0 |
|
| 1 | 0 | 1 | Установка 1 |
|
| 1 | 1 | QK-1 | Переключено |
Таблица переходов.
Рис 4.23
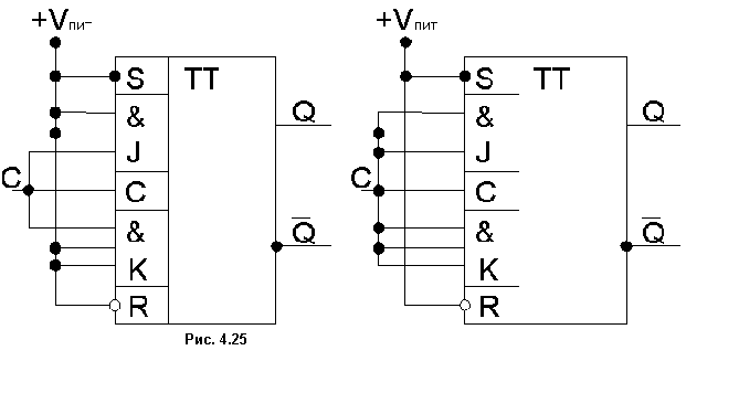
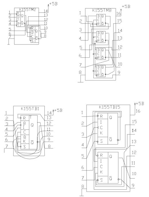
4.8 Практические схемы триггеров
Условные обозначения микросхем триггеров.
| Обозначение | Вид микросхемы |
| ТВ | JK триггер |
| ТD | Динамический триггер |
| ТК | Триггер комбинированный(DT, RST) |
| ТЛ | Триггер Шмитта |
| ТМ | Триггер типа D (с задержкой) |
| ТР | Триггер RS (с раздельным запуском) |
| ТТ | Триггер Т (счетный) |
Рис. 4.24
4.9 СЕМИНАР №3. Триггеры.
Задача 3.1
Используя элемент ИЛИ-НЕ (К155ЛЕ1) выполнить асинхронный RS-триггер. Записать таблицу состояний.
Построить графики изменений его выходных сигналов под воздействием входных. Составить таблицы: переходов и характеристическую. Получить характеристическое уравнение.
Задача 3.2
Выполнить асинхронный инверсный
триггер на ИС К155ЛА3. 4.2 И-НЕ. Записать таблицу состояний. Построить графики изменений выходных сигналов. Составить таблицы переходов и характеристическую. Получить характеристическое уравнение. Составить на К155ЛА3 схему RS-триггера.
Задача 3.3
Рассмотреть работу D-триггера с динамическим управлением (К155ТМ2). Изобразить его логическую структуру. Записать таблицу состояний. Построить графики изменений выходных сигналов. Составить таблицы переходов и характеристическую. Получить характеристическое уравнение, отметить главное свойство D-триггера – независимость его выходных сигналов от исходного состояния, он является только элементом памяти.
Задача 3.4
Рассмотреть работу JK-триггера на ИС К155ТВ1. Записать таблицу состояний. Построить графики изменений выходных сигналов. Составить таблицы переходов и характеристическую. Записать характеристическое уравнение.
Задача 3.5
Как будут функционировать триггеры рис. 3.5? В чём различие обстоятельств их применения?
Задача 3.6
Изобразить схему использования JK-триггера в качестве RSC-триггера. Как использовать JK-триггер в качестве D-триггера? Каким он будет: со статическим или динамическим управлением?
4.10 Лабораторная работа “Исследование триггеров”.
Авторы: Атаманов В.Н.,Лаврентьев В.В.
Характеристики
Тип файла документ
Документы такого типа открываются такими программами, как Microsoft Office Word на компьютерах Windows, Apple Pages на компьютерах Mac, Open Office - бесплатная альтернатива на различных платформах, в том числе Linux. Наиболее простым и современным решением будут Google документы, так как открываются онлайн без скачивания прямо в браузере на любой платформе. Существуют российские качественные аналоги, например от Яндекса.
Будьте внимательны на мобильных устройствах, так как там используются упрощённый функционал даже в официальном приложении от Microsoft, поэтому для просмотра скачивайте PDF-версию. А если нужно редактировать файл, то используйте оригинальный файл.
Файлы такого типа обычно разбиты на страницы, а текст может быть форматированным (жирный, курсив, выбор шрифта, таблицы и т.п.), а также в него можно добавлять изображения. Формат идеально подходит для рефератов, докладов и РПЗ курсовых проектов, которые необходимо распечатать. Кстати перед печатью также сохраняйте файл в PDF, так как принтер может начудить со шрифтами.
0
1
0
1
1
1















