01_glava (1055380)
Текст из файла
7
1. Работа полупроводниковых приборов в ключевом режиме.
1.1 Ключи на транзисторах.
Работу транзистора в точках А и Б можно рассмотреть в виде ключа. В точке А ключ замкнут, в точке Б ключ разомкнут.
Ключ - элемент, осуществляющий под действием управляющих сигналов различные коммутации, включение и выключение источников питания. В статическом режиме ключ находится в одном из двух состояний: включенном или выключенном.
Примером простейшей ключевой схемы является ключ, построенный на биполярном транзисторе. В статическом режиме транзистор закрыт (точка Б на входной характеристике), либо открыт (точка А)
В точке Б ток коллектора Ik = 0 и на входе ключа действует уровень низкого напряжения, режим работы транзистора называют режимом отсечки.
В точке А ток коллектора Imax = E/Rk и на входе ключа действует высокий уровень напряжения, режим работы транзистора называют режимом насыщения.
Входной и выходной сигналы являются цифровыми сигналами с напряжениями Высокого и Низкого уровня.
Высокий уровень является логической единицей, Низкий уровень - логическим нулем.
Транзисторный ключ Обычный переключатель
Рис. 1.1 Рис. 1.2
Выходная характеристика
| Uвх | Uвых |
| 0 | 1 |
| 1 | 0 |
Рис. 1.3
Возможные схемы коммутации ключа
Последовательная коммутация
Параллельная коммутация
Последовательно-параллельная коммутация
Рис 1.4 Рис 1.5 Рис. 1.6
1.2 Транзисторно-транзисторная логика. (ТТЛ)
На начальном этапе развития цифровой электроники было разработано большое число всевозможных схемотехнических pешений, реализующих основные логические операции. Однако широкое практическое использование получили только некоторые из них. Эти элементы наилучшим образом сочетают ряд важных как для потребителя, так и для изготовителя характеристик.
Самыми распространенными на сегодняшний день являются интегральные схемы (ИС), реализующие ТТЛ и её разновидности. В ТТЛ используются биполярные транзисторы. Зарубежные серии ТТЛ - SN54/SN74, разработанные фирмой Texas Instruments (USA).
ТТЛ обладают средним быстродействием (Fmax=20...50 МГц), средней потребляемой мощностью, напряжение питания 5в ± 10%. Плотность расположения ТТЛ-транзисторов на пластине составляет 106 элементов на 1 см 2. Все отечественные серии ТТЛ можно разделить на следующие группы:
Стандартные - серии 155
Быстродействующие с диодами Шотки - серии 530, 531, 1531.
Маломощные с диодами Шотки - серии 533, 555, 1533.
Функцию “И” в ТТЛ ключе выполняется в общих для нескольких эммитеров базовых и коллекторных областях.
Электрическая ТТЛ-схема логического элемента И-НЕ (штрих Шеффера)
VT1-многоэммитерный транзистор Рис. 1.7
VT2-фазорасщепитель
VT3-нелинейная коррекция позволяет увеличить быстродействие и приблизить выходной сигнал к прямоугольной форме.
VT4,VT5 двухтактный выходной усилитель
VT1,VT2,VT3,VT4,VT5 – биполярные транзисторы.
Недостатками логики ТТЛ являются малая нагрузочная способность, малая помехоустойчивость
Временные параметры ТТЛ
Рис. 1.8
tзд - время задержки распространения, временной интервал между перепадами входного и выходного напряжений, измеренный по заданному уровню. Суммарная постоянного времени задержки семейства ТТЛ (T∑=29 нс)
1.3 Эмиттерно-связанная логика. (ЭСЛ)
Причиной появления ЭСЛ явилось желание повысить быстродействие цифровых устройств. Это желание привело к использованию в них совершенно отличного от ТТЛ схемотехнического решения, т.е. путем увеличения коллекторного тока при неизменном постоянном токе перезаряда выходной ёмкости биполярных транзисторов. Такие решения позволяют повысить быстродействие, однако, за счет снижения помехоустойчивости и увеличения потребляемой мощности.
Зарубежная серия ЭСЛ - МС 10000, разработанная фирмой Motorola (USA).
Отечественные серии ЭСЛ - К100, К531, К500, К1500.
Цифровые ИС ЭСЛ представляют собой транзисторные переключающие схемы с объединенными эмиттерами, имеют высокую нагрузочную способность за счет малого входного сопротивления эмиттерных повторителей.
Принципиальная электрическая схема ЭСЛ серии К500
Рис. 1.9
V
T1-VTn+1 -тоновый ключ
VTn+2,Rn+3 -эмиттерный повторитель биполярные транзисторы
VTn+3,VTn+4 - цепь нагрузок
VD1,VD2,Rn+4 -параметрический стабилизатор
VD1,VD2 -термокомпенсация
1.4 Интегрально – инжекторная логика. (И2Л)
Для повышения технологичности изготовления желательно при разработке интегральных схем применить схемотехнические решения, использующие однотипные элементы, например, только биполярные транзисторы. Поиск таких решений привел к почти одновременной разработке фирмами Philips и IBM (USA) элемнтов интегральной инжекторной логики И2Л с отсутствием резисторов, использованием токового питания биполярных транзисторов, пространственное совмещение в кристалле интегральной схемы, малым значением логического перехода, что привело к увеличению быстродействия. Логика И2Л нашла широкое применение в быстродействующих вычислительных устройствах.
Срез топологии логики И2Л. Принципиальная электрическая схема логики И2Л.
Рис. 1.10
V
T2 -многоколлекторный транзистор выполняющий
функцию инвентора биполярные транзисторы
VT1 -генератор (инжектор) базового тока VT2.
Более высокая плотность компоновки, более высокая рассеивающая мощность на логический элемент.
1.5 Логика на однотипных полевых транзисторах (МОП) и на на комплектарных полевых транзисторах (КМОП).
Логика на однотипных полевых транзисторах (МОП)
Р
ешение задач резкого снижения потребляемой мощности привело к созданию интегральных схем на полевых транзисторах, однако по быстродействию эти интегральные схемы уступают логике на биполярных транзисторах. n - МОП и р - МОП обладают высокой помехоустойчивостью, имеют меньшие размеры и проще в изготовлении, что нашло широкое применение в микрокалькуляторах и микропроцессорах. Плотности расположения МОП транзисторов на пластине составляют 108 элементов на 1 м2, что гораздо больше чем в логике ТТЛ.
МОП - Металл – Окисел – Полупроводник
VT1,VT2
VT3 -
К
176 полевые
К501 транзис-
К561 торы.
К564 отечественные серии МОП
К573 Рис. 1.11
КР160
К565
К589
CD4000 – зарубежный аналог.
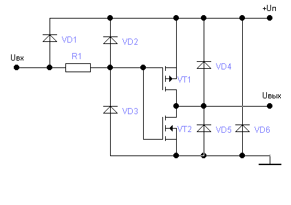
Логика на комплектарных полевых транзисторах (КМОП)
VD1,VD2,VD3,R1 -диодно-резисторный ограничитель
VD4,VD5,VD6 -выходные диоды
Рис. 1.12
Рис. 1.13
Характеристики
Тип файла документ
Документы такого типа открываются такими программами, как Microsoft Office Word на компьютерах Windows, Apple Pages на компьютерах Mac, Open Office - бесплатная альтернатива на различных платформах, в том числе Linux. Наиболее простым и современным решением будут Google документы, так как открываются онлайн без скачивания прямо в браузере на любой платформе. Существуют российские качественные аналоги, например от Яндекса.
Будьте внимательны на мобильных устройствах, так как там используются упрощённый функционал даже в официальном приложении от Microsoft, поэтому для просмотра скачивайте PDF-версию. А если нужно редактировать файл, то используйте оригинальный файл.
Файлы такого типа обычно разбиты на страницы, а текст может быть форматированным (жирный, курсив, выбор шрифта, таблицы и т.п.), а также в него можно добавлять изображения. Формат идеально подходит для рефератов, докладов и РПЗ курсовых проектов, которые необходимо распечатать. Кстати перед печатью также сохраняйте файл в PDF, так как принтер может начудить со шрифтами.
















