05_glava (1055389), страница 3
Текст из файла (страница 3)
рис.5.20
-
Запишите число 11012(1310), переведя ключ S2 кратковременно в положение 4.
-
Осуществите прямой счёт пяти импульсов последовательным нажатием кнопки SA1. Определите, в какой момент перехода сигнала на входе (+1): от 0 к 1 или от 1 к 0 происходит изменение содержания счётчика как по сигналам Q, так и по выходу переноса >15.
-
Переведите ключ S4 в положение7 и осуществите обратный счёт пяти импульсов по входу (-1). Сделайте выводы (как в п.3) относительно выходов Q и переноса <0.
В.ИССЛЕДОВАНИЕ СЧЁТЧИКА ПРИ НАЛИЧИИ ОБРАТНОЙ СВЯЗИ.
-
Для проведения опыта переключателем ГП2 введите обратную связь, обнуляющую содержимое счётчика при наличии на его выходе сигнала 01012(510) (переключатель ГП2 в положение 13). Подайте на входы счётчика число 00112(310), переведя ГП1 в положение 9. Выполните последовательно действия, описанные в разделе Б: сброс счётчика, запись числа 310, прямой счёт пяти импульсов, обратный счёт пяти импульсов. Результаты исследований отобразите на временных диаграммах, аналогичных рис.8.
-
Введите обратную связь по сигналу 10102(1010) (переключатель ГП2-в положение 14). Подайте на входы D3-D0 сигнал 01012(510) (переключатель ГП1 в положении 10). Выполните сброс, запись 510, прямой и обратный счёт пяти импульсов, отобразив изменение информации на соответствующих временных диаграммах.
ОПИСАНИЕ ЛАБОРАТОРНОЙ УСТАНОВКИ 2
Цель работы: Изучить принцип работы, назначение выводов и функциональные возможности десятичного счетчика типа К155ИЕ6 и дешифратора К155ИД1 рис.5.21
Рис.5.21. Лабораторный стенд.
Подготовка к работе.
1. Изучить принцип работы, назначение выводов и функциональные возможности счетчика типа К155ИЕ6 и дешифратора
К155ИД1.
2. Изобразить временные диаграммы, поясняющие работу
счетчика в режиме суммирования и вычитания.
3. Составить таблицу состояний для дешифратора К155ИД1 (зависимость выходного кода от кода на входе).
4. Нарисовать исследуемые схемы.
5. Ознакомиться с порядком сборки и исследования схемы
на стенде.
Рис.5.22. Дешифратор К155ИД1
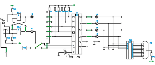
Задание 1. Исследование работы счетчика в режиме стирания.
-
Собрать на лабораторном стенде схему изображенную на рис.5.24. (Перемычку объединяющую вход С и общий провод не устанавливать.) Включить питание стенда и зафиксировать состояние выходных сигналов Q0....,Q1.... , Q2.... , Q3..... .на рис. 6
-
Очистить счетчик, нажав на кнопку S3. Зафиксировать состояние выходных сигналов Q0.... , Q1.... , Q2.... , Q3.... .
-
Выключить питание стенда и вновь включить. Повторить п.п. 1.1 и 1.2.
Задание 2. Исследование работы счетчика в режиме параллельной записи информации.
2.1. Установить на входах счетчика D0-D3 двоичный код десятичного числа, заданного преподавателем ( ………..). Для подачи на вход счетчика уровня логической «1» убирается перемычка, соединяющая соответствующий вход D0-D3 с общим проводом (Рис.1.).
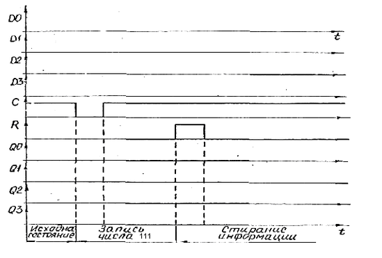
2.2. Произведите запись информации кратковременно соединив перемычкой вход С и общий провод. На временной диаграмме отобразите изменения выходных сигналов Q0-Q3. Отметьте, по какому фронту : от 1 к 0 или от 0 к 1 сигнала С происходит занесение информации в счетчик.
2.3. Сотрите информацию с выхода счетчика (кратковременным нажатием на ключ S3). Отобразите изменение выходных разрядов Q3 -Q0 на временной диаграмме, обращая внимание на то, по какому фронту сигнала R происходит стирание информации.
Рис. 5.23. Временная диаграмма
Рис.5.24. Схема счетчика для записи информации
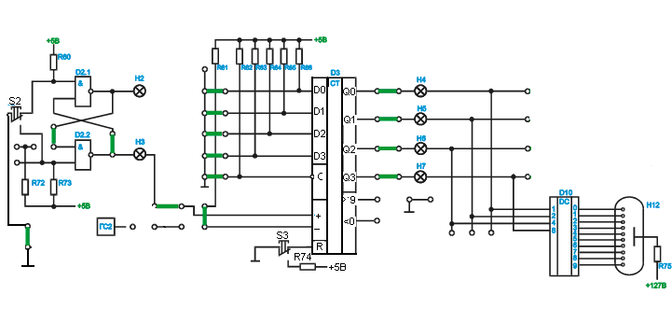
Задание 3. Исследование работы счетчика в режиме суммирования и вычитания.
3.1. Собрать схему, изображенную на рис.5.25, (Перемычки, соединяющие входы D0,D1,D2 и C не устанавливать.).
3.2 . Запишите в счетчик число 01112 (710) используя режим параллельной записи информации, и осуществите прямой счет (суммирование) пяти импульсов последовательным нажатием кнопки S2. Отобразите на временной диаграмме (рис.5.23) изменения состояния выходных сигналов Q0 – Q3 и сигнала
переноса >9 на каждом этапе счета.
3.3. В режиме вычитания при помощи перемычки вход (-) счетчика соединить с выходом микросхемы D2-2 , а вход (+) соединить с резистором R81. Не изменяя состояния счетчика, осуществите обратный счет (вычитание) пяти импульсов последовательным нажатием кнопки S2. Отобразите на временной диаграмме изменения выходных сигналов Q0-Q3 и сигнала <0 на каждом этапе счета.
3.4. Результаты опытов п.п.3.2 и3.3 занести в таблицу 1. Сделайте выводы относительно длительности сигналов переноса >9 и <0.
Рис. 5.25. Схема счетчика для суммирования и вычитания
.
Рис.5.26. Осциллограмма работы счетчика
.
Задание 4. Изучить работу дешифратора.
4.1. Заполнить таблицу 2 истинности семисегментного дешифратора, осуществляя прямой счет с нулевого состояния счетчика. Входной код фиксируем по индикаторам Н4-Н7, выходной определяем по индикатору Н12. Светящиеся сегменты соответствуют единичному уровню выходного кода.
4.2. Записать логическое уравнение для одного сегмента, заданного преподавателем. Минимизировать уравнение по карте Карно, разработать логическую схему
в базисе «И-НЕ».
Таблица 2
Логическое уравнение для одного сегмента дешифратора
Минимизация по карте Карно.
Логическая схема в базисе «И-НЕ»
СОДЕРЖАНИЕ ОТЧЕТА.
Отчёт должен начинаться с указания названия работы. Затем следует написать фамилию и инициалы исполнителя, номер группы и дату выполнения работы.
В отчёте должна быть представлена схема исследуемого блока. Дальнейшие записи, таблицы и графические построения определяются выполнением соответствующих пунктов задания. Записи по каждому разделу (А-В) необходимо начинать с его наименования.
Отчёт необходимо выполнять аккуратно, графические построения делать с использованием чертёжных инструментов.
.
5.10 Счётчики ТТЛ
.
5.11 Счётчики КМОП
















