05_glava (1055389), страница 2
Текст из файла (страница 2)
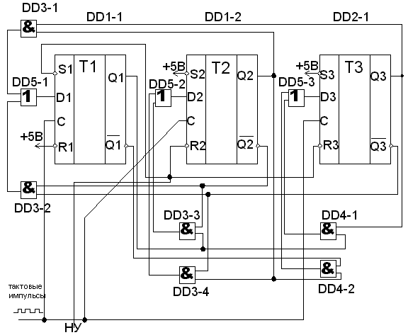
Рис.5.11
5.7 Домашнеее задание по последовательностным устройствам.
DD1-К155ЛИ1
DD2- K155TB15
DD3-К155ЛП5
2. Спроектировать последовательностное устройство – счётчик с произвольным порядком счёта на D-триггерах.
Десятичные коды последовательности выходных сигналов Q равны: 1, 3, 2, 6, 7, 5, 4, 0.
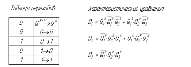
Характерестическое уравнение D-триггера:
Выход счётчика Рис.5.14
Таблица переходов D-триггера.
(при Сt=1, Qt=0, Qt+1=Dt)
| D | Qt Qt+1 |
| 0 | 0 0 |
| 1 | 0 1 |
| 0 | 1 0 |
| 1 | 1 1 |
Таблица состояний.
| Номер имп. | С | Q1 | Q2 | Q3 | Десятичный код |
| 1 | 1 | 0 | 0 | 1 | |
| 2 | 1 | 1 | 0 | 3 | |
| 3 | 0 | 1 | 0 | 2 | |
| 4 | 0 | 1 | 1 | 6 | |
| 5 | 1 | 1 | 1 | 7 | |
| 6 | 1 | 0 | 1 | 5 | |
| 7 | 0 | 0 | 1 | 4 | |
| 8 | 0 | 0 | 0 | 0 |
Таблица переходов и управляющих сигналов триггера.
| Номер импульса | 1 | 2 | 3 | Десятичный код Q3t,Q2t,Q1t | ||||||
| Q3t | Q2t | Q1t | Q3t+1 | Q2t+1 | Q1t+1 | D3t | D2t | D1t | ||
| 1 | 0 | 0 | 1 | 0 | 1 | 1 | 1 | |||
| 2 | 0 | 1 | 1 | 0 0 | 0 1 | 1 1 | 0 | 1 | 0 | 3 |
| 3 | 0 | 1 | 0 | 0 0 | 1 1 | 1 0 | 1 | 1 | 0 | 2 |
| 4 | 1 | 1 | 0 | 0 1 | 1 1 | 0 0 | 1 | 1 | 1 | 6 |
| 5 | 1 | 1 | 1 | 1 1 | 1 1 | 0 1 | 1 | 0 | 1 | 7 |
| 6 | 1 | 0 | 1 | 1 1 | 1 0 | 1 1 | 1 | 0 | 0 | 5 |
| 7 | 1 | 0 | 0 | 1 1 | 0 0 | 1 0 | 0 | 0 | 0 | 4 |
| 8 | 0 | 0 | 0 | 1 0 | 0 0 | 0 0 | 0 | 0 | 1 | 0 |
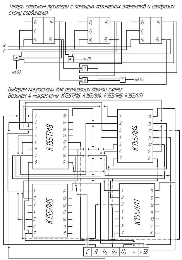
Минимизированные уравнения счётчика.
Принципиальная электрическая схема счётчика. Рис. 5.15
Рис. 5.16
5.8Семинар №4. Проектирование последовательностных устройств.
Тема: Проектирование последовательностных устройств.
Большинство последовательностных устройств: счётчики с естественным порядком счёта, регистры хранения и сдвига являются стандартными устройствами и выпускаются промышленностью в виде ИС средней степени интеграции. Однако, в практике построения автоматов управления технологическими процессами встречается необходимость выполнить счётчик с произвольным порядком счёта. Такой счётчик должен отвечать потребностям выдачи последовательности сигналов включения и отключения отдельных органов автомата. Проектирование такого счётчика является темой данного семинара.
Существуют различные способы схемотехнического проектирования таких счётчиков, которые реализуются как на ЭВМ, так и при ручном проектировании. Широко применяется табличный способ проектирования, при котором совместное решение уравнений счётчика и применяемых для его построения триггеров осуществляется на уровне табличного представления.
Задача 4.1
Выполнить построение электрической принципиальной схемы счётчика с произвольным порядком счёта рис.5.17. Для построения использовать JK-триггеры. Счётчик должен обеспечить последовательность выходных сигналов Q3, Q2 Q1: 000, 001,
0011, 010, 11 0, 111.
К
решению задачи.
-
Построить таблицы последовательности вывыходных сигналов и решение задачи выбора необходимого количества триггеров.
| Исх. состояние | 1 | 2 | 3 | 4 | 5 | 6 | 7 | |
| Q1 | 0 | 1 | 1 | 0 | 0 | 1 | 1 | 0 |
| Q2 | 0 | 0 | 1 | 1 | 1 | 1 | 0 | 0 |
| Q3 | 0 | 0 | 0 | 0 | 1 | 1 | 1 | 1 |
Таблица является упорядоченной записью последовательности сигналов.
Заданная последовательность является восемью неповторяющихся 3-х разрядных двоичных чисел. Такая последовательность может быть реализована счётчиком, имеющим восемь устойчивых состояний.
При h=2 – количество применяемых –счётчик будет иметь 2h=4 состояний это недостаточно.
При h=3 –счётчик будет иметь 2h=8 состояний, что достаточно. Будем проектировать счётчик на 3-х JK-триггерах, а их выходные сигналы будут выходными сигналами счётчика.
2
. построение таблицы переходов счётчика Qt Qt+1. Аргументами в таблице являются значения исходных сигналов Q3t, Q2t,
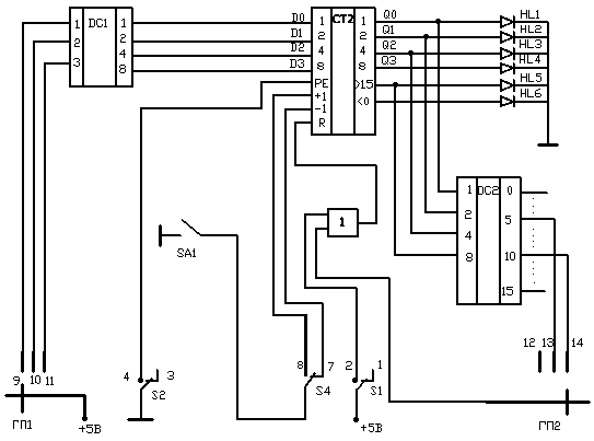
5.9 Лабораторная работа “Исследование двоичного реверсивного счетчика”
Авторы: Буянкин В.М.,Васюков С.А., Шамгулов Р.О.
ЗАДАНИЕ И ПОРЯДОК ВЫПОЛНЕНИЯ РАБОТЫ.
Ознакомьтесь с лабораторной установкой ЛОЭ-2 и схемой исследуемого счётчика. Определите функциональнок назначение ключей и галетных переключателей, управляющих подачей выходных сигналов счётчика. Выясните, какие из них подают сигналы высокого, а какие-низкого уровня. Получив разрешение преподавателя, начните выполнять работу.
Рис 5.18
А. Исследование счётчика в режиме записи информации.
-
Исходное состояние: ключ S1 в положении 1 (на входе сброса R-низкий логический уровень R=0), ключ S2- в положении 3 (на инверсном входе РЕ - высокий логический уровень. РЕ=1 - запись не разрешена). Положение S4 и ГП2 - произвольное, ГЛ1 находится в положении II. Подготовьте временные диаграммы в соответствии с рис.5.19
рис.5.19
Включите питание стенда. На входах D3 – D0 установлен сигнал 11012 (1310), на выходах Q3 - Q0- исходное содержание счетчика 00002 .
2. Подачей сигнала записи РE= 0 (ключ S2 кратковременно переведите из положения 3 в положение 4) осуществите запись информации. На временной диаграмме отобразите изменение выходных разрядов Q3 - Q0 . Отметьте, по какому фронту: от I к 0 или от 0 к I сигнала РЕ происходит занесение информации в счетчик.
-
Сотрите информацию с выхода счетчика (ключ S1 кратковременно переведите в положение 2). Отобразите изменение выходных разрядов Q3 -Q0 на временной диаграмме, обращая внимание на то, по какому фронту сигнала R происходит стирание информации.
Б. Исследование счетчика без обратной связи в режиме суммирования и вычитания.
-
Исходное положение переключателей: ГП1 - II, ГП2 - 12, S1 –1 , S2 - 3, S4-8. Подготовьте временную диаграмму (рис.5.20). Очистите содержимое счетчика (кратковременно переведите ключ S1 в положение 2). При выполнении действий, описанных в пунктах задания ниже, отобразите на диаграмме изменение на каждом этапе состояния выходных разрядов Q3 – Q0 и сигналов переноса >15 и < 0.
















