03_glava (1055385), страница 2
Текст из файла (страница 2)
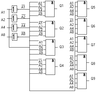
Рис 3.8 Схема Дешифратора
3.5 Преобразователь кодов, дешифратор двоичного кода в семисегментный.
Преобразователем кода называется комбинационное логическое устройство, предназначенное для преобразования вида кодированной информации.
a
А1 DC a
в
ходной код А2 b f b
А4 c g
А8 d c
e выход e
f ной d
g код
Рис. 3.9
Таблица 3.5
| Входной код | выходной код | |||||||||||
| счет | A1 | A2 | A4 | A8 | a | b | c | d | E | f | g | |
| 0 | 0 | 0 | 0 | 1 | 1 | 1 | 1 | 1 | 1 | 0 | ||
| 1 | 1 | 0 | 0 | 0 | 0 | 1 | 1 | 0 | 0 | 0 | 0 | |
| 2 | 0 | 1 | 0 | 0 | 1 | 1 | 0 | 1 | 1 | 0 | 1 | |
| 3 | 1 | 1 | 0 | 0 | 1 | 1 | 1 | 1 | 0 | 0 | 1 | |
| 4 | 0 | 0 | 1 | 0 | 0 | 1 | 1 | 0 | 0 | 1 | 1 | |
| 5 | 1 | 0 | 1 | 0 | 1 | 0 | 1 | 1 | 0 | 1 | 1 | |
| 6 | 0 | 1 | 1 | 0 | 1 | 0 | 1 | 1 | 1 | 1 | 1 | |
| 1 | 1 | 1 | 0 | 1 | 1 | 1 | 0 | 0 | 0 | 0 | ||
| 8 | 0 | 0 | 0 | 1 | 1 | 1 | 1 | 1 | 1 | 1 | 1 | |
| 9 | 1 | 0 | 0 | 1 | 1 | 1 | 1 | 1 | 0 | 1 | 1 | |
a=
+
A2
+A1A2
+A1
A4
+
A2A4
+
A8+
b=
+A1
+
A2
+ A1A2
+
A4
+ A1A2A4
+
c=
+ A1
+ A1A2
+
A4
+ A1
A4
+
A2A4
+
d=
+
A2
+ A1A2
+
A4
+
A2A4
+
A8+
f=
+
A4
+ A1
A4
+
A2A4
+
A8+ A1
A8
g=
A2
+ A1A2
+
A4
+ A1
A4
+
A2A4
+
A8+
3.6 Генераторы на логических элементах, таймеры.
А
втогенератор на основе двух инверторов.
Рис 3.11 Схема автогенератора на основе двух инвертеров
Рис. 3.12
Tr=1,4R1C1
R1=R2 C1=C2
Рис. 3.13
Рис 3.6 Схема автогенератора на основе двух инвертеров в ином виде
А
втогенератор с времязадающей RC цепью
Tr=3RC Рис. 3.14
Рис 3.15 Схема автогенератора с времязадающей RC цепью
Автогенератор с одним времязадающим конденсатором и тремя инверторами.
Tr=CRэкв[lnUп/(Uп-Uпф)+Uпф/ (Uп-Uпф)]
Рис. 3.16
Рис 3.17 Автогенератор с одним времязадающим конденсатором и тремя инверторами
Одновибратор на основе двух инверторов.
Р
ис. 3.18
Рис 3.19 Схема одновибратора на основе двух инверторов.
t4=RCln[(Uп-U0)/(Uп-Uпф)]
Условные обозначения микросхем преобразователей кодов, мультиплексоров, демультиплексоров, генераторов.
Таблица 3.6
| Обозначение | Вид микросхемы |
| Шифраторы | ИВ |
| Дешифраторы демультиплексоры | ИД |
| Мультиплексоры | КП |
| Преобразователи кодов | ПП |
| Генераторы прямоуг. сигнала | ГГ, ГФ |
| Формирователи прямоуг. импульса | АГ |
3.7 Алгебра логики.
Основные теоремы алгебры Буля.
Джордж Буль(1815-1864).
Англйский математик
Теоремы для одной переменной
Теоремы для двух и более переменных
10. Переместительные законы:
-
x+y=y+x
-
x*y=y*x
11.Сочетательные законы:
-
x+y+z=x+(y+z)=(x+y)+z
-
x*y*z=x*(y*z)=(x*y)*z
12. Распределительный закон
-
x*(y+z)=x*y+x*z
-
x+y*z=(x+y)*(x+z)
13. Закон поглащения
-
x+x*y=x
-
x*(x+y)=x
14.
15. Закон склеивания
16.Теорема Моргана (1806-1871 Шотландский математик
3.8 Способы построения логических функций.
Графический Алгебраический
X
1
1
0
t
X
2
1
0
t
Y
1 1 1
0 0
t
Рис.3.20
Переход к логической схеме.
ДНФ Рис. 3.21 КНФ Рис. 3.22
3.9 Минимизация логических функций.
С помощью алгебраических преобразований
Пример 1:
Рис.3.24
A
+B=y
A | B | Y |
| 0 | 0 | 0 |
| 0 | 1 | 1 |
| 1 | 0 | 1 |
| 1 | 1 | 1 |
Пример 2:
3.10. Использование карт Карно.
Карно (1753-1823) Французский математик
Карта Карно представляет собой прямоугольник, разбитый на квадраты, число которых равно общему числу наборов для данной функции n переменных, т.е. оно равно 2n.
n=2
n=3
n=4
Правила применения карт Карно.
-
Если единицами заполнены две соседние строки(1) или два соседних столбца(2), либо две строки или два столбца, расположенные по краям карты(3), то восемь слагаемых четвертого ранга можно заменить слагаемыми третьего ранга, у которых общие переменные.
-
Если единицами заполнена одна строка или один столбец или четыре угловых квадрата или четыре квадрата, которые, в свою очередь, составляют квадрат, то соответствующие четыре слагаемых четвертого ранга заменяются одним слагаемым второго ранга, в которое входят переменные, общие для этих квадратов.
Четыре квадрата, которые, в свою очередь, составляют квадрат
Одна строка или один столбец
Четыре угловых квадрата
-
Если единицы расположены в двух соседних квадратах, в том числе и находящиеся на концах строки, то соответствующие два слагаемых четвертого ранга склеиваются, превращаясь в одно слагаемое третьего ранга.
1)
2) 















