03_glava (1055385), страница 3
Текст из файла (страница 3)
Примеры
3.11 Домашнее задание по комбинационным устройствам.
Спроектировать комбинационное устройство цифровой электронной техники для автомата управления технологической операцией.
На вход комбинационного устройства поступают сигналы от трех датчиков. На выходе формируется выходной сигнал P=1 при десятичных кодах входных величин 0,2,3,7. При остальных кодах P=0.
Рис. 3.24
Составляем таблицу истинности.
22 21 20
| X3 | X2 | X1 | P | |
| 0 | 0 | 0 | 1 | 0 |
| 0 | 0 | 1 | 0 | 1 |
| 0 | 1 | 0 | 1 | 2 |
| 0 | 1 | 1 | 1 | 3 |
| 1 | 0 | 0 | 0 | 4 |
| 1 | 0 | 1 | 0 | 5 |
| 1 | 1 | 0 | 0 | 6 |
| 1 | 1 | 1 | 1 | 7 |
Записываем логическое уравнение, связывающее входные и выходные параметры в ДНФ:
Минимизация логического уравнения с использованием карты Карно.
Проверочная таблица истинности
| X3 | X2 | X1 | P |
| 0 | 0 | 0 | 1 |
| 0 | 0 | 1 | 0 |
| 0 | 1 | 0 | 1 |
| 0 | 1 | 1 | 1 |
| 1 | 0 | 0 | 0 |
| 1 | 0 | 1 | 0 |
| 1 | 1 | 0 | 0 |
| 1 | 1 | 1 | 1 |
.
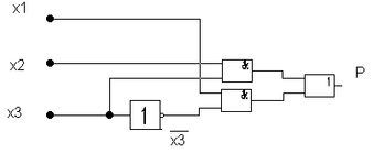
Построение логической схемы.
Рис. 3.25
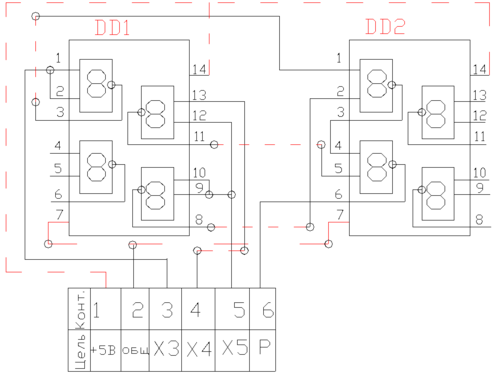
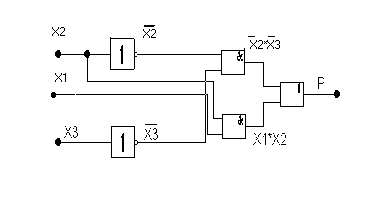
Преобразуем уравнение по теореме Де Моргана.
(для перехода в одну логическую систему И-НЕ)
(DD1,DD2 – KI55ЛА3, И-НЕ – 2-е микросхемы). Рис. 3.26
Расчет задержки выходного сигнала P.
Входной сигнал проходит по линии, включающей в себя три последовательно соединенных логических элемента KI55ЛА3.
Проектирование печатной платы.
3.12
Семинар №1
Задача 1.1.
Вычислить значения логических переменных Р по уравнениям для значений х1=1 и х2=0
Задача 1.2.
Изобразить логические схемы , соответствующие заданным в задаче 1.1 логическим уравнениям.
Рис. 3.28
Задача 1.3.
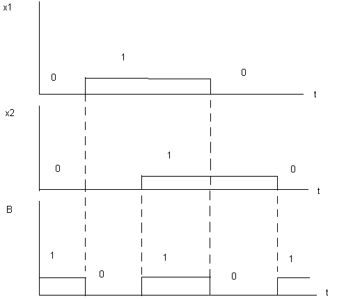
Для графиков функционирования автомата управления технологическим процессом, задающих логическую связь В=f(х1,х0) рис.1.3 составить таблицу истинности, записать логическое уравнение и составить логическую схему ,реализующую эту связь.
Р
ис.3.29
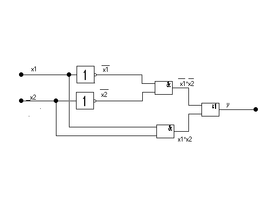
Задача 1.4.
Определить значение Р при значениях аргументов х1=1,х2=0,х3=1,х4=0,х5=1.
х1=1,х2=0,х3=1,х4=0,х5=1
Задача 1.5.
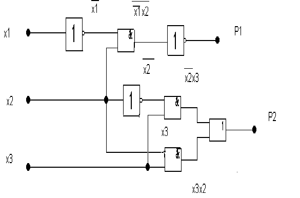
По графикам входных сигналов х1,х2,х3 построить графики выходных сигналов Р1 иР2.
Рис. 3.31
| Х1 | Х2 | Р1 |
| 0 1 0 1 | 0 0 1 1 | 1 1 0 1 |
Задача 1.6
Построить схемы, реализующие операции ИЛИ, И, НЕ применением элементов И-НЕ, ИЛИ-НЕ.
Рис. 3.33 Рис. 3.34 Рис 3.35
3.13 Семинар№2.Проектирование комбинационных устройств.
Задача 2.1
По заданной таблице истинности комбинационного устройства записать уравнение ДНФ, минимизировать его. По минимизированному уравнению рассчитать значения Р для всех сочетаний входных сигналов. Построить логическую схему, реализующую это комбинационное устройство.
| Х3 | Х2 | Х1 | Р |
| 0 0 0 0 1 1 1 1 | 0 0 1 1 0 0 1 1 | 0 1 0 1 0 1 0 1 | 0 1 0 1 0 0 1 1 |
Неминимизированное уравнение:
Карта Карно.
Логическая схема
Задача 2.2
По заданной таблице истинности получить минимальную ДНФ. Составить логическую схему, реализующую заданную логическую связь.
| Х3 | Х2 | Х1 | Р |
| 0 0 0 0 1 1 1 1 | 0 0 1 1 0 0 1 1 | 0 1 0 1 0 1 0 1 | 1 0 0 0 1 0 0 1 |
- неминимизированное уравнение
Рис. 3.37
Логическая схема
Задача 2.3
Минимизировать логическое уравнение:
Задача 2.4
Минимизировать логическое уравнение, представленное в карте Карно.
2.5 Комбинационное устройство имеет три входных и два выходных сигнала. Логическая связь входных и выходных сигналов задана таблицей истинности. Получить систему уравнений и минимизовать ДНФ для выходных сигналов. Построить логическую схему.
Задача 2.5
Логическую схему задачи 2.1 выполнить в базисе И-НЕ.
Рис. 3.38
Задача 2 .6
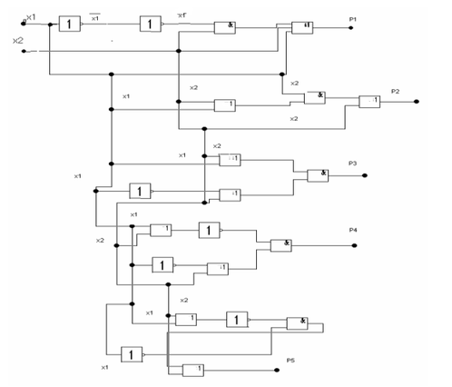
Комбинационное устройство имеет три входных и два выходных вывода. Логическая связь входных и выходных сигналов задана таблицей истинности. Получить систему уравнений в минимизированной ДНФ для выходных сигналов. Построить логическую схему применив декомпозицию.
| Х3 | Х2 | Х1 | Р1 | Р2 |
| 0 0 0 0 1 1 1 1 | 0 0 1 1 0 0 1 1 | 0 1 0 1 0 1 0 1 | 0 0 1 0 1 1 1 0 | 0 0 1 1 1 1 1 0 |
















