10_glava (1055399), страница 2
Текст из файла (страница 2)
Рис.10.5
Рис.10.6
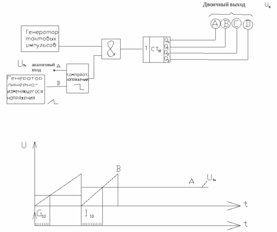
10.3 Аналого-цифровой преобразователь последовательного счета.
Рис.10.7
| Аналоговый вход | Цифровой выход | |||
| [B] | D | C | B | A |
| 0 | 0 | 0 | 0 | 0 |
| 0.2 | 0 | 0 | 0 | 1 |
| 0.4 | 0 | 0 | 1 | 0 |
| 0.6 | 0 | 0 | 1 | 1 |
| 0.8 | 0 | 1 | 0 | 0 |
| 1.0 | 0 | 1 | 0 | 1 |
| 1.2 | 0 | 1 | 1 | 0 |
| 1.4 | 0 | 1 | 1 | 1 |
| 1.6 | 1 | 0 | 0 | 0 |
| 1.8 | 1 | 0 | 0 | 1 |
| 2.0 | 1 | 0 | 1 | 0 |
| 2.2 | 1 | 0 | 1 | 1 |
| 2.4 | 1 | 1 | 0 | 0 |
| 2.6 | 1 | 1 | 0 | 1 |
| 2.8 | 1 | 1 | 1 | 0 |
| 3.0 | 1 | 1 | 1 | 1 |
10.4 Интегрирующий аналогово-цифровой преобразователь.
10.5 АЦП последовательного приближения.
Рис.10.9
Условные обозначения микросхем ЦАП и АЦП.
| Обозначения | Вид микросхемы |
| Преобразователь цифро-аналоговый | ПА |
| Преобразователь аналого-цифровой | ПВ |
| Усилители операционные | УД |
10.6 Практические микросхемы ЦАП и АЦП.
(ЦАП) КР 572 ПА1
Рис.10.10
(АУП) КР572 ПВ1
Работает в режиме последовательного приближения с параллельным двоичным кодом на выходе. Наличие схем входной и выходной логики обеспечивает побайтовый вывод цифровой информации для согласования с 8 разрядной шиной даных микропроцессора.
| Режим работы КР572ПВ1 | Информационно- Цифровые выходы | Входы управления | Вход строб | ||
| СР | МР | Р | |||
| Преобразование Аналог-цифра /# | 1…12 | 1 | 1 | 0 | 1 |
| 1…4 | 1 | 0 | 0 | ||
| 5…12 | 0 | 1 | 0 | ||
| Разомкнуты | |||||
| Преобразование Цифра-аналог #/ | 1…12 | 1 | 1 | 1 | 1 |
| 1…4 | 0 | 1 | 1 | ||
| 5…12 | 1 | 0 | 1 | ||
| Хранение в регистре ЦАП | X | X | X | X | 0 |
10.7 Лабораторная работа “ЦАП и АЦП”
Автор: Красовский А.Б.
Описание лабораторной установки.
Лабораторная установка выполнена в виде унифицированного стенда в который вставляется сменная кассета с расположенной в ней платой ЦАП и АЦП. На рис.10.12 изображена ее электрическая схема. Аналогичная схема изображена на лицевой панели кассеты. Кроме того, на лицевой панели кассеты расположены: переключатель рода работы 'ЦАП-АЦП', контрольные гнезда КТ1,КТ2, кнопка сброса 'Сброс', ручка регулировки постоянного стабилизированного напряжения, светодиоды для визуальной индификации работы ЦАП и АЦП.
ЦАП выполнен четырехразрядным на базе микросхемы 572ПА1 и операционного усилителя. В состав АЦП, кроме того, входят двоичный счетчик СТ, генератор прямоугольных импульсов G, компаратор напряжения К, логический элемент И на три входа. При переводе переключателя 'ЦАП-АЦП' в положение 'ЦАП' входы ЦАП отключаются от выходов счетчика и подключаются к блоку цифроаналогового преобразователя входного кода БВК ЦАП.
При переводе переключателя 'ЦАП-АЦП' в положение 'АЦП' входы ЦАП подключаются к выходам двоичного счетчика при нулевой информации на выходе БВК ЦАП.
Рис.10.12
Правила по технике безопасности.
1.работы следует выполнять строго в соответствии с заданием и указанным порядком его выполнения.
2.перед включением стенда необходимо изучить функциональное назначение всех элементов коммутации (выключателей, кнопок, переключателей и т.п.) и убедиться, что все исследуемые в работе устройства отключены от источника электропитания.
3. Перед экспериментальными исследованиями необходимо изучить правила использования применяемого в работе цифрового вольтметра.
4. При выполнении работы запрещается:
- включать схему без разрешения преподавателя;
- использовать измерительные приборы, которые не указаны в методических указаниях по выполнению данной работы;
- пользоваться неисправными приборами и устройствами.
ЗАДАНИЕ И ПОРЯДОК ВЫПОЛНЕНИЯ РАБОТЫ
Прежде чем приступить к выполнению экспериментальной части работы, необходимо ознакомиться с правилами по технике безопасности и получить разрешение у преподавателя на проведение экспериментов.
I. Исследование статических характеристик ЦАП.
Снять передаточную характеристику ЦАП. Для этого необходимо :
1. Подключить лабораторный стенд к сети.
2. Перевести переключатель "ЦАП - АЦП" в положение "ЦАП".
3. Подключить цифровой вольтметр к выходу ЦАП.
4. Задать переключателями БВК ЦАП цифровой код на вход ЦАП, измеряя при этом его выходное напряжение цифровым вольтметром. Данные свести в табл.1;
Таблица I
| Входной код | 0000 | 0001 | 0010 | 0011 | 0100 | • • • | 1111 |
| Uвых,В |
5. Построить по результатам изменений передаточную характеристику ЦАП в масштабе, сделать вывод о характере изменения выходного напряжения ЦАП в зависимости от его входного кода и определить:
- абсолютную погрешность преобразования в конечной точке шкалы пш ;
- разрешающую способность цифроаналогового преобразователя ,
- нелинейность л;
-
дифференциальную нелинейность лд
6. Сделать вывод о качестве исследуемого ЦАП.
Исследование статических характеристик АЦД
Снять передаточную характеристику АЦП. Для этого необходимо.
-
Подключить лабораторный стенд к сети.
-
Перевести переключатель "ЦАП - АЦП" в положение "АЦП".
3. Установить на выходе БВК ЦАП нулевую информацию.
4. Подключить цифровой вольтметр к входу АЦП.
5. Установить входное напряжение АЦП равным нулю (все светодиоды на выходе счетчика должны быть погашены).
6. Обнулить кнопкой "Сброс" счетчик.
7. Фиксировать, плавно увеличивая входное напряжение АЦП и измеряя его цифровым вольтметром, по состоянию светодиодов на выходе счетчика выходной код АЦП. Перед каждым измерением счетчик необходимо обнулять нажатием кнопки "Сброс". Данные свести в табл.2:
Таблица 2
| Выходной код | 0000 | 0001 | 0010 | 0100 | 0100 | • • • | 1111 |
| Uвх,В |
8. Построить по результатам измерений передаточную характеристику АЦП в масштабе, по которой определить:
- абсолютную погрешность преобразования в конечной точке шкалы пш ;
- нелинейность л ;
- дифференциальную нелинейность лд .
9. Сделать вывод о качестве исследуемого АЦП,
















