12_glava (1055401), страница 2
Текст из файла (страница 2)
Блок преобразователя угол-код.
Рис. 12.5. Импульсный датчик.
Преобразователь угол-код с датчиком обратной связи в существенной мере определяет технико-экономические показатели цифрового электропривода. Датчиком обратной связи является импульсный датчик модели ВЕ-178, ВЕ-178-1 Импульсный датчик состоит из трех основных частей: механической, оптической и электронной (рис. 12.5).
Механическая часть обеспечивает точное вращение входного вала преобразователя относительно корпуса.
Оптическая часть содержит светодиод 1, линзу 2, растровую индикаторную пластинку 3 растровый диск 4, и фотодиоды 5.
Электронная часть состоит из усилителей, на входы которых подаются сигналы от фотодиодов для компенсации постоянной составляющей сигнала. Эти сигналы имеют прямоугольную форму, их амплитуды смещены относительно друг друга на 90 градусов. Частота следования импульсов пропорциональна измеряемой скорости вращения, а число импульсов углу, поворота вала электродвигателя.
Преобразователь угол-код осуществляет измерение частоты вращения, угла поворота вала двигателя в двоичном параллельном 16-ти разрядном коде. 16-й разряд является знаковым , при помощи которого осуществляется определение направления вращения: либо по часовой, либо против часовой стрелки.
По запросу от микро-ЭВМ информация о скорости и угле поворота вала электродвигателя передается в канал приема данных интерфейса.
Блок программатора.
Программатор представляет собой 16-ти разрядный регистр с тумблерами. Набранная информация с программатора через интерфейс вводится в микро-ЭВМ и может использоваться как сигнал задания по скорости и углу поворота для ЦППТ.
Индикация.
Для отображения информации об угле поворота и о частоте вращения вала электродвигателя на стенде предусмотрена цифровая индикация. Угол поворота отображается при помощи семисегментного индикатора, выполненного на светодиодах, который получает сигналы с дешифратора, переводящий двоичный код в управляющий код семисегментных индикаторов. На индикаторах при этом появляются десятичные числа, соответствующие углу поворота вала электродвигателя. Частота вращения вала электродвигателя определяется в блоке угол-код, который представляет собой двоичный счетчик. На вход двоичного счетчика поступают импульсы с датчика угла, счетчик суммирует эти импульсы в течении такта с частотой 150 Гц. Выходы счетчика соединены со светодиодами, которые высвечивают частоту вращения вала электродвигателя в двоичном коде. Старший 16-й разряд индикации частоты вращения вала электродвигателя является знаковым и высвечивает направление вращения.
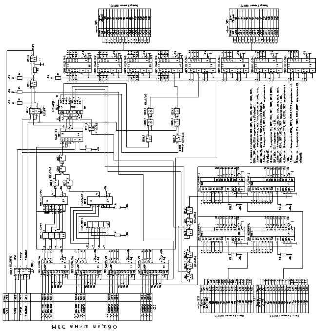
12.3 Описание схемы электрической принципиальной интерфейса.
Интерфейс состоит из шести шинных формирователей ДД2—ДД5, четырех входных регистров ДД24-ДД27, восьми выходных регистров ДД16-ДД23, составного дешифратора микросхемы ДД6-ДД11, ДД13-ДД15 и формирователя ответного сигнала - ДД1, ДД12.
Шинные формирователи выполнены на микросхеме К589АП26, изображенной на рис. 12.16.
Рис. 12.6. Схема шинного формирователя К589 АП26
Шинный формирователь предназначен для согласования параллельных шин микро-ЭВМ. А1-А4 – параллельная 4-разрядная входная шина данных. В1-В4 – параллельная 4-разрядная выходная шина данных. С1-С4 – параллельная 4-разрядная двунаправленная шина данных. УВ – вход управления выдачей информации. ВК – вход выборки кристалла.
Рис. 12.7. Электрическая принципиальная схема интерфейса
Входные регистры ДД24-ДД27 выполнены на микросхеме К589 ИР12, которая изображена на рис.12. 8.
Рис. 12.8 . Схема регистра К589 ИР12.
Регистр К589 ИР12 предназначен для буферизации данных, временного и электрического согласования параллельных шин в микро-ЭВМ, выполнения функции прерывающих каналов ввода/вывода информации. Запись данных Д1-Д8 регистр происходит положительным потенциалом на входе С. Чтение информации С1-С8 производится высоким потенциалом ВР. Вход Р является входом установки нуля.
Выходные регистры ДД16-ДД23 выполнены на микросхеме К155ТМ5, которая представлена на рис. 12.9.
Рис.12.9. Схема регистра К155 ТМ5
Регистр состоит из двух пар Д-триггеров. Для первой пары Д1, Д2 являются входами, А1, А2 - выходами. Аналогично для второй пары ДЗ, Д4 - входы, A3, А4 – выходы. При подаче на входы разрешения Cl, С2 напряжения высокого уровня, данные, присутствующие на входах, без изменения отображаются на выходах.
Шинные формирователи связаны с общей шиной микро-ЭВМ. При общении с микро-ЭВМ сначала в шинные формирователи поступает адрес, который дешифрируется ДД6-ДД11. При появлении ответного
сигнала на выходе ДД1, ДД12 на шинных формирователях появляются данных, которые запоминаются в регистрах.
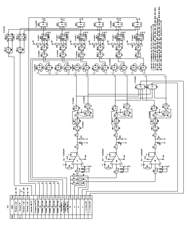
12.4 Описание электрической принципиальной схемы распределителя импульсов.
Блок распределителя импульсов состоит из трех нуль-органов ДА1-ДА3, переходных инверторов ДД4-1, ДД4-4, ДД5-3, ДД6-2, ДД7-1, ДД7-4 и т.д., формирователей импульсов ДД4-2–ДД4-3, ДД5-1–ДД5-2 и т.д., триггеров формирования рабочих зон ДД9, ДД10, ДД11 для первой группы тиристоров. Для второй группы тиристоров рабочие зоны и "0" сети формируются аналогичными элементами. Усилители-формирователи нуля фаз (нуль-органы) выполнены на ОУ К553УД1А. ОУ работают в ключевом режиме с обратной связью по постоянному току. Резисторы Р7–Р9 – ограничители тока, диоды УД1–УД6 – защита входов микросхем от перенапряжений, резисторы Р10–Р12 и конденсаторы С1–С6 служат для стабилизации работы ОУ. На входы ОУ подается напряжение трех фаз сети. Амплитуда входного напряжения 12-15В. На входах ОУ прямоугольные сигналы вида "МЕАНДР" скважностью, близкой к двум, с частотой 150 Гц. Эти сигналы с выходов ОУ через делители напряжения на резисторах Р13–Р16, Р14–Р19 и т.д. подаются на входы микросхем формирователей импульсов, которые от положительных фронтов этих сигналов формируют импульсы, длительностью не более 500 мкс, которые в свою очередь поступают на входы триггеров формирования рабочих зон. Диоды УД7–УД9 – для защиты входов микросхем от отрицательных напряжений. Рабочая зона по углу занимает 120 градусов электрической фазы сети, т.к., в трехфазной сети сдвиг фаз составляет 120 градусов, момент перехода через нуль напряжения фазы "А" соответствует началу рабочей зоны фазы "В" и т.д., поэтому для формирования, например, рабочей зоны фазы "В" на первый вход триггера подается импульс нуля фазы "А", а на второй вход – импульс нуля фазы "В". Аналогично формируются зоны фаз "А" и "С".
Сигналы рабочих зон поступают на вход микросхем ДД12, ДД13 и т.д., на вход этих же микросхем поступают сигналы в виде коротких импульсов из код-фазы, в результате на входе этих микросхем будут Формироваться импульсы небольшой продолжительности. Эти импульсы проходя через инверторы ДД14, ДД15 и т.д. поступают на входы одновибратаров (микросхемы ДД18–ДД22 серии К155АГ1), на выходе которого образуются импульсы, такие же как и на выходах микросхем ДД12, ДД13 но более расширенные. Они в свою очередь идут на входы микросхем ДД23, ДД24 и т.д., на выходе которых они будут проинвертированы.
Описание отдельных микросхем, входящих в распределитель импульсов.
1) К155АГ1 – одноканальный ждущий мультивибратор (рис. 12.11) формирует калиброванные импульсы с хорошей стабильностью длительности. Мультивибратор содержит внутреннюю ячейку памяти – триггер с двумя выходами и . Поскольку оба выхода имеют наружные выводы (6 и I), разработчик получает от микросхемы парафазный сформированный импульс. Триггер имеет три импульсных входа логического управления (установки в исходное состояние) через элемент Шмитта (В, А1 и А2).
Рис.12.11. Схема мультивибратора K155 АГ1.
Сигнал сброса, т.е. окончания импульса в триггере, формируется с помощью RC-звена: времязадающий конденсатор подключается между выводами микросхемы 10 и 11, резистор включается от вывода 11 к положительной шине питания 5В. Меняя номиналы резистора Р в пределах 2–40 кОм, а конденсатора С в пределах 10пФ–10мкФ, можно менять длительность выходных импульсов от 30 нс до 0,28 с.
К293ЛП1 (А, Б) – оптоэлектронные переключатели-инверторы (рис. 12.12), состоящие из излучающего и фотоприемного элементов, между которыми имеется оптическая связь и обеспечена электрическая изоляция.
Рис. 12.12. Схема оптоэлектронного переключателя К293 ЛП.
К293ЛП (А,Б) – оптоэлектроиные переключатели-инверторы на основе диодных оптопар. В диодной оптопаре в качестве фотоприемного
элемента используется фотодиод на основе кремния, а излучателем служит инфракрасный излучающий диод – К293ЛП (А,Б) – это
оптоэлектронная интегральная микросхема (ОЭ ИМС). ОЭ ИМС называют ИМС, в которых реализована оптическая связь между отдельными узлами или компонентами с целью изоляции их друг от друга (гальванической развязки). В ОЭ ИМС кроме излучателя и фотоприемника содержатся элементы усиления сигнала, получаемого от фотоприемника и устройства формирования и обработки этого сигнала.
Отличительными особенностями ОЭ ИМС является гальваническая развязка между вводными и выходными цепями и однонаправленность распространения сигналов при практически полном отсутствии обратной связи с выхода на вход.
12.5 Описание электрической принципиальной схемы код-фаза.
Схема код-фаза состоит из триггеров ДД23-1 и ДД23-2, мультивибраторов ДД24 и ДД25, счетчиков ДД13–ДД20, сумматоров ДД9–ДД12, дешифратора ДД26, светодиодов НЛ1–НЛ32.
Работа блока происходит следующим образом: на входы микросхемы ДД21-11 подаются импульсы, получающиеся в результате перевода синусоиды трехфазного напряжения из отрицательного полупериода в положительный через нуль. Они открывают триггер ДД23 и в него записывается единица. Далее 1 поступает на ДД21-1, туда же поступают сигналы с генератора импульсов. На счетчиках происходит деление импульсов на 16. Далее импульсы поступают на входы В0–ВЗ сумматоров ДД9–ДД12. На входы А0–АЗ этих же сумматоров поступает параллельный двоичный код их микро-ЭВМ. В результате сложения на выходе сумматоров появится импульс переполнения, который сбросит триггер ДД23.1 в исходное состояние. В зависимости от кода из микро-ЭВМ, импульсы на выходах сумматоров будут появляться с различными интервалами, т.е. их фазовый сдвиг будет прямо пропорционален двоичному коду из микро-ЭВМ. Во второй части схемы происходит формирование управляющих импульсов для отрицательного полупериода синусоидального напряжения. В базовой схеме вторая часть была такая же как и первая часть, т.е. на сумматорах и счетчиках. В разработанной схеме она реализована на счетчиках и дешифраторе, с помощью которых происходит фазовый сдвиг импульсов, полученных ранее для положительного полупериода синусоидального напряжения. Разработанная схема является наиболее простой и экономичной. На светодиодах НЛ1–НЛ32 высвечивается двоичный код из микро-ЭВМ и управляющие импульсы.
















