12_glava (1055401), страница 5
Текст из файла (страница 5)
Тахогенератор - это элемент систем автоматического регулирования, входным параметром для которого служит частота вращения (угловое положение)вала тахогенератора, а выходным - напряжение, прямо пропорциональное входной величине.
Датчик обратной связи BE-I78 импульсного типа включает в себя три основные части: механическую, оптическую и электронную.
Механическая часть обеспечиваат точное вращение входного дала преобразователя относительно корпуса.
Оптическая часть содержит светодиод, линзу, растровую индикаторную пластинку и растровый диск, а также фотодиоды.
Электронная часть состоит из усилителей, на входы которых подают сигналы от фотодиодов для компенсации постоянной составляющей сигнала. Эти сигналы имеют прямоугольную форму, их амплитуды смещены относительно друг друга на 90°. Частота следования импульсов пропорциональна измеряемой скорости вращения, а число импульсов - углу поворота вала двигателя.
Для отображения информации об угле поворота и частоте вращения вала электродвигателя на стенде предусмотрена цифровая индикация. Угол поворота отображается при помощи выполненного на светодиодах семисегментного индидатора, который получает сигналы с дешифратора, переводящего двоичный код в управляющий код семисегментных индикаторов. На индикаторах при этом появляются десятичные числа, соответствующие углу поворота вала электродвигателя.
При помощи программатора осуществляется кодовое задание параметров в микроЭВМ.
Нагрузочное .устройство, состоящее из автотрансформатора T2, вольтметра PV , амперметра РА и порошковой муфты , служит для создания момента нагрузки на валу двигателя, который прямо пропорционален току, протекающему в цепи порошковой муфты (см. схему на лабораторной стенде).
Лабораторная установка состоит из микроЭВМ ДВК-3, управление которой осуществляется с клавиатуры, программатора и силового агрегата, смонтированного на опорной металлической конструкции. Электронные функциональные блоки расположены в специальном устройствв (под ЭВМ). Для работы с микро ЭВМ необходимо ознакомиться с инструкцией по эксплуатации.
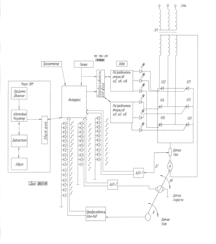
Рядом с ЭВМ расположен стенд, на котором представлена функциональная схема цифрового электропривода с цифровой индикацией. Для исследования формы сигналов с датчика тока, тахогенератора и датчика угла на стенде имеется осциллограф.
ЗАДАНИЕ
1. Исследовать структурную схему ЦППТ с разомкнутой обратной связью, установить назначение .и рассмотреть функционирования каждого элемента стенда.
2. Определить естественные характеристики ЦППТ с разомкнутой ОС.
3. Задавая минимальную и максимальную частоту вращения вала двигателя, определить диапазон ее регулирования.
4. Исследовать структурную схему ЦППТ с замкнутой ОС, установить назначение и рассмотреть функционирование каждого элемента стенда.
5. Определить характеристики ЦППТ с замкнутой ОС.
6. Задавав минимальную и максимальную частоты вращения вала двигателя, определить диапазон их регулирования.
7. Исследовать влияние дискретности по времени на статические характеристики ЦППТ.
8. Определить форму сигналов ЦППТ с помощью осциллографа.
ПОРЯДОК ВЫПОЛНЕНИЯ РАБОТЫ
I. Исследование разомкнутой системы ЦППТ;
1.1. Ознакомиться со структурной схемой ЦППТ и зарисовать функциональную схему в отчет.
1.2. Установить назначение и функциональное действие каждого элемента стенда.
1.3. Включить с разрешения преподавателя стенд и микроЭВМ.
Для этого необходимо:
а) нажать клавишу <СЕТЬ> , дождаться свечения светодиода <СЕТЬ> ;
б) нажать клавишу <УПР>
в) нажать клавишу < ПУЛЬТ > , дождаться свечения светодиода <ПУЛЬТ> ;
г) повторно нажать клавишу <ПУЛЬТ> , при этом светодиод < ПУЛЬТ > погаснет;
д) нажать на верхние части, замков левого и правого дисководов и открыть их;
е) вставить системную и рабочую дискеты в прорезь левого и правого дисководов (в левый дисковод - системную, а в правый - рабочую), а затем закрыть замки обоих дисководов (системная и рабочая дискеты выдаются преподавателем);
ж) набрать на клавиатуре команду <В>, затем <МХО>; после запроса ЭВМ на подтверждение команды нажать <Y> - машина готова к работе.
1.4. Вызвать программу PRIV1 , которая соответствует разомкнутой схеме ЦППТ.
1.5. Задать по запросу диалоговой программы максимальную я минимальную частоты вращения вала электродвигателя и определить диапазон регулирования его частоты вращения D=Wmax/Wmin .Занести результат в отчет.
1.6. Определить по показаниям приборов стенда механическую характеристику ЦППТ Wдв=f(Мдв), начертить полученный график в отчете.
1.7. Определить жесткость механической характеристики b = D M дв/ D w дв. Результат записать в отчет.
2. Исследование ЦППТ с обратной связью по скорости:
2.1. Ознакомиться со структурной схемой ЦППТ с ОС по скорости и зарисовать функциональную схему в отчет.
2.2. Установить назначение и функциональное действие каждого элемента стенда.
2.3. Включить микроЭВМ, если до этого она была выключена (см. п. 1.3).
2.4. Вызвать на выполнение программу PRIV2 .
2.5. Выбрать по запросу диалоговой программы режим работы ЦППТ с ОС по скорости.
2.6. Задавая минимальную и максимальную частоты вращения электродвигателя (см. п. 1.5), рассчитать его диапазон регулирования l . Результат занести в отчет.
2.7. По показаниям приборов стенда (см. п. 1.6) определить одну из механических характеристик ЦППТ w дв=f(Mдв). Начертить полученный график в отчете.
2. 8. Меняя коэффициенты . усиления k1, k2 в цепи обратной связи (численные значения задаются преподавателем), получить семейство механических характеристик w дв=f(Mдв) Результаты занести в отчет.
2.9. Для каждой механической характеристики определить жесткость, занести результаты в отчет и сделать выводы о влияния коэффициентов k1, k2 на жесткость механической характеристики.
3. Исследование влияния дискретности по времени на работу ЦППТ:
3.1. Ввести в микроЭВМ программу PRIV3 . Эта программа работает о дискретностью, по времени равной 6 мс.
3.2. Согласно первой графе таблицы, набрать код на программаторе в восьмеричной системе счисления. Наблюдая за работой ЦППТ, заполнить таблицу.
| Код программатора | Тахоге-нератор | Распре-делитель импульсов | Ток якоря двигателя | Датчик угла | АЦП1 | АЦП2 | Преобразователь "угол-код" |
| 778 7778 77778 1000778 1077778 |
|
|
|
|
|
|
|
3.3. Наблюдать при помощи осциллографа форму исследуемых сигналов в точках, зарисовывая ее на отдельных листах миллиметровки с использованием необходимых масштабов.
3.4. Ввести в микроЭВМ программу PRIV4 , в которой дискретность по времени увеличена в два раза. Повторить эксперимент по пп. 3.2, 3.3.
3.5. Ввести в “микроЭВМ программу PR1V5 , в которой дискретность по времени увеличена в три раза. Повторить эксперимент по пп, 3.2, 3.3. Сделать необходимые выводы о влиянии дискретности по времени на работу ЦППТ.
СОДЕРЖАНИЕ ОТЧЕТА
Отчет о проделанной работе является составной ее частью. Он должен содержать наименование работы, фамилию и инициалы исполнителя, номер группы и дату выполнения.
В отчете должны быть представлены функциональная схема ЦППТ, осциллограммы исследования, результаты опытов и соответствующие расчеты в
виде таблиц и графических построений (см. пункты задания). Записи по каждому опыту необходимо начинать о его наименования.
Отчет выполняется аккуратно с соблюдением: ГОСТа, графические построения необходимо делать с использованием чертёжных инструментов.
12.10 Изучение цифрового электропривода постоянного тока с прямым микропроцессорным управлением.
Авторы Буянкин В.М. Кравец В.А. Семенов В.С.
ЧАСТЬ 2
Цель работы - ознакомление с основными техническими характеристиками ЭВМ ДВК3, являющейся одним из основных элементов цифрового электропривода постоянного тока с прямим микропроцессорным управлением (ЩШГ) (его функциональная схема рассмотрена в работе С 5 ]); изучение
элементов программирования на языке ассемблера ЭВМ ДВК-3; исследование различных режимов работы ЦДГГГ.
ТЕОРЕТИЧЕСКАЯ ЧАСТЬ
С точки зрения теории автоматического управления современные электроприводы представляют собой замкнутые отрицательными обратными связями (ОС\ технические системы с включенными в них ЭВМ. ЭВМ выполняют функцию обработки сигналов с датчиков ОС, задают программу движения. На
их базе реализуется программно-перестраиваемый адаптивный регулятор, оптимизирующий параметра работы ЦППТ. Кроме того, ЭВМ диагностирует работу блоков и устройств ЦППТ. Это позволяет достичь высокой точности регулирования параметров и возможности быстрой переналадки без изменения аппаратной части - только о помощью изменения программного обеспечения ЭВМ, входящей в контур управления ЦППТ.
Тип ЭВМ, ее технические характеристики непосредственно влияют на диапазон регулирования параметров и их число, а также на стоимость установка в целом. Поэтому к применению в
ЦППТ можно рекомендовать минимальную по цене ЭВМ, обеспечивающую его заданные параметры управления.
В частности, в лабораторной установке, структурная схема которой представлена на рис. I, используется стандартная микроэвм ДВК-3 со следующими техническими характеристиками: разрядность для чисел и команд . .. 16 двоичных разрядов
Число регистров общего назначения (РОК) 8
Число команд языка ассемблера 61
Емкость ОЗУ 16 Кбайт
Время выполнения двухадресных команд типа
"сложение" 4
Рис.12.23
Микроэвм ДВК-3 относится к семейству ЭВМ "Электроника", в которое также входят машины типа ДВК, "Эявктроника-60". "Эяектроника-85", СМ-1420, СМ-3 и СМ-4. Это семейство в настоящее время является в России одним из наиболее распространенных после ЭВМ типа IBM PC. Однако следует подчеркнуть, что машины рассматриваемого семейства программно - совместимы с ЭВМ типа IBM PC.
Любая ЭВМ имеет собственный, зависящий от ее структуры, язык программирования - язык машинных кодов. Он представляет собой совокупность двоичных кодов операций поэтому мало пригоден для программирования сколько-нибудь сложных задач. Поэтому широкое распространение получили языки программирования ,не совпадающие с машинными кодами и более удобные для использования.
По степени близости к машинным кодам языки программирования принято делить на две группы: низкого и высокого уровня.
К первой группе относят языки ассемблеров, являющиеся набором мнемокодов, соответствующих почти полностью машинным кодам данной ЭВМ. Существует не один, в множество языков, которые обычно совместимы только с языками ассемблеров внутри своего семейства ЭВМ (например, ассемблеры семейства ЭВМ "Электроника" несовместимы с аналогичным» языками семейства IBM PC), При переводе в язык машинных кодов каждый оператор, представляющий отдельную мнемонику, заменяется цифровым кодом команды.
Языки высокого уровня дат возможность описывать алгоритмы в удобной для пользователя форме, которая близка к обычной записи математических и логических действий. Их использование сокращает трудоемкость программирования. К таким языкам относятся Бейсик, Паскаль, Фортран, ПЛ и др. Их операторы соответствуют нескольким машинным кодам.
Следует заметить, что в технической литературе иногда отдельно выделят языки "среднего" уровня, к которым причисляют, например, языки С и C++.
Машинные коды, а следовательно, и операторы языков ассемблеров по своему назначению могут быть разделаны на семь групп:
-
команды пересылки, обмена, побитового сброса и установки;
-
арифметические команды и команды модификации;
-
логические команды, команда сдвига, сравнения и проверки;
-
команды передачи и возврата управления;
-
команда управления признаками условий;
-
команда управления прерываниями и спецкоманды;
-
команда обмена между адресными пространствами текущего
и предыдущего режимов.
Команды пересылки, обмена, побитового сброса я установки предназначены для перемещения данных между парами регистров, ячеек памяти, для обмена местами байтов в слове, а также для сброса и установки заданных битов в слове.
Арифметические команда и команды модификации обеспечивают выполнение арифметических операций и операций над содержимым слова или байта.
Логические команды, команды сдвига, сравнения и проверки предназначены для выполнения операций над однословными и байтовыми данными, которые находятся в регистрах или ячейках памяти компьютера.
Команда передачи и возврата управления образует большую группу команд, в которую входят команда, например, условного и безусловного переходов.
Команды управления признаками условий в слове состояния процессора дают возможность принудительно устанавливать или сбрасывать все или некоторые признаки условий.
Команда управления прерываниями и спецкоманды включены в группу, предназначенную для принудительного инициирования прерывания и возврата к прерванной программе.
Команда последней, седьмой, группы обеспечивают обмен информацией между стеком текущего режиме, микропроцессора и областью или операндом, находящимся в адресном пространстве предыдущего режима.
















