Раздел 9 (исправлено) (1252996), страница 5
Текст из файла (страница 5)
Постоянный цикл обработки – процесс отдельных движений станка для различных видов обработки, выполняемых специальными инструментами. Каждый постоянный цикл обработки имеет определенный формат записи, который записывается и вызывается при необходимости в кадрах основной УП.
Как правило, циклы выражены в параметрах, с помощью которых задается действительная траектория движения инструмента. Наиболее часто параметры в циклах задаются латинскими буквами R, P или Е с двух или трехзначными числами или специальными знаками (например, # ) с цифрами после них. Для различных УЧПУ циклы сравнительно одинаковы. Они могут отличаться принятыми схемами траекторий инструмента и видом используемых параметров.
9.6.1. Расточные постоянные циклы (G80 - G89).
Функции постоянных расточных циклов G81 - G89, позволяют программировать ряд операций (сверление, нарезание резьбы метчиком, растачивание и т.д.). Перечень и характеристики постоянных расточных циклов приведены в таблице 9.1.
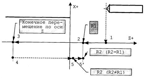
Последовательность движений при постоянных расточных циклах следующая (рис. 9.24):
-
быстрое позиционирование к оси отверстия;
-
быстрый подход к плоскости обработки (размер R1);
-
перемещение со скоростью рабочей подачи до запрограммированного размера (Z);
-
функции цикла на дне отверстия;
-
возвращение на быстром ходе или со скоростью рабочей подачи к координате R1 или R2, если координата возврата отличается от координаты подхода R1.
Функции G81 - G89 являются модальными. Стираются при помощи G80. Невозможно программировать новый постоянный цикл без закрытия предыдущего постоянного цикла. Во время расточного цикла нельзя программировать другую функцию G.
Циклы G81 - G89 стартуют координатами, запрограммированными сразу после кадра, содержащего постоянный цикл. После выполнения первого цикла для того, чтобы выполнить последующие циклы, идентичные первому, достаточно запрограммировать координаты точек отверстия.
Общий формат кадра постоянного расточного цикла следующий:
G8X [R1[R2]] координата цикла [дополнительные команды] [скорость подачи] [вспомогательные функции],
Параметры расточных циклов G81 - G89:
• [R1[R2]] – это координаты, относящиеся к оси шпинделя. Они определяют
координаты быстрого позиционирования в плоскости обработки в точке начала обработки и координаты возврата в конце обработки. Если R2 отсутствует, то R1 считается конечной координатой.
• координата цикла – определяет координату глубины отверстия и ось, вдоль которой выполняется цикл (X, Y, Z).
• [скорость подачи] – определяется символом F; выражает скорость подачи, с которой выполняется обработка отверстия в мм/мин, если отсутствует, то скорость подачи будет последняя запрограммированная F.
• [дополнительные команды]– являются командами, определяющими
параметры операций (например, K для глубокого сверления; Р – время
в сек).
• [вспомогательные функции]– определяют функции S, M, T, H.
Примеры расточных циклов приведены в п. 9.7.1.1, 9.7.1.2, 9.7.1.3, 9.7.1.4.
Характеристики постоянных циклов Таблица 9.1
| Постоянный цикл | Подход | Функция на дне отверстия | Возврат | |
| Выдержка времени | Вращение шпинделя | |||
| G81 сверление | рабочая подача | нет | нормальное | Ускоренное перемещение к R1 или R2 |
| G82 растачивание | рабочая подача | да | нормальное | Ускоренное перемещение к R1 или R2 |
| G83 глубокое сверление (с разгрузкой стружки) | В прерывистой работе (подход с рабочей скоростью с промежутком во время быстрого возврата или остановки) | да /нет | нормальное | Ускоренное перемещение |
| G84 нарезание резьбы метчиком | рабочая подача; начало вращения | нет | обратное вращение | Рабочая подача к R1 ускоренное перемещение к R2 |
| G85 рассверлива ние или нарезание резьбы метчиком | рабочая подача | нет | нормальное | Рабочая подача к R1 ускоренное перемещение к R2 |
| G86 развертыва ние | рабочая подача; начало вращения шпинделя | нет | остановка | Ускоренное перемещение |
| G89 развертыва ние с растачива нием | рабочая подача | да | нормальное | Рабочая подача к R1 ускоренное перемещение к R2 |
| G80 отмена постоянных циклов | ||||
Рассмотрим формирование постоянного расточного цикла на примере цикла сверления.
Постоянный цикл сверления G81 может быть также использован для операций растачивания, развертывания и центровочного сверления.
Функцию G81 можно программировать одну или вместе с другой информацией в одном кадре. Все путевые размеры в цикле программируются как абсолютные величины (G90), т.к. при активной G81 программирование G91 не разрешается.
Формат: G81 R…X…Y…Z…F…
где R – верхняя кромка детали (начальная координата отверстия) и координата
точки возврата
Z – рабочая глубина сверления
X, Y – значения позиционирования
F – рабочая подача
Пример G81
| N10 | G90 | S1000 | M42 | LF | ||||
| N20 | G81 | X85 | Y45 | Z-25 | R-55 | F300 | M3 | LF |
| N30 | X45 | Y30 | Z-15 | R-40 | LF | |||
| N40 | X25 | LF | ||||||
| N50 | G80 | Z-60 | H0 | LF | ||||
| N60 | G0 | X150 | Y0 | M30 | LF |
Выполнение перемещений в кадрах:
| N20 P0→P1 P1→P2 P2→P3 P3→P2 | G0 и шпиндель ВКЛ G0 G1 G0 |
| N30 P2→P4 P4→P5 P5→P6 P6→P5 | G0 G1 G0 G0 |
| N40 P5→P7 P7→P8 P8→P7 | G0 G1 G0 |
| N50 P7→P9 | G0, шпиндель ВКЛ стирается |
| N60 P9→P0 | G0 |
Рис. 9.24. Последовательность движений при постоянных расточных циклах (G91,G89).
Рис.9.25. Пример задания постоянного цикла сверления.
9.6.2. Постоянные циклы точения.
Циклы точения отличаются большим разнообразием. Предназначены для обработки простых и сложных, внешних и внутренних контуров различными резцами, для отрезки, нарезания резьб, прорезания, обработки выточек и т.п.
Некоторые постоянные циклы точения приведены в таблице 9.2.
Циклы чернового и чистового точения различаются в зависимости от способа снимаемого припуска и могут осуществлятся методами: «снятия стружки», «контурной обработки», обработки «параллельно к контуру».
Как правило, циклы чернового и чистового точения простых контуров задаются в «нормальном» режиме, более сложных контуров - в «расширенном» режиме (расширенная обработка резанием). «Расширенный» режим предполагает использование в цикле большего количества параметров. На рис.9.26 а,б показаны циклы чернового продольного точения методом «снятия стружки» в «нормальном» и «расширеном» режимах. Параметры циклов в «нормальном режиме»:
Параметры циклов в «нормальном» режиме.
Точка старта Х,Z.
Х1,Z1 начальная точка контура.
Х1 начальная точка контура (снятие стружки продольно).
Z2 конечная точка контура (снятие стружки продольно).
Z1 начальная точка контура (снятие стружки поперечно).
Х2 конечная точка контура (снятие стружки поперечно).
P>0: со съемкой материала по контуру
P<0: без съемки материала по контуру
Т номер инструмента.
S скорость вращения
F подача.
Параметры циклов в «расширенном» режиме:
Точка старта X, Z
Х1, Z1 начальная точка контура
Х2, Z2 конечная точка контура
Р глубина подвода: максимальная глубина подвода
P>0: со съемкой материала по контуру
P<0: без съемки материала по контуру
А начальный угол Диапазон: 0° <= А < 90°
W конечный угол Диапазон: 0°<=W<90°
R закругление
В, В1 фаска/закругление (В конец контура, В1 начало контура)
В>0: Радиус закругления
В<0: Ширина фаски
I, К припуск по X, Z
Т номер инструмента
S скорость вращения
















