7.АиМ из непрер.матер (1171740)
Текст из файла
31
АВТОМАТИЗАЦИЯ И МЕХАНИЗАЦИЯ ПРОЦЕССОВ ХОЛОДНОЙ ШТАМПОВКИ ИЗ НЕПРЕРЫВНОГО МАТЕРИАЛА
ОСОБЕННОСТИ АВТОМАТИЗАЦИИ
В условиях автоматизации кузнечно-штамповочного производства в качестве непрерывного материала (помимо ленты, проволоки, широкорулонной стали) в зависимости от характера и особенностей технологической операции может быть использован любой исходный материал. Например, при автоматизации процесса вырубки кружков (шайб) из полосы, последняя от момента заправки ее в пресс до полного расходования может рассматриваться как непрерывный материал; при автоматизации процесса резки листа на карточки (полосы) в качестве непрерывного материала (заготовки) используется лист; при автоматизации резки сортового проката (круглого, прямоугольного и др.) исходный материал может быть также условно отнесен к непрерывному и т. д.
Это объясняется тем, что во всех перечисленных случаях исходный материал (заготовка) отвечает следующим требованиям:
-
Непрерывность подачи одной и той же заготовки к технологическому оборудованию в течение некоторого времени.
-
Постоянство ориентации заготовки относительно инструмента машины.
-
Возможность получения нескольких (группы) деталей в результате последовательно совершаемых ходов технологического оборудования.
Наибольшие преимущества дает автоматизация штамповки из ленты, проволоки и широкорулонной стали. Однако применить указанные материалы не всегда возможно, так как при этом необходимо, чтобы ширина ленты (она нормализована) соответствовала требованиям технологии, чтобы был необходимый сортамент проволоки и т. д. Тогда-то и приходится применять полосовой материал, нарезанный предварительно из листа, сортовой прокат соответствующего профиля и т. д.
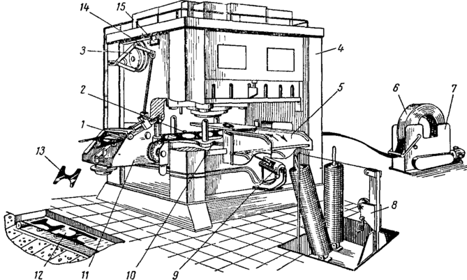
На рис. 1 показан участок штамповки листов железа ротора на двухстоечном кривошипном прессе 4 усилием 2500 кН (250 тс), оснащенном тянущей валковой подачей 11, лотковым удаляющим устройством 5, приводимым в движение от пневматического цилиндра 9; стапелирующим устройством 8; разматывающим устройством 7 и устройством (ножами) 1 с приводом от пневматического цилиндра для удаления отработанного материала 13, который попадает на подпольный ленточный транспортер 12, направляющий его на участок пакетирования.
В рассматриваемой установке используется лента, полученная на специальной установке сваркой из полос. Рулон 6 устанавливается на разматывающее устройство 7 с периодически включающимся приводом.
Рис. 1. Автоматический участок штамповки железа ротора
Привод валковой подачи 11 (скорость подачи 0,5 м/сек, шаг регулируемый от 140 до 300 мм) обеспечивается от главного вала: через специальный кулачок 3. В валковой подаче предусмотрен дополнительный механизм, обеспечивающий перемещение ленты; на дополнительный ход для переноса сварного шва через рабочую позицию. Включение привода дополнительного хода происходит через определенное число ходов пресса от специального контрольного устройства. В результате обеспечивается дополнительное вращение валков, протягивающих ленту до специального упора 2, установленного в штампе 10. При ходе ползуна вниз (валки подачи неподвижны) упор опускается, и лента освобождается. Затем при ходе ползуна вверх лента подается на установленный шаг и работа подачи происходит без дополнительного вращения валков.
Блокировка предотвращает возможность получения бракованных деталей и повреждения рабочих частей штампа.
Отштампованные листы ротора удаляются из рабочей зоны лотковым устройством 5, управление работой которого осуществляется от коленчатого вала пресса с помощью кулачка 14 и воздухораспределительного клапана 15.
На рис. 2 показана кинематическая схема участка автоматической штамповки из полосы. Стопка полос / устанавливается на стол полосоукладчика; рычаг 9 замыкает контакт конечного выключателя, который указывает на правильность установки (ориентации) исходного материала относительно пресса.
Рис. 2. Автоматический участок штамповки из полосы
Захват заготовки (полосы) осуществляется пневматическими присосами 4, смонтированными на траверсе 3. Захваченная полоса перемещается с помощью пневматического цилиндра 2, управляемого от электропневматического клапана 11, вверх на уровень работы валковой подачи 6, а с помощью пневматического цилиндра 5, управляемого клапаном 12, влево - в зону действия захватного органа валковой подачи. В конце хода шток пневматического цилиндра 5, воздействует на конечный выключатель, который обеспечивает включение пневматического привода 7, перемещающего передний конец полосы в рабочую зону штампа. В это время пневматический цилиндр 5 возвращает траверсу 3 в исходное положение. Шток пневматического привода 7 подачи в конце хода воздействует на конечный выключатель, который включает пресс на автоматическую работу. Привод валковой подачи при работе пресса осуществляется от главного вала. Пресс автоматически работает до тех пор, пока не отштампована вся полоса. Удаление готовых изделий осуществляется пневматическим удаляющим устройством 8, срабатывающим от специального пневматического переключателя 13. Отштампованная полоса попадает в специальное стапелирующее устройство (на рис. 2 не показано), после чего пневматический цилиндр 10 отключает пресс. Одновременно подается импульс на включение в работу полосоукладчика, затем цикл повторяется.
Рис. 3(88). Схема автоматической штамповки на многопозиционном прессе
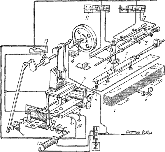
На рис. 3 показан многопозиционный пресс-автомат, в котором лента используется для получения штучной заготовки, передаваемой затем в виде полуфабрикатов с позиции на позицию специальным грейферным механизмом 12, работающим в период холостого хода пресса.
Лента 1 перемещается с помощью валковой подачи 10. Подача вырубленной заготовки в зону действия грейферной подачи осуществляется шиберным устройством 11. Формоизменение заготовки происходит на рабочих позициях 2—8, после чего деталь переносится на удаляющее устройство 9 типа транспортера.
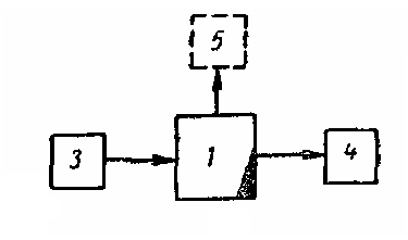
На основании изложенного структурная схема автоматизации и комплексной механизации штамповки из непрерывного материала может быть представлена схемами на рис. 4.
На схеме рис. 4, а направление подачи заготовки (непрерывного материала) совпадает с направлением перемещения полуфабриката на штампе (штамповка из ленты на многопозиционном или последовательном штампе). На схеме, показанной на рис. 4, б, направление подачи заготовки и направление перемещения полуфабриката по штампу не совпадает. В последнем случае на первой позиции из непрерывного материала получают штучную заготовку, которая затем специальным устройством перемещается с позиции на позицию.
а.
б.
в.
Рис. 4 Структурная схема компоновки средств автоматизации для штамповки из непрерывного материала:
а и б - для комплексной автоматизации;
в - для комплексной механизации;
1 - технологический агрегат;
2 - ориентирующе-питающее устройство;
3- подающее устройство;
4- устройство для удаления отработанного материала;
5 - устройство для удаления готовых изделий (штучных);
6 - контрольное устройство;
7 - передающее устройство (для штучных деталей).
Из структурных схем, приведенных на рис. 4, а и б, видно, что для автоматизации технологических процессов при использовании непрерывного материала необходимы следующие средства автоматизации:
ориентирующе-питающее и подающее устройства,
устройство для удаления отработанного материала и средства контроля.
устройства для удаления готовых изделий
по своему назначению относятся к средствам автоматизации, применяемым для штучных заготовок, и будут рассмотрены позже.
Ориентирующе-питающие устройства для непрерывного материала обеспечивают установку и подготовку исходного материала (заготовки). Установка материала предусматривает необходимую его ориентацию относительно захватных органов ориентирующе-питающего и подающего устройств. Подготовка материала к штамповке заключается в переводе исходного материала из состояния поставки (рулон, бухта, стопа) в состояние, пригодное для совершения технологической операции (т. е. разматывание, правка и др.), и в обеспечении постоянства питания материалом подающих устройств.
Различают следующие разновидности ориентирующе-питающих устройств:
разматывающее - правильные (для собственно непрерывного материала),
полосо и листоукладчики (для листов и полос),
автоматизированные стеллажи (для сортового проката).
Назначение подающих устройств (подач) определяется их названием, они обеспечивают подачу исходного материала непосредственно в рабочую зону технологического агрегата (пресса, различного типа ножниц, профилировочных вальцев и т. д.).
Устройства для удаления использованного материала применяются в основном при штамповке из ленты и полосы и представляют собой или специальные наматывающие барабаны и стапелирующие устройства для полос, или приспособления для рубки отхода с последующим удалением его от пресса.
Средства контроля, применяемые при автоматизации штамповки; из непрерывного материала, используются для различных блокировок: для остановки технологического оборудования в случае отсутствия материала, подачи «сдвоенных» заготовок (листов, полос) или при поломке инструмента; для поддержания постоянства скорости подачи материала и т. д. Они могут выполнять и самостоятельные функции, такие как управление устройствами для дозированной резки заготовок, программирование работы сортовых, ножниц и др. В последнем случае средства контроля относятся, к средствам автоматики.
Структурная схема комплексной механизации процессов штамповки из непрерывного материала показана на рис. 4, в. Она обычно используется при применении полосового материала или сортового проката.
ОРИЕНТИРУЮЩЕ-ПИТАЮЩИЕ УСТРОЙСТВА
Разматывающее - правильные устройства
Разматывающее - правильные устройства применяются при автоматизации процессов штамповки из ленты, широкорулонной стали и проволоки. Основными требованиями, предъявляемыми к разматывающее - правильным устройствам, являются их универсальность, т. е. возможность использования с различными технологическими агрегатами, и постоянство скорости подачи.
Быстроходность современных автоматов обусловливает большую скорость перемещения исходной заготовки, которая достигает при подаче проволоки до 1,4' м/сек и при подаче ленты 0,7 м/сек. При таких скоростях рулон ленты шириной 250 мм, толщиной 1 мм и массой 400 кг при режиме работы автомата 100 ход/мин и шаге подачи 250 мм (скорость подачи около 0,4 м/сек) будет полностью израсходован за 8—10 мин. На разгон и торможение такого рулона (наружный диаметр 700—800 мм) при каждом ходе ползуна автомата непроизводительно тратится громадная энергия до 500 Дж (50 кг-м). Поэтому для более производительного использования непрерывного материала (уменьшение непроизводительных остановок машины для установки нового рулона, бухты и т. д.) масса рулона увеличивается.
В кузнечно-штамповочном производстве применяются различные конструкции разматывающее - правильных устройств, которые могут быть подразделены на:
приводные совмещенные, в которых разматывающие и правильные устройства смонтированы на одном основании и имеют общий привод,
и на раздельно скомпонованные правильные и разматывающие, которые изготовляются приводными и не приводными.
Тип разматывающего устройства рекомендуется выбирать в зависимости от массы рулона (бухты): до 100 кг применяются неприводные типа катушек; до 150 кг — приводные типа катушек; до 500 кг — приводные с установкой рулона на катки; свыше 500 кг — приводные установки барабанного типа.
В качестве привода в правильно-разматывающих устройствах используются многоскоростные асинхронные электродвигатели или электродвигатели постоянного тока. При применении односкоростных асинхронных двигателей разматывающие устройства снабжаются вариатором. На рис. 5 показано не приводное разматывающее устройство (рулонница) типа катушки. Как видно из рис.5, установка рулона обеспечивается посадкой его на специальные четыре раздвижных пальца, перемещающиеся в пазах заднего диска. Основание рулонницы закреплено, что позволяет надежно зафиксировать ее положение и не опасаться, что она опрокинется от рывков, возникающих при подаче ленты.
Характеристики
Тип файла документ
Документы такого типа открываются такими программами, как Microsoft Office Word на компьютерах Windows, Apple Pages на компьютерах Mac, Open Office - бесплатная альтернатива на различных платформах, в том числе Linux. Наиболее простым и современным решением будут Google документы, так как открываются онлайн без скачивания прямо в браузере на любой платформе. Существуют российские качественные аналоги, например от Яндекса.
Будьте внимательны на мобильных устройствах, так как там используются упрощённый функционал даже в официальном приложении от Microsoft, поэтому для просмотра скачивайте PDF-версию. А если нужно редактировать файл, то используйте оригинальный файл.
Файлы такого типа обычно разбиты на страницы, а текст может быть форматированным (жирный, курсив, выбор шрифта, таблицы и т.п.), а также в него можно добавлять изображения. Формат идеально подходит для рефератов, докладов и РПЗ курсовых проектов, которые необходимо распечатать. Кстати перед печатью также сохраняйте файл в PDF, так как принтер может начудить со шрифтами.
















