08_glava (1055395), страница 4
Текст из файла (страница 4)
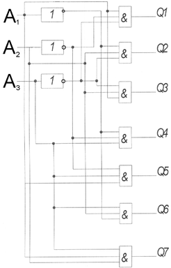
Составить логическую схему дешифратора трехразрядных чисел, представленных в B коде, в сигналы десятичной системы счета.
| Счет | Входной код В | Выходной код BCD | ||||||||
| A1 | A2 | A4 | Q1 | Q2 | Q3 | Q4 | Q5 | Q6 | Q7 | |
| 0 | 0 | 0 | 0 | 0 | 0 | 0 | 0 | 0 | 0 | 0 |
| 1 | 1 | 0 | 0 | 1 | 0 | 0 | 0 | 0 | 0 | 0 |
| 2 | 0 | 1 | 0 | 0 | 1 | 0 | 0 | 0 | 0 | 0 |
| 3 | 1 | 1 | 0 | 0 | 0 | 1 | 0 | 0 | 0 | 0 |
| 4 | 0 | 0 | 1 | 0 | 0 | 0 | 1 | 0 | 0 | 0 |
| 5 | 1 | 0 | 1 | 0 | 0 | 0 | 0 | 1 | 0 | 0 |
| 6 | 0 | 1 | 1 | 0 | 0 | 0 | 0 | 0 | 1 | 0 |
| 7 | 1 | 1 | 1 | 0 | 0 | 0 | 0 | 0 | 0 | 1 |
Рис. 8.19
Задача 6.4.
Составить таблицу истинности дешифратора для сегментного индикатора (К155ПП5). Составить карту Карно для минимизации логического уравнения одного из сегментов. Записать логическое уравнение.
| Счет | Входной код B | Выходной код | |||||||||
| A1 | A2 | A4 | A8 | a | b | c | d | e | f | g | |
| 0 | 0 | 0 | 0 | 0 | 1 | 1 | 1 | 1 | 1 | 1 | 1 |
| 1 | 1 | 0 | 0 | 0 | 0 | 1 | 1 | 0 | 0 | 0 | 0 |
| 2 | 0 | 1 | 0 | 0 | 1 | 1 | 0 | 1 | 1 | 0 | 1 |
| 3 | 1 | 1 | 0 | 0 | 1 | 1 | 1 | 1 | 0 | 0 | 1 |
| 4 | 0 | 0 | 1 | 0 | 0 | 1 | 1 | 0 | 0 | 1 | 1 |
| 5 | 1 | 0 | 1 | 0 | 1 | 0 | 1 | 1 | 0 | 1 | 1 |
| 6 | 0 | 1 | 1 | 0 | 1 | 0 | 1 | 1 | 1 | 1 | 1 |
| 7 | 1 | 1 | 1 | 0 | 1 | 1 | 1 | 0 | 0 | 0 | 0 |
| 8 | 0 | 0 | 0 | 1 | 1 | 1 | 1 | 1 | 1 | 1 | 1 |
| 9 | 1 | 0 | 0 | 1 | 1 | 1 | 1 | 1 | 0 | 0 | 0 |
карта Карно
-минимизированное уравнениеЗадача №6.5
Составить логическую схему блока перемножения двух двухразрядных положительных двоичных чисел.
Рис.8.21
Структурная схема умножителя с использованием способа многократного сложения:
(7*4=7+7+7+7=28)
710 х 410
1110 х 1002
| Загрузка Двоичных чисел | После 1-го счета | После 2-го счета | После 3-го счета | После 4-го счета | |
| Регистр множимого | 111 | 111 | 111 | 111 | 111 |
| Счетчик множителя | 100 | 011 | 010 | 001 | 000 |
| Регистр произ- ведения | 0000 | 111 + 0000 111 | 111 + 111 01110 | 1110 + 111 10101 | 10101 + 111 11100 |
| Загрузка | Остановка |
Задача №6.6
Составить таблицу истинности блока деления двухразрядных положительных чисел: трехразрядное X на двухразрядное Y.
| 0.11 0.10 | 0.10 делимое 0.10 делитель | Разряды частного |
| 0 + 0 0 | Определение кода знака частного | |
| 110 + 110 1100 | Сдвиг делимого влево на один разряд Делитель (дополнительный код) |
.
8.12 Арифметические схемы КМОП
















