08_glava (1055395), страница 2
Текст из файла (страница 2)
Задача №5.2
З
аписать значения чисел в десятичной и в двоичной системе счета
OFFF16 ABCD16 6416 1016 816
Задача №5.3
Выполнить суммирование чисел. Указать наличие переноса из старшего значащего разряда (С3Р) при выполнении суммирования в восьмиразрядной цифровой системе
Задача №5.4
Выполнить вычитание чисел A16-616, 616-A16 в четверичной цифровой системе, применяя обычное правило вычитания
Задача №5.5
Вычислить дополнительный код чисел -110, -510, -810 в четверичной системе счета для четырехразрядной цифровой системы. Примечания: дополнительный код (доп.к.) = обратный код (обр.к.) + 1 обр.к. + прямой код (пр.к.) = максимальное значение в данной системе пр.к. - это положительное значение числа.
Задача №5.6
Вычислить двоичные значения шестнадцатеричных кодов B16, FB16, EB16, 2016.(используем таблицу 1)
8.9 Лабораторная работа "Цифровые многоразрядные регистры и сумматоры." Авторы Буянкин В.М., Васюков С.А. ,Шамгулов Р.О.
ОПИСАНИЕ ЛАБОРАТОРНОЙ УСТАНОВКИ
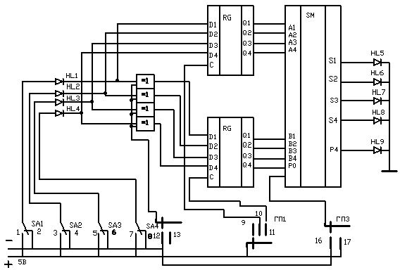
Лабораторная установка состоит из стандартной кассеты со схемой исследуемого устройства и универсального стенда ЛОЭ-2 (рис.8.13). Кассета содержит сумматор SM, регистры RG1, RG2, кодопреобразователь на схемах "исключающее ИЛИ" и светодиоды на выходе сумматора.
Слагаемые А и В набирают поочередно ключами SA1 - SA4, разряды входного числа индицируются светодиодами HL1...HL4, а суммы и переноса - светодиодами HL5-HL9.
Для выполнения операций сложения чисел А и В необходимо:
-
Выставить галетные переключатели в исходное положение: ГП1 - в положение 9 и ГПЗ - в положение 16; установить на управляющем входе кодопреобразователя код операции сложения, для этого галетный переключатель ГП2 перевести в положение 12.
-
Набрать ключами SA1 -SA4 четырехразрядное число А. Положение ключа SA4 определяет знак числа: если число А отрицательное, то его набирают в дополнительном коде.
-
Записать число А в регистр RG1. Для этого на вход разрешения записи С регистра RG1 подается сигнал высокого логического уровня путем перевода галетного переключателя ГП2 из исходного положения 9 в положение 10. При этом число А сразу же из регистра RG1 попадает на входы А1 - А4 сумматора, а на его выходах формируется промежуточная сумма S = А.
-
Набрать ключами SA1 - SA4 четырехразрядное число В.
-
Записать число В в регистр RG2, переводя ГП1 из положения 10 в положение 11. При этом число В сразу же появляется на входах сумматора В1 - В4, а на входах S1 - S4 появляется сумма S = А + В и сигнал переноса Р4.
Для выполнения операций вычитания чисел А и В необходимо:
-
Выставить галетные переключатели в исходное положение: ГП1 - 9, ГП2 - 13, ГП3 - 16.
-
Набрать число А и переводом ГП1 в положение 10 записать его в RG1 и SM.
-
Набрать число В. Так как на управляющем входе колопреобразователя установлена единица, на его выходе формируется обратный код числа
. -
Сформировать на входах сумматора дополнительный код
, переведя переключатель ГП1 в положение 11.
Проделав вышеперечисленные операции, в сумматоре SM мы сформировали сумму чисел А, обратного кода числа
логической единицы переноса РО : S = А +
+ РО, но
+ 1 =
, т.е. S = А +
= А - В.
Рис.8.13
ЗАДАНИЕ И ПОРЯДОК ВЫПОЛНЕНИЯ РАБОТЫ
Ознакомиться с лабораторной установкой. Выяснить назначение управляющих ключей игалетных переключателей.
Получить разрешение преподавателя на проведение работы.
А. Исследовать операцию суммирования цифровых сигналов.
Подготовить таблицу 1 для записи слагаемых и их суммы. Слагаемые представляйте в четырехразрядной сетке со знаком.
Таблица 1.
| № П/П | Слагаемое | Слагаемое | P0 | Сумма | P4 | Примечания | |||
| A10 | A2 | B10 | B2 | S10 | S2 | ||||
| 1 | A10 >0, B10 >0, S10 ≤710 | ||||||||
| 2 | A10 >0, B10 <0, |A10|>|B10|, |S10|<710 | ||||||||
| 3 | A10 <0, B10 >0, |A10|>|B10|, |S10|<710 | ||||||||
| 4 | A10 <0, B10 <0, |S10|≤710 | ||||||||
| 5 | 710 | 110 | A10 =710, B10 =110 | ||||||
-
Предложите для суммирования два положительных числа: А10 и В10, такие, чтобы их сумма находилась в диапазоне представления чисел в четырехразрядной сетке со знаком. Так как под значащие разряды числа отведено всего три разряда, максимально возможная сумма равна 1112=710.
-
Выполните суммирование чисел А10 и В10 вручную и с помощью сумматора, сравните результаты; коды и суммы отобразите в табл.2
-
Выполните суммирование чисел А10 и В10, A10 >0, B10 <0, |A10|>|B10|, S10<710.
-
Выполните суммирование чисел А10 и В10, A10 <0, B10 >0, |A10|>|B10|, S10<710.
-
Выполните суммирование чисел А10 и В10, A10 <0, B10 <0, S10≤710.
-
Выполните суммирование положительного числа А10 - максимально возможного для указанного диапазона представления (в нашем случае А10 = 7) и числа 110.
При выполнении действий, описанных в п. п. 2 - 5, суммирование чисел сначала произведите вручную и затем сравните результаты с содержимым выходных разрядов сумматора; коды слагаемых и сумм отобразите в табл.2
Б. Исследование операции вычитания цифровых сигналов.
Подготовьте табл.2 для записи вычитаемого, уменьшаемого и разности чисел А и B.
Таблица 2
| № П/П | Слагаемое | Слагаемое | P0 | Сумма | P4 | Примечания | |||
| A10 | A2 | B10 | B2 | S10 | S2 | ||||
| 1 | A10 >0, B10 >0, S10 ≤710, A10 >B10 | ||||||||
| 2 | A10 >0, B10 >0, A10<B10, |S10|<710 | ||||||||
| 3 | A10 >0, B10 <0, S10≤710 | ||||||||
| 4 | A10 =B10 | ||||||||
| 5 | A10 <0, B10 >0, S10>710 | ||||||||
Проделайте пять раз операцию вычитания чисел в соответствии с условиями, указанными в графе "Прмечания" табл.2
Сделайте выводы по результатам сложения и вычитания.
ОПИСАНИЕ ЛАБОРАТОРНОЙ УСТАНОВКИ 2
Лабораторная установка 2 представлена на рис. 8.14 и состоит из регистра К155ИР1
.Задание 1. Изучить таблицу состояний регистра К155ИР1. Определить возможные режимы работы и комбинации управляющих сигналов задающие их. На рис.7 представлен лабораторный стенд.
Таблица 2. Таблица состояния регистра К155ИР1
| Вход | Выход | ||
| ___ __ __ PE C2 C1 | Посл. S1 | Параллельные D0 D1 D2 D3 | Q0 Q1 Q2 Q3 |
| B B × × × × × × Q0 Q1 Q2 Q3 B ↓ × × a b c d a b c d B ↓ × × Q1 Q2 Q3 d Q1 Q2 Q3 d H H B × × × × × Q0 Q1 Q2 Q3 H × ↓ B × × × × B Q0 Q1 Q2 H × ↓ H × × × × H B Q0 Q1 ↑ H H × × × × × Q0 Q1 Q2 Q3 ↓ H H × × × × × Q0 Q1 Q2 Q3 ↓ H B × × × × × Q0 Q1 Q2 Q3 ↑ B H × × × × × Q0 Q1 Q2 Q3 ↑ B B × × × × × Q0 Q1 Q2 Q3 | |||
Уровень логической «1» соответствует обозначению «В», уровень логического «0» соответствует обозначению «Н». Обозначения Q0-Q3 соответствуют состоянию выходов регистра до подачи тактовых импульсов. Обозначение: ↓ - срабатывание по срезу тактового импульса, ↑- срабатывание по фронту тактового импульса, a,b,c,d- обозначают вводимую информацию.
Задание 2. Исследовать работу регистра в режиме очистки.
2.1. Собрать схему, представленную на рис.1. Определить какому режиму работы она соответствует. Включить стенд и определить состояние регистра по индикаторам Н8-Н11. Подать на тактовый вход С1 четыре импульса с помощью кнопки S2 фиксируя состояние выходов регистра после каждого импульса. Результат наблюдений свести в таблицу 1.
2.2. Отключить стенд и переставить перемычку с входа С1 на вход С2, а перемычку соединяющую вход РЕ с общим проводом убрать. Включить стенд
и зафиксировать состояние выходных сигналов регистра. Подать тактовый импульс на вход С2. Определить состояние регистра. Результаты наблюдений свести в таблицу 3. (Стенд отключить, схему не разбирать.).
Таблица 3 Состояния входов и выходов регистра
| № Так. | PE | C2 | C1 | S1 | D0 | D1 | D2 | D3 | Q0 | Q1 | Q2 | Q3 |
| ↓ | ||||||||||||
| ↓ | ||||||||||||
| ↓ | ||||||||||||
| ↓ |
Рис.8.15. Схема регистра















