Х9 вариант, 16 баллов (1054446)
Текст из файла
16 баллов
-
САУ на основе пневмо-механического кулачкового командоаппарата. Преимущества и недостатки. Способы описания работы.
Включает в себя исполнительные механизмы и систему управления.
Перемещение руки робота осуществляется пневмоцилиндрами, воздух в которые подается через пневмоклапаны, управляемые кулачками распределительного вала.
Преимущества:
- уменьшенная нагрузка на кулачки и распределительный вал;
-двигатель имеет возможность запускаться и останавливаться на каждом цикле перегрузке;
-быстрая переналадка.
-
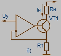
Источники тока на операционных усилителях. Вывод формулы управления током с использованием основных правил расчета схем на идеальных операционных усилителях.
Характеристики
Тип файла документ
Документы такого типа открываются такими программами, как Microsoft Office Word на компьютерах Windows, Apple Pages на компьютерах Mac, Open Office - бесплатная альтернатива на различных платформах, в том числе Linux. Наиболее простым и современным решением будут Google документы, так как открываются онлайн без скачивания прямо в браузере на любой платформе. Существуют российские качественные аналоги, например от Яндекса.
Будьте внимательны на мобильных устройствах, так как там используются упрощённый функционал даже в официальном приложении от Microsoft, поэтому для просмотра скачивайте PDF-версию. А если нужно редактировать файл, то используйте оригинальный файл.
Файлы такого типа обычно разбиты на страницы, а текст может быть форматированным (жирный, курсив, выбор шрифта, таблицы и т.п.), а также в него можно добавлять изображения. Формат идеально подходит для рефератов, докладов и РПЗ курсовых проектов, которые необходимо распечатать. Кстати перед печатью также сохраняйте файл в PDF, так как принтер может начудить со шрифтами.
















