Х7 вариант, 16 баллов (1054442)
Текст из файла
16 баллов (3 балла снято за задержку и отсутствие материала по методам описания работы, но три балла добавлено за источник тока Хевиленда)
1) Типовой однокристальный микроконтроллер в одной БИС содержит вычислительное ядро, тактовый генератор, память программ и данных, программируемые таймеры, приемопередатчик по последовательному каналу, средства формирования и поддержки внешних шин и программируемые порты для контроля и управления объектом. Это практически законченная микро-ЭВМ.
Возможностей намного меньше, чем у микро-ЭВМ на универсальном микропроцессоре, но их вполне достаточно, чтобы сделать САУ для простых роботов. Также она будет надежнее и на порядок дешевле, чем САУ на основе микропроцессора.
Сигналы с датчиков приходят в порт Р0, с порта Р1 снимаются сигналы на формирователь команд ФК, к порту Р2 подключен пульт управления, а микроконтроллер осуществляет его анализ и индикацию. К входам С1 и С2 подключен кварцевый резонатор, обеспечивающий стабильную работу внутреннего тактового генератора.
2)
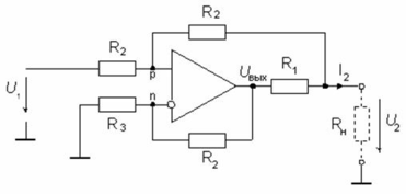
Принцип действия источника тока, схема которого приведена на рис. 2.7, состоит в том, что выходной ток измеряется по падению напряжения на резисторе R1. Выходное напряжение ОУ устанавливается таким, что падение напряжения на резисторе R1 оказывается равным величине входного напряжения.
Для определения выходного тока источника запишем уравнения по первому закону Кирхгофа для n- и р-входов и выхода операционного усилителя:
(Uвых – Un)/R2 – Un/R3 = 0;
(U1 – Up)/R2 + (U2 – Up)/R2 = 0;
(Uвых – U2)/R1 – (U2 – Up)/R2 – I2 = 0.
Из этих уравнений, полагая, что Un = Up, получим:
Приравняв к нулю коэффициент при U2, найдем условие независимости выходного тока от напряжения на нагрузке:
R3 = (R2)2/(R1 + R2)
Теперь выражение для выходного тока источника будет иметь вид
I2 = U1/(R1|R2)
Путем выполнения точной подстройки R3 можно добиться бесконечного выходного сопротивления источника тока на низких частотах при реальных характеристиках операционного усилителя.
Характеристики
Тип файла документ
Документы такого типа открываются такими программами, как Microsoft Office Word на компьютерах Windows, Apple Pages на компьютерах Mac, Open Office - бесплатная альтернатива на различных платформах, в том числе Linux. Наиболее простым и современным решением будут Google документы, так как открываются онлайн без скачивания прямо в браузере на любой платформе. Существуют российские качественные аналоги, например от Яндекса.
Будьте внимательны на мобильных устройствах, так как там используются упрощённый функционал даже в официальном приложении от Microsoft, поэтому для просмотра скачивайте PDF-версию. А если нужно редактировать файл, то используйте оригинальный файл.
Файлы такого типа обычно разбиты на страницы, а текст может быть форматированным (жирный, курсив, выбор шрифта, таблицы и т.п.), а также в него можно добавлять изображения. Формат идеально подходит для рефератов, докладов и РПЗ курсовых проектов, которые необходимо распечатать. Кстати перед печатью также сохраняйте файл в PDF, так как принтер может начудить со шрифтами.
















