Х8 вариант, 16 баллов (1054444)
Текст из файла
Вопрос №1.
Статический коэффициент полезного действия ключей на биполярных и полевых транзисторах. Динамические потери.
Для транзисторных ключей к.п.д. считается как отношение мощности выделяемой на нагрузке к мощности выделяемой на ключе и нагрузке. Для биполярного транзистора имеем:
Где Uk – напряжение на коллекторе(на ключе); Uн – напряжение на всей нагрузке; Ik – коллекторный ток.
Для полевого транзистора, так как он ведет себя как управляемое переменное сопротивление:
Где Ic – ток стока; Rн – сопротивление нагрузки; Ro – сопротивление канала транзистора во включенном состоянии.
Откуда мы видим, что биполярный транзистор эффективен при высоком напряжении нагрузки, а полевой при ее высоком сопротивлении.
Динамические потери.
Динамическими потерями называют рассеиваемую на транзисторе мощность, при его включении и выключении, т.е при переходных процессах, при чем, при включении динамические потери ничтожно малы и их обычно не учитывают. При выключении транзистора с активной нагрузкой переходный процесс продолжается в области насыщения до тех пор, пока избыточная концентрация носителей заряда у коллекторного перехода не упадет до нуля, вследствие чего и происходит рассеивание мощности на транзисторе.
За счет образующихся диодов между стоком и подложкой и истоком и подложкой или стоком и истоком (в зависимости от того, имеют ли исток и подложка контакт внутри прибора), происходит шунтирование отрицательных выбросов при коммутации нагрузки, из-за чего динамические потери полевых транзисторов много меньше потерь транзисторов биполярных.
Вопрос №2.
Вывод формулы коэффициента усиления инвертирующего усилителя с использованием основных правил расчета схем на идеальных операционных усилителях.
Основные правила расчета схем на идеальных ОУ:
1.Входные токи ОУ равны нулю.
2.На выходе ОУ устанавливают такое напряжение, чтобы напряжения на прямом и инверсном входах сравнялись.
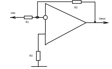
Схема инвертирующего усилителя:
Расчетная схема:
Узел «А» соответствует инверсному входу в ОУ, поэтому по первому правилу Ia=0 , тогда имеем по первому закону Кирхгофа:
Так как на прямом входе напряжение равно нулю, то по второму правилу на инверсном входе оно так же должно быть равно нулю, следовательно Ua=0, подставляя в вышеполученное выражение, получаем:
Характеристики
Тип файла документ
Документы такого типа открываются такими программами, как Microsoft Office Word на компьютерах Windows, Apple Pages на компьютерах Mac, Open Office - бесплатная альтернатива на различных платформах, в том числе Linux. Наиболее простым и современным решением будут Google документы, так как открываются онлайн без скачивания прямо в браузере на любой платформе. Существуют российские качественные аналоги, например от Яндекса.
Будьте внимательны на мобильных устройствах, так как там используются упрощённый функционал даже в официальном приложении от Microsoft, поэтому для просмотра скачивайте PDF-версию. А если нужно редактировать файл, то используйте оригинальный файл.
Файлы такого типа обычно разбиты на страницы, а текст может быть форматированным (жирный, курсив, выбор шрифта, таблицы и т.п.), а также в него можно добавлять изображения. Формат идеально подходит для рефератов, докладов и РПЗ курсовых проектов, которые необходимо распечатать. Кстати перед печатью также сохраняйте файл в PDF, так как принтер может начудить со шрифтами.
















