Теория подобия и анализ размерностей (2012) (849561), страница 10
Текст из файла (страница 10)
Пример 1
Определить коэффициент лобового сопротивления
для твердых тел в стационарном потоке несжимаемой жидкости (рис. 5.1) [6].
Рис. 5.1 Твердое тело, омываемое потоком жидкости
Решение 1) Составление списка физических параметров, определяющих
. На основании наблюдений заключаем, что при малых числах М значение
зависит от плотности жидкости
, скорости невозмущенного потока
, линейного размера тела
, вязкости жидкости
.
2) Проверка полноты системы. Число определяющих параметров
, количество независимых размерностей
(кг, м, с). Система полная,
, и
является функцией одного безразмерного критерия подобия, составленного из
. Запишем это условие в общем виде
3) Определение критерия подобия. Используем условие равенства размерностей левой и правой частей записанного выражения, т. е.
в которое подставим размерности физических параметров и учтем, что
безразмерная величина
Приравниваем показатели степени при кг, м и с для левой и правой частей этого равенства. Получим:
Три уравнения, а неизвестных четыре. Поэтому выразим все неизвестные через n1, тогда
;
;
. Подставляя эти значения в общее выражение для коэффициента сопротивления получим
Не уменьшая общности, положим
, т. к. любая степень безразмерной величины есть также безразмерная величина, т. е.
Применяя анализ размерностей, мы получили такой же результат, как и при применении теории подобия.
Если бы тело обтекал газ с большим числом М, полученная зависимость
была бы ошибочной, несмотря на формальную полноту системы определяющих размерных параметров. В эту систему необходимо добавить статическое давление, и зависимость приняла бы вид
.
Пример 2
Определить мощность электродвигателя дутьевого вентилятора при частоте вращения
. Известно, что при частоте
обеспечивается подача
и давление рабочей среды
. Принять для первичной оценки плотность среды неизвестной, а также допустить использование условий частичного моделирования по составляющим КПД нагнетателя. Оценку выполнить для области работы нагнетателя с
[7]
Решение
Для решения задачи введем понятия «натура» в качестве характеристики исходных параметров нагнетателя, обозначаемых индексом «н», и «модель» в качестве других параметров, обозначаемых индексом «м». Установим масштабный коэффициент
определяющий соотношение линейных размеров вентилятора, например диаметров его рабочего колеса. Для условий задачи
и
. Тогда соотношение окружных составляющих скоростей имеет вид
В свою очередь, соотношение подач
где
– радиальная проекция абсолютной скорости среды в выходном сечении рабочего колеса площадью
;
– объемный КПД нагнетателя, учитывающий утечки среды через уплотнения вала вентилятора.
Из соотношения теоретических напоров
с учетом сопротивления тракта нагнетателя, оцениваемого
(далее
), получаем соотношение давлений среды, создаваемых вентилятором при соответствующих режимах эксплуатации:
При использовании формулы
, где КПД нагнетателя
, соотношение мощностей
С учетом ранее полученных соотношений подач и давлений:
Для условий задачи
и в рамках частичного моделирования
мощность вентилятора при
где исходное значение мощности
Пример 3
Необходимо опытным путем определить распределение температур в длинном стальном вале (рис. 5.2) диаметром
через
после загрузки его в печь. Для стали теплопроводность и температуропроводность равны соответственно:
;
. Коэффициент теплоотдачи к валу в печи
.
Рис. 5.2 Нестационарная теплопроводность в стальном валу
Исследование решено проводить в небольшой печи на геометрически подобной модели вала, выполненной из легированной стали. Для модели Определить диаметр
модели вала и промежуток времени, через который после загрузки модели в печь необходимо измерить распределение температур в модели [8].
Решение
Подобие температурных полей вала модели будет иметь место при равенстве критериев для образца и модели:
Критерии Био и Фурье для вала равны:
Из условия
находим диаметр вала:
Из условия
находим искомый промежуток времени:
Пример 4
На воздушной модели парового котла, выполненной в масштабе 1/8 натуральной величины, производилось изучение теплоотдачи конвекцией. Для первого газохода модели (рис. 5.3) при различных скоростях воздуха были получены следующие значения коэффициента теплоотдачи (табл. 5.1).
Табл. 5.1
Исходные данные
Средняя температура воздуха, проходящего через модель,
°С. Диаметр трубок модели
мм. Коэффициент теплоотдачи
при обработке опытных данных был отнесен к средней арифметической разности температур между жидкостью и стенкой.
На основе данных, полученных на модели, найти формулу для расчета теплоотдачи конвекцией в первом газоходе котла в виде зависимости
[8].
Рис. 5.3 Течение воздуха в газоходе парового котла
РешениеПо данным, полученным на модели, зависимость для теплоотдачи ищем в виде
Число Нуссельта
и число Рейнольдса
рассчитываются для воздуха при
и
. Подставив соответствующие значения в выражения для чисел Nu и
, получим:
Результаты вычисления чисел
и
для соответствующих значений
сведены в табл. 5.2. По этим данным строим зависимость
в логарифмических координатах (рис. 5.4). По тангенсу угла наклона кривой к оси абсцисс определяем показатель степени
, а затем постоянную С:
. Получаем расчетную формулу
, действительную в пределах
.
Таблица 5.2
Результаты вычислений
Рис. 5.4 Зависимость числа Нуссельта от числа Рейнольдса
Пример 5В твердом теле, омываемом жидким теплоносителем, протекает периодический процесс теплопроводности. Считая, что дифференциальные уравнения для рассматриваемого процесса неизвестны, найти безразмерные комплексы [8].
Решение
Существенными физическими величинами для изучаемого процесса будут следующие: характерный размер
, теплопроводность твердого тела
, удельная теплоемкость твердого тела
, плотность твердого тела
коэффициент теплоотдачи
время периода
характерная избыточная температура, равная разности между температурой стенки тела и температурой омывающей его жидкости
.
Составим из этих величин степенной одночлен вида
Заменим в (5.1) физические величины (кроме Q) их формулами размерности, в результате получим
В данном примере показатели степени
(будут определены ниже) имеют значения, при которых Q выпадает из (5.2).
Приравниваем нулю показатели степеней одночлена (5.2):
для длины L
для количества теплоты Q
для времени
для массы М
Всего существенных величин семь (5.1), уравнений для определения показателей пять, значит, только два показателя, например
и
, могут быть выбраны произвольно.
Выразим все показатели степеней через
и
. В результате получим:
из (5.3), (5.4), (5.7)
из (5.4)
из (5.5)
из (5.4) и (5.6)
из (7) и (4)
Теперь одночлен (5.1) можно представить в форме
Так как показатели
и
могут быть выбраны произвольно, положим:
откуда
Введем обозначение
Найдем отношение
Методом анализа размерностей найдены безразмерные комплексы. В рассматриваемом случае ими оказались числа подобия Фурье и Био. Введем безразмерные – искомую переменную
и независимую переменную
(одномерный случай). Тогда искомую обобщенную зависимость можно представить в форме
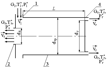
6. Применение теории подобия к анализу процессов в вихревой трубе
Рассмотрим явление энергоразделения, известное как вихревой эффект или эффект Ранка, реализуемое в процессе течения интенсивно закрученного потока по осесимметричному каналу, на торцевых поверхностях которого устанавливаются ограничительные элементы – дроссель на «горячем» и диафрагма с центральным отверстием на «холодном» концах трубы [9]. При определенном сочетании режимных и конструктивных управляющих параметров из отверстия диафрагмы истекает некоторая охлажденная часть исходного закрученного потока, а из дросселя – другая подогретая его часть. Физика явления перераспределения энергии в вихревой трубе является результатом сложных термогазодинамических процессов, протекающих в камере энергоразделения. Простоту конструкции вихревого энергоразделителя и высокую надежность относят к ее основным преимуществам как устройства для производства охлажденных масс газа. Устройство противоточной вихревой трубы Ранка – Хилша достаточно просто (рис. 6.1) [9].
















