13_glava (1055403), страница 4
Текст из файла (страница 4)
Рис13.12. Распределение адресного пространства нейропроцессора Л 1879ВМ 1
Если старший разряд адреса равен нулю, то идет обращение к локальной памяти, если единице — к глобальной. Младший разряд вычисляемого адреса используется
при доступе к 32-разрядным данным. Если он равен нулю, то используется младшая часть памяти (разряды 31-0). При обращении к 64-разрядным данным или при выборке команд он игнорируется.
13.7 Работа искусственной нейронной сети в режиме
идентификации параметров электродвигателя.
Искусственные нейронные сети строятся по принципам организации и функционирования их биологических аналогов. Они способны решать широкий круг задач распознавания образов, идентификации, прогнозирования, оптимизации управления сложными обьектами. Дальнейшее повышение производительности компьютеров все большей мере связывают с искусственными нейронными сетями, в частности нейрокомпьюторами.
.
В настоящее время все больше и больше появляется интеллектуальных систем управления электродвигателями в которых решаются задачи адаптации, самообучения, самонастройки. Поэтому для таких систем управления ключевой задачей является идентификация параметров электродвигателей.
В данной работе исследуется система управления состоящая из силового тиристорного преобразователя и электродвигателя постоянного тока. Эта система управления является дискретной, импульсной, нелинейной и теоретический анализ и идентификация с использованием классических методов решения дифференциальных уравнений представляют собой большие
трудности .
Поэтому для решения этой задачи была предпринята попытка использования искусственной нейронной сети.
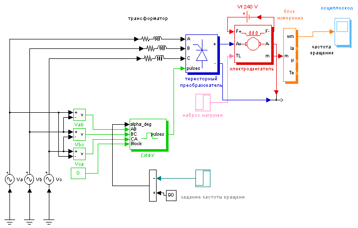
На рис.13.13 представлена функциональная схема системы управления состоящая из тиристорного преобразователя и электродвигателя постоянного тока которая смоделирована в пакете Matlab-Simulink.
.
.
.
.
Рис.13.13
.
.
.
.
.
Результаты моделирования работы тиристорного преобразователя и электродвигателя постоянного тока при ступенчатом входном воздействии и последующем ступенчатом набросе нагрузки представлены на рис.13.14. Результаты моделирования, необходимые для дальнейшей обработки сохраняются в рабочей области Matlab.
.
Для идентификации параметров работы тиристорного преобразователя и электродвигателя (электропривода) выберем многослойную нейронную сеть NEWFF с прямой передачей сигнала и обратным распространением ошибки, которая представлена на рис.13.15 На представленной структуре элемент z осуществляет задержку сигнала на j шагов. На входы нейронной сети подается X(z) сигнал упраления и n значений сигнала с выхода Y(z) Величина n определяется порядком дифференциального уравнения которое описывает работу электропривода.
Рис.13.14.
Рис.13.15
При идентификации используется режим работы нейронной сети, реализующей отобрахение вход-выход. В этом случае нейронная сеть может вычислить якобиан электропривода, как если бы нейронная сеть представляла собой непосредственно электропривод.
Нейронная сеть содержит в первом входном слое 20 нейронов с функцией активации tansig и один нейрон на выходе с функцией активации pureline.
На рис.13.16 показана схема обучения нейронной сети, при котором минимизируется ошибка предсказания
E(t) =N(t)-Y(t), (13.1)
где Y(t) – выходной сигнал нейронной сети,
а N(t)- выходной сигнал электропривода.
При этом используется два элемента входного вектора: текущего выхода Y(t)
И задержанного выхода Y(t-1), полученных по математической модели электропривода . Процедура идентификации электропривода заключается в настройке весовых коэффициентов и параметров нейронов. Настройка производится на основании информации о сигнале ошибки между выходом электропривода и нейронной сети E(t).
.
.
При обучении нейронной сети сигнал обратного распространения между выходным и скрытым слоями выражается в виде
Rk=Uk-Qk (13.2)
где Uk-заданный (целевой ) образец,
Ok- действительный выход нейронной сети.
Сигнал между скрытым и выходным слоями выражается следующим образом:
Веса связей между входным и скрытым слоями корректируются в соответствии с выражением
а
между скрытым и выходным слоями – по формуле :
где g1 – скорость обучения, g2 и g3 – коэффициенты мгновенного значения и ускорения соответственно. Уравнения (13.4) и (13.5) представляют собой модифецированные формы обобщенного дельта-правила [1].
При оперативном обучении веса связей нейронной сети корректируются на основе ошибки, определяемой как
где PI и N – заданный и фактический выход электропривода соответственно.
Таким образом, сигнал на выходе можно выразить следующим образом:
.
.
.
Рис.13.16.
Нейронная сеть обучалась в течении 500 циклов характеристика точности обучения показана на рис.5; установившаяся среднеквадратичная ошибка составляет приблизительно 2 рис.13.17
.
.
Рис.13.17
На рис.13.18 представлены переходные процессы реации на ступенчатое входное воздействие силового преобразователя, электродвигателя и обученной нейронной сети из которых видно что переходной процесс нейронной сети. давольно хорошо совпадает с переходным процессом силового преобразователя и электродвигателя
.
.
Рис.13.18.
.















