185 (1002236)
Текст из файла
Простой регулятор мощности
Описываемое ниже устройство предназначено для регулирования температуры паяльника, электропечи, электрокамина, электроплиты. Устройство отличается простотой в изготовлении, обеспечивает плавное регулирование мощности от 0 до 100 % в нагрузке до 2 кВт.
Тринистор в нем управляется короткими импульсами, что значительно снижает потребляемый электронным блоком ток, а это позволило уменьшить емкость фильтрующего конденсатора блока и рассеиваемую на гасящем резисторе мощность.
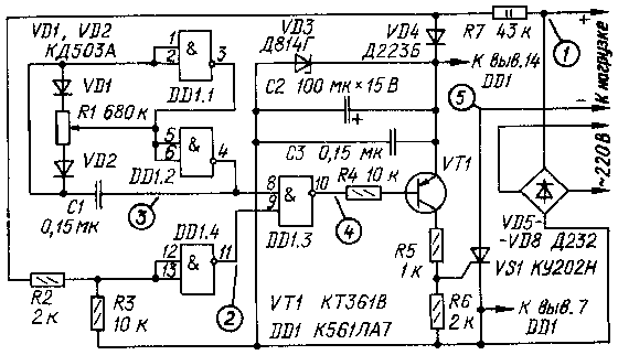
Принципиальная схема регулятора изображена на рис.1, а на рис.2 показаны временные диаграммы, иллюстрирующие принцип его работы (на диагр. 1-4 напряжения сняты относительно катода тринистора, а на диагр. 5 - между точками 1 и 5). Устройство состоит из мультивибратора с регулируемой скважностью импульсов (DD1.1, DD1.2), формирователя импульсов (DD1.4), узла совпадения (DD1.3).
Мультивибратор формирует импульсы длительностью от 0 до Т при постоянном периоде следования Т (диагр. 3). В крайнем нижнем по схеме положении движка переменного резистора R1 на выходе элемента DD1.2 будет сигнал низкого уровня, что соответствует нулевой мощности в нагрузке, а в другом-сигнал 1, что соответствует 100 % мощности.
В моменты, когда выпрямленное сетевое напряжение равно нулю (диагр. 1), формирователь вырабатывает короткие импульсы (диагр. 2). Узел совпадения пропускает на базу транзистора VT1 пачки импульсов (диагр. 4), которые управляют включением тринистора. Тринистор открывается и пропускает в нагрузку соответствующее число полупериодов выпрямленного напряжения (диагр. 5).
Puc.1 - Принципиальная схема регулятора мощности.
Все элементы регулятора, за исключением тринистора, диодного моста и переменного резистора, размещены на печатной плате из фольгированного стеклотекстолита толщиной 1...1.5 мм.
Микросхему К561ЛА7 можно заменить на К176ЛА7. Переменный резистор R1 - любой, группы А; остальные резисторы МЛТ. Конденсаторы С1,С3-КМ-5, КМ-6 или любые другие керамические. Вместо диодов КД503А можно использовать КД514А, КД522А. Транзистор КТ361В можно заменить на КТ361А, КТ326А или другой кремниевый p-n-p транзистор со статическим коэффициентом передачи тока 30...60.
Если мощность нагрузки не превышает 75 Вт, в выпрямительном мосте можно использовать диоды Д226Б Д226В или Д237Б, Д237Ж, а тринистор КУ201К, КУ201Л.
Для надежной работы регулятора необходимо, чтобы проводники, соединяющие выводы переменного резистора R1 с платой, должны быть минимальной длины. Регулятор можно использовать с нагрузкой, не имеющей выключателя питания, так как в крайнем нижнем по схеме положении движка переменного резистора управляющие импульсы на тринистор не поступают.
Увеличив период колебаний мультивибратора, регулятор можно использовать для получения световых эффектов. Для этого необходимо соответственно увеличить емкость конденсатора С1. Лампы, подключенные к выводам "Нагрузка", будут мигать с частотой мультивибратора.
Puc.2 - Диаграммы регулятора мощности.
Источник: Радио №7, 1989 г., стр.32
Автор: А. ЛЕОНТЬЕВ, г. Киев
Характеристики
Тип файла документ
Документы такого типа открываются такими программами, как Microsoft Office Word на компьютерах Windows, Apple Pages на компьютерах Mac, Open Office - бесплатная альтернатива на различных платформах, в том числе Linux. Наиболее простым и современным решением будут Google документы, так как открываются онлайн без скачивания прямо в браузере на любой платформе. Существуют российские качественные аналоги, например от Яндекса.
Будьте внимательны на мобильных устройствах, так как там используются упрощённый функционал даже в официальном приложении от Microsoft, поэтому для просмотра скачивайте PDF-версию. А если нужно редактировать файл, то используйте оригинальный файл.
Файлы такого типа обычно разбиты на страницы, а текст может быть форматированным (жирный, курсив, выбор шрифта, таблицы и т.п.), а также в него можно добавлять изображения. Формат идеально подходит для рефератов, докладов и РПЗ курсовых проектов, которые необходимо распечатать. Кстати перед печатью также сохраняйте файл в PDF, так как принтер может начудить со шрифтами.
















