АСУ12Т1 (991598), страница 2
Текст из файла (страница 2)
Соответствующее заданному тепловыделению количество воздуха измеряют по перепаду давлений на воздухоподогревателе или подавлению воздуха в напорном патрубке вентилятора. Разность этих сигналов используют в качестве входного сигнала регулятора экономичности.
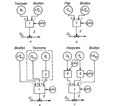
Рис. 12.5. Регулирование подачи воздуха по соотношению
ч — топливо — воздух; б — пар — воздух; в — теплота — воздух; г — нагрузка — воздух с коррекцией по О2; 1 — регулятор подачи воздуха; 2 — регулирующий орган; 3 — дифференциатор; 4 — корректирующий регулятор воздуха; 5 — корректирующий регулятор давления перегретого пара (регулятор задания по нагрузке)
4. Регулирование экономичности по соотношению задание — воздух с дополнительным сигналом по содержанию О2 в дымовых газах (рис. 12.5, г). Поэтому в промышленных условиях получили распространение схемы регулирования подачи воздуха не с прямым, а с корректирующим воздействием по О2.
Поддержание избытка воздуха по соотношению сигналов теплота — воздух и в особенности пар — воздух отличается простотой и надежностью, но не является точным. Этого недостатка лишена, например, система регулирования экономичности, действующая по схеме задание — воздух с дополнительной коррекцией по О2. В системе в целом совмещают принципы регулирования по возмущению и отклонению. Регулятор подачи воздуха 1 изменяет его расход по сигналу от главного или корректирующего регулятора давления 5, являющегося автоматическим задатчиком регулятора по нагрузке котла. Сигнал, пропорциональный расходу воздуха рв п, действует как и в других схемах:
во-первых, устраняет возмущения по расходу воздуха, не связанные с регулированием экономичности (включение — или отключение систем пылеприготовления и т. п.);
во-вторых, способствует стабилизации самого процесса регулирования подачи воздуха, так как служит одновременно сигналом жесткой отрицательной обратной связи.
Введение дополнительного корректирующего сигнала по содержанию О2 повышает точность поддержания оптимального избытка воздуха в любой системе регулирования экономичности. Добавочный корректирующий регулятор 4 по О2 в схеме регулирования задание — воздух управляет подачей воздуха при топочных возмущениях и непосредственно обеспечивает поддержание заданного избытка воздуха в топке.
Регулирование разрежения в топке. Наличие небольшого (до 20—30 Па) постоянного разрежения ST, в верхней части топки необходимо по условиям нормального топочного режима. Это препятствует выбиванию газов из топки, способствует устойчивости факела и служит косвенным показателем материального баланса между подаваемым в топку воздухом и уходящими газами. Объект регулирования по разрежению — топочная камера с включенными последовательно с нею газоходами от поворотной камеры до всасывающих патрубков дымососов. Входным регулирующим воздействием этого участка служит расход дымовых газов, определяемый подачей дымососов. К внешним возмущающим воздействиям относят изменение расхода воздуха в зависимости от тепловой нагрузки агрегата, к внутренним — нарушения газовоздушного режима, связанные с работой систем пылеприготовления, операциями по удалению шлака и т. п
Рис. 12.6. АСР разрежения в топке
а — переходный процесс по разрежению вверху топки при возмущении расходом газа ДВДГ; б — схема регулирования разрежения
Кривая изменения сигнала по разрежению верхней части топки ST, при возмущении расходом топочных газов приведена на рис. 12.6, а. Участок по разрежению не имеет запаздывания, обладает малой инерционностью и значительным самовыравниванием. Отрицательным свойством участка служат колебания регулируемой величины около среднего значения ST, с амплитудой до 30—50 Па (3—5 мм вод. ст.) и частотой до нескольких герц.
Такие колебания (пульсации) зависят от большого числа факторов, в частности от пульсаций расходов топлива и воздуха. Для сглаживания пульсаций перед первичными измерительными приборами устанавливают специальные демпфирующие устройства: дроссельные трубки и шайбы, импульсные трубы повышенного диаметра или промежуточные баллоны (емкости). Для этого используют также электрический демпфер, имеющийся в электрических схемах измерительных блоков регулирующих приборов.
Способы и схемы регулирования. Регулирование разрежения обычно осуществляют посредством изменения количества уходящих газов, отсасываемых дымососами. При этом их подачу можно регулировать:
-
поворотными многоосными дроссельными заслонками;
-
направляющими аппаратами;
-
гидромуфтами, изменяя числа оборотов рабочего колеса дымососа или первичным двигателем, меняя частоту вращения.
Наибольшее распространение получила схема регулирования разрежения с одноимпульсным ПИ-регулятором, реализующая принцип регулирования по отклонению (см. рис. 12.6, б).
Требуемое значение регулируемой величины устанавливают с помощью ручного задатчика ЗРУ регулятора разрежения 1. При работе котла в регулирующем режиме часто происходят изменения тепловой нагрузки и, следовательно, изменения расхода воздуха. Работа регулятора воздуха 2 приводит к временному нарушению материального баланса между поступающим воздухом и уходящими газами. Для предупреждения этого нарушения и увеличения быстродействия регулятора разрежения рекомендуют ввести на его вход дополнительное исчезающее воздействие от регулятора воздуха через устройство динамической связи 3.
В качестве устройства динамической связи используют апериодическое звено, выходной сигнал которой поступает на вход регулятора разрежения лишь в моменты перемещения исполнительного механизма регулятора воздуха.
Регулирование давления первичного воздуха. Скорости пылевоздушной смеси в пылепроводах к горелкам у котлов с промбункером должны изменяться лишь в определенных пределах независимо от паровой нагрузки и суммарного расхода воздуха. Это ограничение необходимо соблюдать из-за опасности забивания пылепроводов и по условиям поддержания должных скоростей первичного воздуха в устье горелок.
Регулирование подачи первичного воздуха в пылепроводы осуществляют с помощью регулятора, получающего сигнал по давлению воздуха в коробе первичного воздуха и воздействующего на подачу вентилятора первичного воздуха или на дроссельные заслонки, установленные на подводах общего воздуха в короб первичного воздуха.
12.3. Регулирование питания парогенераторов
Принято, что максимально допустимые отклонения уровня воды в барабане составляют ±100 мм от среднего значения, установленного заводом-изготовителем. Среднее значение уровня может
не совпадать с геометрической осью барабана. Максимально допустимые отклонения уточняют в процессе эксплуатации. Снижение уровня за пределы водомерного стекла, устанавливаемого на барабане, считается "упуском" воды, а превышение его верхней видимой части — "перепиткой". Расстояние между этими критическими отметками 400 мм.
Снижение уровня до места присоединения опускных труб циркуляционного контура может привести к нарушению питания и охлаждения водой подъемных труб (см. рис. 8.1). Следствием этого может быть нарушение прочности труб в местах стыковки с корпусом барабана, а в наиболее тяжелом случае — пережог. Чрезмерное повышение уровня может привести к снижению эффективности внутрибарабанных сепарационных устройств и преждевременному заносу солями пароперегревателя. Перепитка барабана и заброс частиц воды в турбину служит причиной тяжелых механических повреждений ее ротора и лопаток. Снабжение барабана водой осуществляют по одной и, реже, двум ниткам трубопроводов питательной воды, одна из которых служит резервной.
Отклонение уровня воды в барабане от среднего значения связано с наличием небаланса между притоком питательной воды и расходом пара. Оно происходит также вследствие изменения содержания пара в пароводяной смеси подъемных труб за счет колебаний давления пара в барабане или изменений тепловосприя-тия испарительных поверхностей нагрева. Изменение уровня под действием небаланса между расходом пара и воды отражает уравнение
где F — площадь зеркала испарения, мг; рй, рп — плотности воды и насыщенного пара, кг/м , Gn в и Сп п — расходы пара и воды, кг/с.
Приняв, что
и перейдя к безразмерным величинам после интегрирования, получим
Из уравнения можно определить время прохождения уровня от минимального до максимального допустимого значения при ступенчатом возмущении расходом воды:
Кривая переходного процесса по уровню воды в барабане при возмущении расходом питательной воды для парогенератора(Gоп = 420 т/ч) приведена на рис. 12.7, а. Динамика этого же участка при возмущении расходом пара — на рис. 12.7, б. Выпуклая форма кривой изменения уровня при возмущении увеличением расхода пара объясняется тем, что в первый момент после нанесения возмущения уровень воды в барабане возрастает в результате резкого уменьшения давления пара. Это в свою очередь приводит к увеличению паросодержания в подъемных трубах циркуляционного контура и росту уровня. После того как давление пара в барабане примет новое установившееся значение, соответствующее новому значению расхода пара, изменение уровня будет протекать в соответствии с уравнением материального баланса (8.10). Рассмотренное явление носит название набухания или вспучивания уровня.
Рис. 12.7. Динамические характеристики парогенератора7 по уровню воды в барабане при возмущениях
а — расходом питательной воды; б — расходом пара
При математическом моделировании динамики участка по уровню при возмущении расходом пара обычно описывают разностью апериодического и интегрирующего звеньев.
Схема автоматического регулирования. Исходя из требований к регулированию уровня воды в барабане, автоматический регулятор должен обеспечить постоянство среднего уровня независимо от нагрузки котла и других возмущающих воздействий. В переходных режимах изменение уровня происходит довольно быстро, поэтому регулятор питания для обеспечения малых отклонений уровня должен поддерживать постоянство соотношения расходов питательной воды и пара. Эту задачу выполняет трехим-пульсный регулятор, принципиальная схема которого изображена на рис. 12.8. Регулятор 3 перемещает клапан 4 при появлении сигнала небаланса между расходами питательной воды Gn B и пара Сп п.
Кроме того, он воздействует на положение питательного клапана при отклонениях уровня от заданного значения. Такая АСР питания, совмещающая принципы регулирования по отклонению и возмущению, получила наибольшее распространение на мощных барабанных котлах.
Рис. 12.8. Трехимпульсная АСР питания водой барабанного парогенератора
1 — барабан; 2 — водяной экономайзер; 3 — регулятор питания; 4 — регулирующий клапан питательной воды















