АСУ16Т1 (991602)
Текст из файла
Лекция 16.
16.1. АВТОМАТИЗАЦИЯ РАСПЫЛИТЕЛЬНЫХ СУШИЛОК
Автоматическое регулирование процесса распылительной сушки направлено на обеспечение получения кондиционного сухого продукта при максимальной производительности сушилки и минимальных энергетических затратах.
Вопросы автоматизации сушильных установок в настоящее время являются весьма актуальными. До сих пор еще очень мало проведено экспериментальных работ по выявлению оптимальных схем автоматизации распылительных сушилок, нет статических и динамических характеристик и т. д. Однако полная автоматизация сушилок позволит повысить качество высушиваемого продукта, интенсифицировать процесс сушки, сократить удельные расходы топлива и электроэнергии.
С точки зрения автоматизации сушилки являются объектами с взаимосвязанными параметрами. Математическое описание процесса сушки и решение вопросов по разработке оптимальной схемы автоматизации может быть осуществлено тремя основными путями.
Первый способ — это математическое описание процесса сушки с решением системы дифференциальных уравнений. Этот путь имеет в будущем большие перспективы. Однако в настоящее время пока еще не удалось решить системы нелинейных дифференциальных уравнений с переменными коэффициентами, описывающих процессы сушки в распылительных установках. Практически не выявлены законы движения комплекса частиц полидисперсного состава с переменной массой в сушильной камере
и т. д.
Второй метод заключается в решении дифференциальных уравнений теплового и материального балансов установки с последующей их линеаризацией при малых отклонениях от номинального режима работы сушилки. Достоинством этого метода
является его простота и достаточная для инженерных расчетов точность. Этот метод для распылительных сушилок пока еще не был использован.
Третий способ — экспериментальное получение динамических характеристик установки методами активного и пассивного экспериментов с последующей аппроксимацией этих данных в характеристики типовых динамических звеньев. При методах активного эксперимента, выводя объект на заранее заданный режим и добившись стабилизации всех входных и выходных величин, в некоторый момент времени наносят возмущение по одному из входящих каналов. При этом снимают кривые изменения выходных величин. Так как реальные объекты почти всегда являются нелинейными, то эксперименты необходимо проводить на нескольких (минимум трех) различных режимах работы установки.
Обычно применяются следующие виды возмущений: сброс (наброс), прямоугольный или трапецеидальный импульс, прямоугольная или трапецеидальная волна и гармонические возмущения. Величину возмущений рекомендуется брать в пределах 15 — 25% от номинального значения данного параметра (при сбросе и набросе). При других способах введения возмущений величины их берутся больше.
В результате экспериментов получают кривые разгона (при сбросах и набросах), импульсные характеристики (при импульсных возмущениях) или частотные характеристики (при гармонических и волновых возмущениях).
Основой метода пассивного эксперимента является непрерывное воздействие случайных возмущений при эксплуатации промышленных сушилок. Обрабатывая данные нормальной эксплуатации — регистрацию всех входных и выходных величин — можно, используя методы теории случайных функций математической статистики и статистической динамики, получить динамические характеристики установки. После получения этих характеристик на действующих установках и проверки возможно моделирование характеристик с помощью аналоговых электронных машин.
Таким образом, третья группа методов является в настоящее время наиболее мощным средством инженерной практики получения математического описания процессов в установке.
Общие принципы автоматизации распылительных сушилок
По источнику информации автоматическое управление процессом сушки может быть прямым или косвенным. При прямом управлении система получает информацию от датчиков по влажности или температуре материала, его качестве и т. д. Это не исключает одновременное использование информации по температуре газов, статическому состоянию системы и др.
При косвенном управлении информация о качестве готового продукта отсутствует полностью. Для работы установки и управления используются только косвенные показатели — параметры теплоносителя на входе и выходе из сушилки, давление в системе и т. д. Отдельную группу составляют системы автоматизации, в которых управление производится по так называемому сводному параметру.
По объекту приложения управляющего воздействия системы управления делятся на системы с воздействием на газовый теплоноситель (температура, количество, влажность) и системы с воздействием на высушиваемый материал (его количество). Для
распылительных сушилок можно считать, что прямой информации по влажности продукта получить пока нельзя из-за отсутствия надежных приборов определения влажности полидисперсного продукта. По этой причине реально применяемые схемы автоматизации осуществляются по косвенному параметру.
В распылительных сушилках в большинстве случаев температура отходящих газов однозначно определяет влажность и температуру высушенного продукта. Оба эти параметра сухого материала являются основными, указывающими косвенно на сыпучие свойства его и качественные показатели (химический состав, сохранность витаминов и т. д.). С достаточной точностью можно принимать, что температура материала в периоде падающей скорости сушки является функцией влажности его. Таким
образом, стабилизация температуры отходящих газов обеспечивает получение продукта с определенными качественными показателями.
Стабилизация температуры газов на выходе может быть достигнута тремя способами: 1) воздействием на температуру сушильного агента, 2) на количество подаваемого сушильного агента и 3) на подачу исходного материала.
В зависимости от свойств материала начальная температура в номинальных условиях применяется максимальной, при которой качество продукта не ухудшается, а интенсивность сушки обеспечивается максимальная при минимальных затратах тепла
и электроэнергии.
Поэтому в случае возмущения могут быть такие условия, когда начальная температура газов может подняться до такой величины, при которой будут ухудшаться качества продукта. Поэтому путь стабилизации температуры на выходе из сушилки при
возмещении в системе вряд ли является перспективным.
Стабилизация температуры за счет изменения количества подаваемого теплоносителя имеет перспективу для распылительных сушилок, в которых используется пневматическое и механическое распыление. При этих методах распыла трудно изменять
подачу раствора без изменения дисперсности факела.
При распылении центробежными дисками просто осуществлять стабилизацию температуры газов за сушилкой за счет изменения подачи раствора на диск. Основными возмущениями в системе являются: возможное изменение влажности раствора,
уменьшение количества просасываемых газов при частичном засорении газового тракта и пылеотделительных аппаратов. Таким образом, остальные входные параметры как-то: начальная температура газов, соотношение топливо — первичный воздух, температура раствора стабилизируются по независимому контуру. Таковы возможные структурные схемы автоматического управления распылительных сушилок. Окончательный выбор схемы автоматизации может быть сделан после проведения экспериментальных работ на действующих промышленных агрегатах по снятию статических и динамических характеристик.
Рассмотрим несколько схем автоматизации дисковых распылительных сушилок.
На рис. 16.1 показана схема автоматизации дисковой распылительной сушилки, работающей на воздухе, нагреваемом в паровом калорифере. Стабилизация температуры за сушилкой осуществляется изменением подачи раствора на диск с помощью регулируемого клапана. Основным недостатком этой схемы является отсутствие стабилизации температуры воздуха перед сушилкой и расход теплоносителя. Клапаны имеют жесткую характеристику, что затрудняет плавное изменение подачи раствора, кроме того, он чувствителен к твердым примесям. На суспензиях практически клапаны являются исполнительными неработоспособными механизмами. Фильтры предусмотрены для очистки раствора перед регулирующим клапаном.
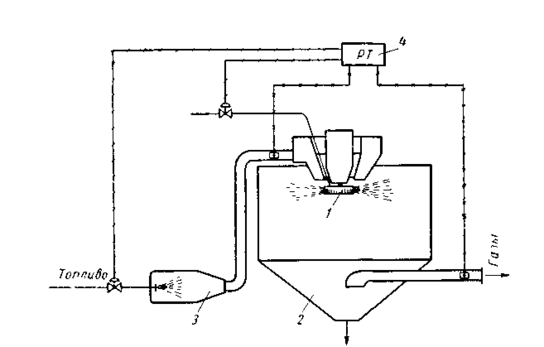
На рис 16.2. дана схема автоматизации сушилки с дисковым распылом, в которой теплоносителями являются топочные газы.
Стабилизация отходящих газов за сушилкой осуществляется по подаче раствора на диск с помощью регулирующего клапана. Начальная температура газов стабилизируется по расходу топлива. В этой схеме не предусмотрено регулирование расхода теплоносителя. Применяется совмещенный регулятор 4.
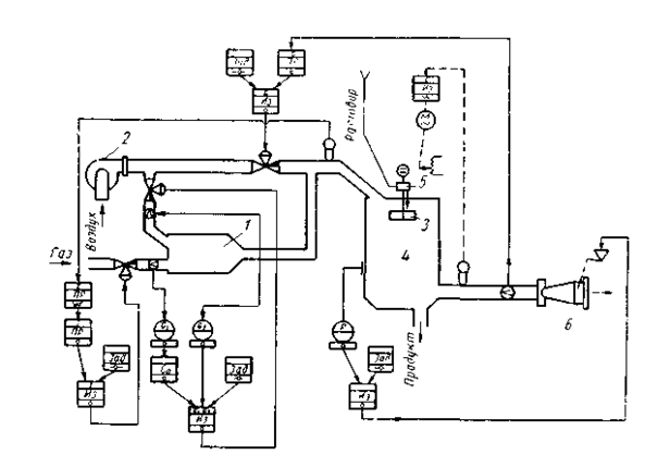
Ю. А. Майзель (НИУИФ) разработал схему автоматизации сушилки с дисковым распылением, которая показана на рис. 16.3.
Рис. 16.1. Схема автоматизации сушилки, работающей на воздухе:
1 — верхний резервуар; 2 — фильтры; 3 — сушильная камера; 4 — регулирующий клапан подачи; 5 — распылитель; 5 — регулятор температуры, 7 — датчик температуры
По этой схеме стабилизируется температура газов перед сушилкой и количество теплоносителя. Температура газов стабилизируется регулятором подачи топлива в топку. Импульс подается на регулятор от малоинерционной термопары, установленной в
газоходе перед сушилкой.
Нормальный режим горения в топочной камере поддерживается регулятором соотношения топливо — воздух, получающим импульсы по расходу газообразного или жидкого топлива и первичного воздуха и воздействующим на подачу первичного
воздуха. Стабилизация количества теплоносителя осуществляется регулятором вторичного воздуха, получающим импульс по расходу уходящих из сушильной камеры газов. Стабилизация количества теплоносителя осуществляется по выходу, а не по входу с целью компенсации возможных изменении гидравлического сопротивления установки вследствие забивания пылью продукта газоходов, пылеотделителей и т. д.
Р
ис. 16.2. Схема автоматизации сушилки, работающей на топочных газах:
1 - диск 2 — камера; 3 — топка, 4 — регулятор температуры
Рис. 16.3. Схема автоматизации сушилки со стабилизацией температуры:
1 — топка; 2 — вентилятор дутьевой; 3 — диск; 4 — камера; 5 — насос; 6- направляющий аппарат дымососа.
Стабилизация манометрического режима установки осуществляется регулятором разряжений, который получает импульс по разряжению в сушильной камере и воздействует на направляющий аппарат дымососа.
Качество готового продукта однозначно определяется температурой отходящих газов. Стабилизация этой температуры осуществляется регулятором подачи раствора на диск. За счет изменения числа оборотов насоса происходит плавное изменение производительности его
Рис. 16.4. Схема взаимосвязи параметров:
/ — 5 — преобразователи; 6 — задающее устройство
Установка является объектом с взаимосвязанными параметрами (рис. 16.4). Учитывая степени связи между отдельными параметрами и используя методы теории автоматического управления, необходимо в каждом конкретном случае решать вопрос об
использовании схем несвязанного или автономного регулирования.
Все контуры регулирования за исключением подачи раствора
осуществляются с использованием пневматической аппаратуры.
Схема регулирования подачи раствора выполняется на электронной аппаратуре, так как в данном случае необходимо управлять достаточно мощным электродвигателем привода насоса в широком диапазоне изменения числа оборотов его. При большой мощности изменение числа оборотов двигателя производится через ЭМУ путем воздействия на напряжение возбуждения. При пневматической аппаратуре потребовалось бы двойное преобразование импульса температуры по термопаре.
На рис. 16.3 не приводятся точки замера показывающих контрольно-измерительных приборов и автоматики безопасности работы газовой топки.
На рис. 16.5 представлена схема автоматизации комбинированной параллельной противоточной установки. Эта схема была разработана Родовым А. Б. и Гердяд В. С. (НИУИФ).
Рис. 16.5. Схема автоматизации комбинированной установки:
РТ — регулятор топлива, PC — регулятор соотношения, РТм — регулятор температуры, РД — регулятор давления; G’m , G”m — расход топлива, G'в1; G’в2 —расход первичного воздуха, t1 t' — температуры смеси топочных газов и воздуха, Gуг — расход уходящих газов, рс — давление в сушилке,
Gn — расход материала на сушку, Gгп — расход готового продукта, tуг — температура уходящих газов.
В качестве теплоносителя в установке используется смесь топочных газов и воздуха. Раствор распиливается пневматическими форсунками. Топочные газы получаются при сжигании газа (G’Т и G"Т} в двух (верхней и нижней, см. рис. 16.5) топках, причем топочные газы, получающиеся в верхней топке, используются для сушки, а топочные газы нижней топки — для термообработки материала на прокалочных тарелках. Получение теплоносителя требуемой температуры (t1 и t2) осуществляется путем добавления к топочным газам вторичного воздуха (G'e2 и G”e2). Схема автоматизации аппарата должна предусматривать возможность его работы как для сушки распылением, так и для
сушки с последующей термообработкой высушенного материала.
Схема автоматизации предусматривает:
Характеристики
Тип файла документ
Документы такого типа открываются такими программами, как Microsoft Office Word на компьютерах Windows, Apple Pages на компьютерах Mac, Open Office - бесплатная альтернатива на различных платформах, в том числе Linux. Наиболее простым и современным решением будут Google документы, так как открываются онлайн без скачивания прямо в браузере на любой платформе. Существуют российские качественные аналоги, например от Яндекса.
Будьте внимательны на мобильных устройствах, так как там используются упрощённый функционал даже в официальном приложении от Microsoft, поэтому для просмотра скачивайте PDF-версию. А если нужно редактировать файл, то используйте оригинальный файл.
Файлы такого типа обычно разбиты на страницы, а текст может быть форматированным (жирный, курсив, выбор шрифта, таблицы и т.п.), а также в него можно добавлять изображения. Формат идеально подходит для рефератов, докладов и РПЗ курсовых проектов, которые необходимо распечатать. Кстати перед печатью также сохраняйте файл в PDF, так как принтер может начудить со шрифтами.
















