АСУ14Т1 (991600)
Текст из файла
Лекция 14.
Регулирование выбросов вредных веществ с дымовыми газами
14.1. Характеристика участка регулирования
Качественный состав выбросов с продуктами сгорания зависит от вида сжигаемого топлива, типа производства и принятой технологии и характеризуется следующими составляющими: оксидами азота, серы, углерода и несгоревшими углеводородами. Концентрация последних при правильном ведении топочного режима незначительна. Золовые частицы улавливают в основном в специальных очистных установках. Выбросы окислов серы также подавляют с помощью улавливающих установок [8 ].
Следовательно, оксиды азота остаются единственными из выбросов, которые поступают из топки парового котла в атмосферный воздух без количественных изменений и должны подавляться только с помощью режимных мероприятий.
Большая часть выбросов оксидов азота, образующихся при сгорании топлива, принадлежит к термической (воздушной) составляющей. При наличии в топке избыточного кислорода и температуре в зоне горения, превышающей 1650 °С, начинается диссоциация молекул дымового газа (распад на ионы). Этот процесс характеризуется равновесным состоянием [25 ]:
где X — мольная доля избыточного воздуха .
Оксиды азота N0 — смесь NO, N204 и N20|. Последние, соединяясь с воздухом и влагой, обладают токсичностью, оказывающей губительное воздействие на флору и фауну при повышении предельно допустимой концентрации (ПДК).
Концентрация NOX в дымовых газах при прочих равных условиях прежде всего зависит от вида сжигаемого топлива и коэффициента избытка воздуха в топке (αт), который назовем первым фактором.
В случаях, когда плата за выбросы превышаем экономию условного топлива от оптимизации коэффициента избытка воздуха — αт или в случаях отказа, либо исчерпания диапазона регулирования штатных режимных систем, для подавления оксидов азота используют воздействие на подачу воздуха в топку по штатным каналам дистанционного управления.
14.2. Обоснование способа и систем регулирования степени рециркуляции
Количественную зависимость между температурой в зоне горения и степенью рециркуляции устанавливают из баланса теплоты. составленного для дымовых газов при условии, что вся теплота топочных газов, выделяющихся при их охлаждении, идет на нагрев газов рециркуляции, и дополнительном условии неизменно сти теплоемкости и плотности газов:
где r — степень рециркуляции дымовых газов, определяемая соотношением (14.1); Θmaxзг — максимальная температура в зоне го рения при r = 0; Θзг — температура газов, разбавленных рециркуляцией; 0рдг — температура газов, отбираемых на рециркуляцию.
Далее из выражения (14.2) следует:
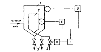
Известен способ регулирования степени рециркуляции в парогенераторах поддержанием соотношения между расходом газов, отбираемых на рециркуляцию и нагрузкой котла, характеризуемой расходом питательной воды. Данный способ реализуется в АСР изображенной на рис. 14.2, линия а.
Другой способ, реализуемый в АСР, изображенной на рис. 14.2, линия б и рекомендуемый для газомазутных котлов, состоит в поддержании соотношения между расходом топлива и расходом газов на рециркуляцию.
Недостаток известных способов и соответствующих АСР состоит в низком качестве регулирования рециркуляции вследствие оценки расхода дымовых газов с помощью косвенных сигналов по Gnа или Βт в соответствии с упрощенной функциональной зависимостью, не учитывающей наличие переменного коэффициента избытка воздуха на выходе газовоздушного тракта парового котла:
Рис. 14.2. Функциональная схема АСР степени рециркуляции дымовых газов
а — с косвенным сигналом по нагрузке — Gna (прямоточный котел); б — то же по нагрузке — Βт (газомазутный котел), РП ВРГД — регулятор подачи газов на рециркуляцию
где kдг — коэффициент пропорциональности, определяемый по результатам теплового расчета или испытаний котла при постоянном (нормативном) значении αхr.
Отмеченный недостаток рассмотренных систем, выполняющих также функции первичной стабилизации температуры перегрева пара, может быть причиной превышения контрольного уровня выбросов, вследствие низкой точности поддержания требуемой степени рециркуляции, или работы АСР с неоправданно большими значениями г, ведущей к росту потерь теплоты с уходящими газами и снижению КПД котла.
14.3. Регулирование шламового режима.
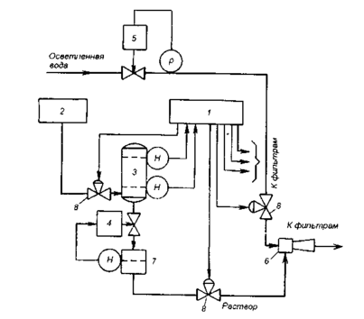
Регулирование шламового режима в осветлителях состоит · поддержании заданного значения уровня взвешенного осадка (шлама) в корпусах осветлителя и шламоотделителя. Его осуществляют с помощью непрерывной и периодической продувок.
Рис. 14.3. Схема регулирования шламового режима осветлителей
1 — осветлитель; 2 — шламоотделитель; 3 — вентили, 4 — вентиль периодической продувки, 5, 6 — сигнализаторы верхнего и нижнего у pi что и шлама,
7,8 — элементы управления Элементы управления органом продувки
Схема регулирования шламового режима изображена на рис. 14.3.
Количество воды, непрерывно сбрасываемой из осветлителя 1 в дренаж через вентили 3, как правило, не регулируют, а устанавливают вручную при включениях осветлителя в схему очистки.
Периодическую продувку осуществляют с помощью системы двухпозиционного регулирования, состоящей из сигнализаторов верхнего 5 и нижнего 6 уровней шлама в осветлителе 1 и шламоотделителе 2. Сигнализатор уровня шлама устроен по принципу фотореле, непрерывно контролирующего прозрачность потока воды, проходящего через датчик. Фотореле управляем черсч устройство пуска 7 исполнительным механизмом А. которыи открывает вентиль периодической продувки 4 при достижении шламом верхнего уровня и закрывает при достижении нижнего уровней.
14.4. Автоматическое регулирование периодических процессов химводоочистки. Периодические операции состоят из приготовления растворов реагентов, отключения на промывку механических и регенерации (восстановления фильтрующих способностей) химических фильтров.
Система управления приготовлением регенерационных растворов для ионитных фильтров. Промывку и восстановление ионитных фильтров, используемых в технологических схемах химической очистки воды, осуществляют осветленной водой с введенным в нес регенерационным раствором.
-
Рис. 14.4. Схема регулирования приготовления регенерационных растворов,и»
ионитных фильтров
1— атомат регенерации; 2 — бак; 3 — бачок концентрированного раствора.
4 — регулятор уровня; 5 — регулятор давления, 6 — гиродроэлеватор, 7 — промежуточный бак; 8 — МИМ
Схема системы автоматического управления процессом приготовления растворов по соотношению расходов концентрирование го раствора и осветленной воды изображена на рис. 14.4. Исходный концентрированный раствор приготовляют в баке 2.
Система состоит из трех регуляторов: давления, уровня и регенерации. Регулятор давления 5 эжектирующей осветленной воды. работает по принципу поддержания давления "после себя" и обеспечивает стабилизацию се расхода через гидроэлеватор 6. Регул я тор уровня 4 в бачке концентрированного раствора 3 обеспечиваем
постоянный расход на стоке. Автомат регенерации 1 управляет закрытием и открытием запорных задвижек на линиях осветленной воды и концентрированного раствора и на линиях подвода раствора реагентов к промежуточному баку 7 и к фильтрам.
Для реализации более сложных алгоритмов или совокупности большого числа простых вместо КЭП или его аналогов примени н специализированные логические устройства (автоматы) или микро ЭВМ с необходимой вычислительной мощностью
Автоматическое отключение фильтров на промывку и регенерацию
Автоматическое отключение фильтров на промывку и регенерацию (рис. 10.14) осуществляют автоматическим устройством 2, действующим по соотношению гидравлического сопротивления фильтра 1 и водомерной шайбы установленной на трубопроводе воды после фильтра, со противление которого воз растает с ростом загрязненности фильтрующего слоя и увеличением общего расход; воды через него. Поэтому увеличение перепада давлений на фильтре служит вполне надежным косвенным по указателем его загрязненности лишь при неизменном расходе воды.
Рис. 14.5. Схема автоматического OTKJI ю-чения фильтров на промывку
1 — фильтр; 2 — автоматическое уст ройство, 3 — сужающее устройство
Характеристики
Тип файла документ
Документы такого типа открываются такими программами, как Microsoft Office Word на компьютерах Windows, Apple Pages на компьютерах Mac, Open Office - бесплатная альтернатива на различных платформах, в том числе Linux. Наиболее простым и современным решением будут Google документы, так как открываются онлайн без скачивания прямо в браузере на любой платформе. Существуют российские качественные аналоги, например от Яндекса.
Будьте внимательны на мобильных устройствах, так как там используются упрощённый функционал даже в официальном приложении от Microsoft, поэтому для просмотра скачивайте PDF-версию. А если нужно редактировать файл, то используйте оригинальный файл.
Файлы такого типа обычно разбиты на страницы, а текст может быть форматированным (жирный, курсив, выбор шрифта, таблицы и т.п.), а также в него можно добавлять изображения. Формат идеально подходит для рефератов, докладов и РПЗ курсовых проектов, которые необходимо распечатать. Кстати перед печатью также сохраняйте файл в PDF, так как принтер может начудить со шрифтами.
















