варианты к лабораторной (955269), страница 6
Текст из файла (страница 6)
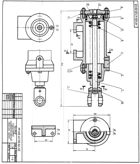
Канавки в корпусе поз. 1 и выступ на плите поз. 2 позволяют устанавливать зажим в одно из трех положений. В корпусе расположен зажим поз. 3, соединенный со штоком поз. 10 поршня поз. 4. Под давлением жидкости, поступающей от гидропривода через верхнее резьбовое отверстие крышки поз. 5, зажим совместно с цилиндром поз. 6, крышкой и гайкой поз. 8 перемещается влево и фиксирует обрабатываемую деталь. При отключении гидропривода пружина поз. 7 возвращает зажим
в исходное положение.
Материал деталей поз. 1 ... 6, 8, 13 — Сталь 15 ГОСТ 1050—74, деталей поз. 7, 9 — Сталь 65Г
ГОСТ 1050—74, деталей поз. 10 ... 12 — Ст 5 ГОСТ 380—71.
45. КОНДУКТОР
| Поз. | Обозначение | Наименование | Кол. |
| Документация | |||
| МЧ00.45.00.00.СБ | Сборочный чертеж | ||
| Детали | |||
| 1 | МЧ00. 45.00.01 | Корпус | 1 |
| 2 | МЧ00.45.00.02 | Призма | 1 |
| 3 | МЧ00.45.00.03 | Вилка | 1 |
| 4 | МЧ00. 45.00.04 | Упор | 1 |
| 5 | МЧ00. 45.00.05 | Втулка | 2 |
| 6 | МЧ00. 45.00.06 | Винт | 1 |
| 7 | МЧ00. 45.00.07 | Рукоятка | 1 |
| 8 | МЧ00. 45.00.08 | Ось | 2 |
| Стандартные изделия | |||
| 9 | Болт М8Х 40.58 ГОСТ 7798—70 | 2 | |
| 10 | Винт М5Х 12.58 ГОСТ 1476—84 | 1 | |
| 11 | Винт М5Х 14.58 ГОСТ 1476—84 | 2 | |
| 12 | Винт М10Х 25.58 ГОСТ 1481-84 | 1 |
Описание работы изделия
Кондуктор данной конструкции предназначен для сверления двух отверстий в детали цилиндрической формы(на чертеже деталь показана тонкой сплошной линией).Обрабатываемая деталь устанавливается в крестообразном отверстии призмы поз. 2. Зажим детали в кондукторе осуществляется с помощью шарнирной вилки поз. 3 и винта поз. 6. Для направления режущего инструмента (сверла) вдоль осей отверстий устанавливаются кондукторные втулки поз. 6. Направляющий корпус поз.1 крепится к станку четырьмя болтами. Продольным перемещением призма устанавливается относительно инструмента и закрепляется винтом поз. 12.
Материал деталей поз. 1 ... 4 — СЧ 15 ГОСТ 1412—79, деталей поз. 5, 6, 8 — Сталь 45 ГОСТ 1050—74, детали поз. 7 — Ст 3 ГОСТ 380—71.
| Поз. | Обозначение | Наименование | Кол. |
| Документация | |||
| МЧ00.46.00.00.СБ | Сборочный чертеж | ||
| Детали | |||
| 1 | МЧ00.46.00.01 | Корпус | 1 |
| 2 | МЧ00.46.00.02 | Вилка | 1 |
| 3 | МЧ00. 46.00.03 | Ось | 1 |
| 4 | МЧ00.46.00.04 | Втулка | 1 |
| 5 | МЧ00. 46.00.05 | Пружина | 1 |
| 6 | МЧ00.46.00.06 | Крышка | 1 |
| 7 | МЧ00. 46.00.07 | Ролик | 1 |
| 8 | МЧ00.46.00.08 | Стержень | 1 |
| 9 | МЧ00.46.00.09 | Планка | 1 |
| 10 | МЧ00. 46.00.10 | Шайба | 1 |
| Стандартные изделия | |||
| 11 | Болт M10Х35.58 ГССТ 7798-70 | 2 | |
| 12 | Болт Ml6X80.58 ГОСТ 7798—70 | 6 | |
| 18 | Винт М12Х 25.58 ГОСТ 1477-84 | 1 | |
| 14 | Винт М20Х 35.58 ГОСТ 1482-84 | 1 | |
| 15 | Гайка М56.02 ГОСТ 10605—72 | 1 | |
| 16 | Шпонка 28Х 16Х 80 ГОСТ 23360—78 | 1 |
Описание работы изделия
Упорные ролики служат для направления заготовок, перемещаемых при прокате.
Каждый ролик поз. 7 свободно вращается на короткой оси поз. 3, закрепленной планкой поз. 9 и болтами поз. 11.Вилка поз. 2 плотно насажена на конец стержня поз. 8, который может перемещаться в осевом направлении. Регулирование первоначальной силы нажатия пружины поз. 5 на ролик производится гайкой поз. 15. Для предупреждения поворота стержня имеется направляющая шпонка поз. 16, прикрепленная к стержню двумя винтами
(на чертеже не показаны).
Материал деталей поз. 1, 2, 6 — СЧ 15 ГОСТ 1412—79, деталей поз. 3. 4, 7, 8 — Сталь 20 ГОСТ 1050—74, детали поз. 5 — Сталь 65Г ГОСТ 1050—74, детали поз. 9 — Сталь Ст 3 ГОСТ 380—71.
| Поз. | Обозначение | Наименование | Кол. |
| Документация | |||
| МЧ00.49.00.00.СБ | Сборочный чертеж | ||
| Детали | |||
| 1 | МЧ00.49.00.01 | Корпус | 1 |
| 2 | МЧ00. 49.00.02 | Губка | 1 |
| 3 | МЧ00.49.00.03 | Винт | 1 |
| 4 | МЧ00.49.00.04 | Направляющая | 1 |
| 5 | МЧ00 49.00.05 | Траверса | 1 |
| 6 | МЧ00. 49.00.06 | Рукоятка | 1 |
| 7 | МЧ00. 49.00.07 | Кольцо | 1 |
| Стандартные изделия | |||
| 8 | Болт MI6X 100.58 ГОСТ 7805—70 | 2 | |
| 9 | Винт А.М 10X25.58 ГОСТ 1491—80 | 2 | |
| 10 | Гайка М16.5 ГОСТ 5915—70 | 2 | |
| 11 | Гайка М20.5 ГОСТ 5915—70 | 2 | |
| 12 | Шайба 20 01.016 ГОСТ 6958—78 | 2 |
Описание работы изделия
Зажим применяется для закрепления труб при нарезании на них резьб. Корпус поз. 1 привертывается двумя болтами к раме станка. Губку поз. 2 винтом поз. 3 можно перемещать по направляющим поз. 4, сближая или удаляя ее от корпуса. Губка имеет рифление, которое обеспечивает надежное удержание трубы. Для перемещения губки вращают рукоятку поз. 6.Вины поз. 9 соединяют губку с винтом поз. 3.
Материал деталей поз. 1, 2 — СЧ 15 ГОСТ 1412—79, поз. 3 ... 5 — Сталь 35 ГОСТ 1050—74, поз.6 —Сталь 20 ГОСТ 1060—74.
50. УСТРОЙСТВО НАТЯЖНОЕ
| Поз. | Обозначение | Наименование | Кол. |
| Документация | |||
| МЧ00.50.00.00.СБ | Сборочный чертеж | ||
| Детали | |||
| 1 | МЧ00.50.00.01 | Корпус | 1 |
| 2 | МЧ00.50.00.02 | Плита | 1 |
| 3 | МЧ00.50.00.03 | Крышка | 1 |
| 4 | МЧ00.50.00.04 | Ползун | 1 |
| 5 | МЧ00.50.00.05 | Втулка | 1 |
| 6 | МЧ00.50.00.06 | Винт | 1 |
| Стандартные изделия | |||
| 7 | Винт М8Х 16.58 ГОСТ 1477—84 | 1 | |
| 8 | Гайка М10.5 ГОСТ 5915—70 | 2 | |
| 9 | Гайка М12.5 ГОСТ 5915-70 | 4 | |
| 10 | Пресс-масленка ГОСТ 19853—74 | 1 | |
| 11 | Шпилька М10Х 35.58 ГОСТ 22034—76 | 2 | |
| 12 | Шпилька М12Х 50.58 ГОСТ 22034-76 | 4 |
Описание работы изделия
Натяжное устройство используется для устранения провисания ленты или цепи в ленточных или цепных конвейерах.















