варианты к лабораторной (955269), страница 11
Текст из файла (страница 11)
Пневматический кран используется в приспособлении для зажима детали при ее обработке на металлорежущем станке. В корпусе поз. 1 имеются три отверстия. Через верхнее отверстие поступает сжатый воздух, который под давлением (в зависимости от положения золотника поз. 3 ) поочередно, то через правое, то через левое отверстие корпуса попадает в полость пневматического цилиндра (на чертеже не показан), заставляя двигаться поршень.
Педаль поз. 8 находится в верхнем положении при край нем левом положении золотника, что обеспечивается действием пружины поз. 10 на торец золотника. Если нажать на педаль поз. 5, золотник займет крайнее правое положение, при этом пружина сожмется.
Материал деталей поз. 1 ... 3, 6, 7, 9 — Сталь 35 ГОСТ 1050—74, деталей поз. 4, 5, 8 — Ст 6 ГОСТ 380—71.
74. ВЕНТИЛЬ ЗАПОРНЫЙ
| Поз. | Обозначение | Наименование | Кол. |
| Документация | |||
| МЧ00.74.00.00.СБ | Сборочный чертеж | ||
| Детали | |||
| 1 | МЧ00.74.00.01 | Корпус | |
| 2 | МЧ00.74.00.02 | Штуцер | |
| 3 | МЧ00.74.00.03 | Штуцер | |
| 4 | МЧ00.74.00.04 | Фланец | |
| 5 | МЧ00.74.00.05 | Втулка | |
| 6 | МЧ00. 74.00.06 | Кольцо | |
| 7 | МЧ00.74.00.07 | Гайка | |
| 8 | МЧ00.74.00.08 | Втулка | |
| 9 | МЧ00.74.00.09 | Маховик | |
| 10 | МЧ00. 74.00.10 | Шпиндель | |
| 11 | МЧ00.74.00.11 | Фланец | |
| 12 | МЧ00. 74.00.12 | Клапан | |
| 13 | МЧ00.74.00.13 | Втулка | |
| 16 | Кольцо | ||
| 17 | Прокладка | ||
| 18 | Прокладка | ||
| Стандартные изделия | |||
| 14 | Гайка М12.5 ГОСТ 5915—70 | 7 | |
| Кольцо СГ 28-17-3,5 ГОСТ 6418—81 | 5 | ||
| 15 | Шпилька M16X45.58 ГОСТ 22034—76 | 6 |
Описание работы изделия
Запорный вентиль монтируют на трубопроводе, по которому движется жидкость или газ.
С помощью вентиля можно отключать одну часть трубопровода от другой. Для этого нужно опустить запорный клапан поз. 12 до соприкосновения его с торцом втулки поз. 5. Перемещение клапана по вертикали производят вращением маховика поз. 9. Гайка поз. 14 предупреждает соскакивание маховика со шпинделя поз. 10. Уплотнение, состоящее из асбестового просаленного шнура поз. 16 прямоугольного сечения, прижимается сверху втулкой поз. 8. При затяжке гайки поз. 7 сжатие уплотнения увеличивается.
Материал деталей поз. 1 ... 3, 5, 7, 10 — Сталь 30 ГОСТ 1050—74, деталей поз. 4, 8 — Ст 6 ГОСТ 380—71,
деталей поз. 6, 9, 11 — Сталь 20 ГОСТ 1050—74, деталей поз. 12 — БрА9Мц2Л ГОСТ 493—79.поз. 16- Шнур асбестовый ШАОН 12 ГОСТ 1779—83 ; поз. 17- Картон А1 ГОСТ 9347-74 ; поз.18-Кожа3 ГОСТ 20836-75
| Поз. | Обозначение | Наименование | Кол. |
| Документация | |||
| МЧ00.76.00.00.СБ | Сборочный чертеж | ||
| Детали | |||
| 1 | МЧ00.76.00.01 | Корпус | 1 |
| 2 | МЧ00. 76.00.02 | Цилиндр | 1 |
| 3 | МЧ00. 76.00.03 | Седло | 1 |
| 4 | МЧ00. 76.00.04 | Втулка | 1 |
| 5 | МЧ00. 76.00.05 | Клапан | 1 |
| 6 | МЧ00. 76.00.06 | Гайка | 1 |
| 7 | МЧ00.76.00.07 | Пружина | 1 |
| 8 | МЧ00. 76.00.08 | Обойма | 1 |
| 9 | МЧ00. 76.00.09 | Винт | 1 |
| 10 | МЧ00.76.00.10 | Тарелка | 1 |
| 11 | МЧ00. 76.00.11 | Тарелка | 1 |
| 12 | МЧ00. 76.00.12 | Шток | 1 |
| 13 | МЧ00.76.00.13 | Колпак | 1 |
| 14 | МЧ00. 76.00.14 | Втулка | 1 |
| 18 | Прокладка | ||
| 19 | Прокладка | ||
| Стандартные изделия | |||
| 15 | Винт М6Х 30.58 ГОСТ 1482-84 | 1 | |
| 16 | Винт М6Х 35.58 ГОСТ 1482—84 | 1 | |
| 17 | Ганка M10.5 ГОСТ 5915-70 | 1 |
Описание работы изделия
Предохранительный клапан применяется для регулирования давлении жидких или газообразных сред.
Клапан поз. 5 прижат к седлу поз, 3 штоком поз. 12 со сферической опорной поверхностью. Седло установлено на резьбе в корпус поз. 1 и стопорится винтом поз. 16. Клапан расположен в регулировочной втулке поз. 14,которая ввертывается в обойму поз. 8 и стопорится винтом поз. 15. Втулка поз. 14 может занимать различное положение относительно седла, увеличивая или уменьшая проходное сечение трубопровода. Открытие клапана зависит от степени предварительного сжатия пружины поз. 7. Сжатие пружины регулируется винтом поз. 9. После регулировки винт поз. 9 фиксируют гайкой поз. 17 и закрывают колпаком поз. 13.
Материал деталей поз. 1 ... 6 — Сталь 20 ГОСТ 1050—74, детали поз. 7 — Сталь 65Г ГОСТ 1050—74, деталей поз. 9 ... 14 — Сталь 30 ГОСТ 1050—74; поз.18,19- Кожа 2 ГОСТ 20836—75
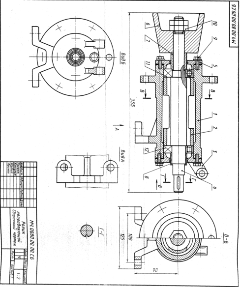
80. РОЛИК НАПРАВЛЯЮЩИЙ
| Поз. | Обозначение | Наименование | Кол. |
| Документация | |||
| МЧ00.80.00.00.СБ | Сборочный чертеж | ||
| Детали | |||
| 1 | МЧ00.80.00.01 | Корпус | 1 |
| 2 | МЧ00.80.00.02 | Втулка | 1 |
| 3 | МЧ00. 80.00.03 | Крышка | 1 |
| 4 | МЧ00.80.00.04 | Вал | 1 |
| 5 | МЧ00.80.00.05 | Крышка | 1 |
| 6 | МЧ00.80.00.06 | Ролик | 1 |
| 7 | МЧ00.80.00.07 | Втулка | 1 |
| 8 | МЧ00.80.00.08 | Втулка | 1 |
| Стандартные изделия | |||
| 9 | Болт М8Х 20.58 ГОСТ 7798—70 | 8 | |
| 10 | Гайка М8.5 ГОСТ 5915—70 | 8 | |
| 11 | Шарикоподшипник ГОСТ 8338-75 | 1 | |
| 12 | Роликоподшипник ГОСТ 8328-75 | 1 |
Описание работы изделия
Ролик является частью устройства для перемещения заготовок в прокатных станах.
Корпус поз. 1 крепят к раме устройства двумя болтами (см. вид А). Два отверстия в ушках крышки поз. 3 и отверстия во фланце корпуса предназначены для деталей, соединяющих корпус с другими частями устройства. Вал поз.4 опирается на два подшипника качения — шариковый поз. 11 и роликовый поз. 12. Смещению подшипников в осевом направлении препятствуют дистанционные втулки поз. 2, 7, 8 и крышки поз. 3,5.В каждой крышке сделаны три полукруглые проточки, которые заполняют густой смазкой, препятствующей проникновению в подшипники пыли и влаги.
Материал деталей поз. 1, 3, 5, 6 — СЧ 15 ГОСТ 1412—79, деталей поз. 2, 4,7,8 — Сталь 20 ГОСТ 1050—74.















