варианты к лабораторной (955269), страница 4
Текст из файла (страница 4)
Шток поршня поз. 4 соединен с вилкой поз. 6. Вилка присоединяется к звену механизма, которому поршень сообщает требуемое возвратно-поступательное движение. Уплотнение поршня, штока поршня, а также корпуса обеспечивается уплотнительными кольцами поз. 11, 12, 13 и прокладкой поз. 7.
Материал деталей поз. 1 ... 3 — СЧ 15 ГОСТ 1412—79, деталей поз. 6 — Сталь 45 ГОСТ 1050—74; 4-сталь 40 Х; 5-сталь Ст3; поз.7-картон; поз.13- Войлок ПС 10 ГОСТ 6308—71
| Поз. | Обозначение | Наименование | Кол. |
| Документация | |||
| МЧ00.27.00.00.СБ | Сборочный чертеж | ||
| Детали | |||
| 1 | МЧ00.27.00.01 | Корпус | 1 |
| 2 | МЧ00.27.00.02 | Стакан | 1 |
| 3 | МЧ00.27.00.03 | Гайка упорная | 1 |
| 4 | МЧ00.27.00.04 | Пружина | 1 |
| 5 | МЧ00.27.00.05 | Тарелка | 1 |
| 6 | МЧ00.27.00.06 | Бегунок | 2 |
| 7 | МЧ00.27.00.07 | Втулка | 2 |
| 8 | МЧ00.27.00.08 | Крышка | 2 |
| 9 | МЧ00.27.00.09 | Буфер | 2 |
| 10 | МЧ00.27.00.10 | Ось | 1 |
| 18 | Прокладка | ||
| Стандартные изделия | |||
| 13 | Болт М6Х 28.58 ГОСТ 7798—70 | 12 | |
| 12 | Болт М12Х 32.58 ГОСТ 7798—70 | 2 | |
| 13 | Гайка М30.5 ГОСТ 5915—70 | 1 | |
| 14 | Шайба 12.01.05 ГОСТ 11371—78 | 2 | |
| 15 | Шарикоподшипник 212 ГОСТ 8338—75 | 2 | |
| 16 | Кольцо СГ 76-59-5 ГОСТ 6418—81 | 2 | |
| 17 | Кольцо СГ 71 54 5 ГОСТ 6418—-81 | 2 |
Описание работы изделия
Буфер используется в автоматических линиях с целью предотвращения поломок деталей при их обработке на металлорежущих станках.
Деталь, поданная на конвейер, устанавливается в осевом направлении под давлением толкателя, который подводит деталь до буфера поз. 9. При ударе буфер упирается в пружину поз. 4, которая, сжимаясь, поглощает удар. С помощью бегунков поз. 6 деталь передается на следующую операцию автоматической линии.
Материал деталей поз. 1 — СЧ 15 ГОСТ 1412—79, поз. 2, 5, 7, 8 — Ст 5 ГОСТ 380—71, поз. 3, 6, 9, 10 — Сталь 30 ГОСТ 1050—74, поз. 4 — Сталь 65Г ГОСТ 1050—74; поз.18- Картон А 1 ГОСТ 6659—83
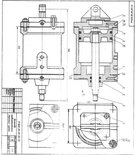
| Поз. | Обозначение | Наименование | Кол. |
| Документация | |||
| MЧ00.28.00.00.СБ | Сборочный чертеж | ||
| Детали | |||
| 1 | MЧ00.20.00.01 | Цилиндр | 1 |
| 2 | МЧ00.20.00.02 | Поршень | 1 |
| 3 | МЧ00.28.00.03 | Крышка | 1 |
| 4 | МЧ00.28.00.04 | Крышка | 1 |
| 5 | МЧ00.28.00.05 | Фланец | 1 |
| 6 | МЧ00.28.00.06 | Шток | 1 |
| 13 | Прокладка | ||
| Стандартные изделия | |||
| 7 | Болт M10X 38.58 ГОСТ 7798-70 | 4 | |
| 8 | Гайка Ml2.5 ГОСТ 5915—70 | 8 | |
| 9 | Кольцо 025 030 30 ГОСТ 9833—73 | 2 | |
| 10 | Кольцо 055 060 30 ГОСТ 0833 —УЗ | 2 | |
| 11 | Шайба 12.01.05 ГОСТ 11371-78 | 8 | |
| 12 | Шпилька Ml2X45.58 ГОСТ 22043-76 | 8 |
Описание работы изделия
Пневматические цилиндры применяются в приспособлениях, предназначенных для быстрой установки и надежного закрепления обрабатываемых деталей на металлообрабатывающих станках. Изображенный на чертеже пневматический цилиндр - качающийся, крепится к станку специальными шарнирными устройствами. Основными элементами пневматического цилиндра являются цилиндр поз. 1 и поршень поз. 2.
В цилиндр через отверстия крышек поз. 3 и поз. 4 то с одной, то с другой стороны поршня попеременно подводят сжатый воздух, под действием которого поршень совершает возвратно-поступательное движение. К правому концу штока поз. 6 присоединяется звено механизма, которому шток сообщает это движение. Поршень и шток имеют уплотнительные кольца поз. 9 и поз. 10
Материал деталей поз. 1,3…5 — СЧ 15 ГОСТ 1412—79, поз. 2, 6 —Сталь 35 ГОСТ 1050—74;поз.13-Картон А 1ГОСТ 9347 74
30. ВЕНТИЛЬ ЗАПОРНЫЙ
| Поз. | Обозначение | Наименование | Кол. |
| Документация | |||
| МЧ00.30.00.00.СБ | Сборочный чертеж | ||
| Детали | |||
| 1 | МЧ00.30.00.01 | Корпус | 1 |
| 2 | МЧ00.30.00.02 | Крышка | 1 |
| 3 | МЧ00.30.00.03 | Фланец | 1 |
| 4 | МЧ00.30.00.04 | Шпиндель | 1 |
| 5 | МЧ00.30.00.05 | Клапан | 1 |
| 6 | МЧ00.30.00.06 | Гайка | 1 |
| 7 | МЧ00.30.00.07 | Втулка | 1 |
| 8 | МЧ00.30.00.08 | Ключ | 1 |
| 13 | Прокладка | ||
| 14 | Кольцо | ||
| Стандартные изделия | |||
| 9 | Болт M12X45.58 ГОСТ 7798—70 | 4 | |
| 10 | Гайка М12.5 ГОСТ 5915—70 | 4 | |
| 11 | Гайка М10.5 ГОСТ 5915-70 | 2 | |
| 12 | Шпилька М10Х 25.58 ГОСТ 22032—76 | 2 |
Описание работы изделия
Запорный вентиль монтируют на трубопроводах, предназначенных для подачи жидкости.
С помощью вентиля можно периодически отключать одну часть трубопровода от другой, для этого нужно опустить запорный клапан поз. 5 вниз до соприкосновения с торцом втулки поз. 7. Перемещение клапана в вертикальном направлении производят вращением ключа поз. 8, насаженного на квадратный конец шпинделя поз. 4. Уплотнение поз. 14, прижимаемое сверху фланцем поз. 3, плотно прилегает к шпинделю.
Материал деталей поз. 1,2,3,7, 10 — Сталь 30 ГОСТ 1050—74, поз. 4, 8-Чугун С415, поз. 6 — Сталь 20 ГОСТ 1050—74, поз. 5 — Бр03Ц12С5 ГОСТ 613—79;поз.4- сталь 40Х; поз.13 - Картон А 1 ГОСТ 9347—74; поз.14- Войлок ПС 10
ГОСТ 6308—71
| Поз. | Обозначение | Наименование | Кол. |
| Документация | |||
| МЧ00.34.00.00.СБ | Сборочный чертеж | ||
| Детали | |||
| 1 | МЧ00.34.00.01 | Корпус | 1 |
| 2 | МЧ00.34.00.02 | Цилиндр | 1 |
| 3 | МЧ00.34.00.03 | Стакан | 1 |
| 4 | МЧ00.34.00.04 | Шток | 1 |
| 5 | МЧ00.34.00.05 | Втулка | 1 |
| 6 | МЧ00.34.00.06 | Ролик | 1 |
| 7 | МЧ00.34.00.07 | Пружина | 1 |
| 8 | МЧ00.34.00.08 | Ось | 1 |
| 9 | МЧ00.34.00.09 | Втулка | 1 |
| 10 | МЧ00.34.00.10 | Вилка | 1 |
| 11 | МЧ00.34.00.11 | Пластинка | 1 |
| Стандартные изделия | |||
| 12 | Болт MI4X 16.58 ГОСТ 7796—70 | 2 | |
| 13 | Болт М8Х 25.58 ГОСТ 7796—70 | 6 | |
| 14 | Винт МЮХ 16.58 ГОСТ 8878—84 | 1 | |
| 15 | Гайка Ml0.5 ГОСТ 5915—70 | 6 | |
| 16 | Гайка М24.5 ГОСТ 2526—70 | 2 | |
| 17 | Шпилька М10Х 25.58 ГОСТ 22032—76 | 6 | |
| 18 | Шпонка 10X8X30 ГОСТ 23360—78 | 1 |
Описание работы изделия
Роликовый амортизатор служит для направления перемещаемых при прокате заготовок и поглощения ударных нагрузок.















