text (955261), страница 15
Текст из файла (страница 15)
Канавки в корпусе поз. 1 и выступ на плите поз. 2
позволяют устанавливать зажим в одно из трех положе-
ний. В корпусе расположен зажим поз. 3, соединенный
со штоком поз. 10 поршня поз. 4. Под давлением жидко-
сти, поступающей от гидропривода через верхнее резьбо-
вое отверстие крышки поз. 5, зажим совместно с цилин-
дром поз. 6, крышкой и гайкой поз. 8 перемещается
влево и фиксирует обрабатываемую деталь. При отклю-
чении гидропривода пружина поз. 7 возвращает зажим
в исходное положение.
Задание
Выполнить чертежи деталей поз. 1 ... 7, 11. Деталь
поз. 1 или поз. 3 изобразить в аксонометрической про-
екции.
Материал деталей поз. 1 ... 6, 8, 13 — Сталь 15
ГОСТ 1050—74, деталей поз. 7, 9 — Сталь 65Г
ГОСТ 1050—74, деталей поз. 10 ... 12 — Ст 5
ГОСТ 380—71.
Ответьте на вопросы:
-
Назовите все детали на разрезе Б—Б.
-
Какую форму имеют головки болтов поз. 12?
-
Какое назначение четырех несквозных отверстий
в детали поз. 5?
46
1-е деталирование
45. КОНДУКТОР
| Формат | Зона | Поз. | Обозначение | Наименование | Кол. | Приме- |
| Документация | ||||||
| А2 | МЧ00.45.00.00.СБ | Сборочный чертеж | ||||
| Детали | ||||||
| A3 | 1 | МЧ00. 45.00.01 | Корпус | 1 | ||
| A3 | 2 | МЧ00.45.00.02 | Призма | 1 | ||
| A3 | 3 | МЧ00.45.00.03 | Вилка | 1 | ||
| А4 | 4 | МЧ00. 45.00.04 | Упор | 1 | ||
| А4 | 5 | МЧ00. 45.00.05 | Втулка | 2 | ||
| А4 | 6 | МЧ00. 45.00.06 | Винт | 1 | ||
| А4 | 7 | МЧ00. 45.00.07 | Рукоятка | 1 | ||
| А4 | 8 | МЧ00. 45.00.08 | Ось | 2 | ||
| Стандартные изделия | ||||||
| 9 | Болт М8Х 40.58 | 2 | ||||
| 10 | Винт М5Х 12.58 | 1 | ||||
| 11 | Винт М5Х 14.58 | 2 | ||||
| 12 | Винт М10Х 25.58 | 1 |
Кондуктор данной конструкции предназначен для
сверления двух отверстий в детали цилиндрической формы
(на чертеже деталь показана тонкой сплошной линией)
Обрабатываемая деталь устанавливается в кресто-
образном отверстии призмы поз. 2. Зажим детали в кон-
дукторе осуществляется с помощью шарнирной вилки
поз. 3 и винта поз. 6.
Для направления режущего инструмента (сверла)
вдоль осей отверстий устанавливаются кондукторные
втулки поз. 6. Направляющий корпус поз.1 крепится
к станку четырьмя болтами. Продольным перемещением
призма устанавливается относительно инструмента
и закрепляется витом поз. 12.
Задание
Выполнить чертежи деталей поз. 1 ... 7.
Материал деталей поз. 1 ... 4 — СЧ 15 ГОСТ 1412—79,
деталей поз. 5, 6, 8 — Сталь 45 ГОСТ 1050—74,
детали поз. 7 — Ст 3 ГОСТ 380—71.
Ответьте на вопросы:
-
Назовите все детали, изображенные на разрезе
А—А. -
Покажите контур детали поз.1.
-
Сколько местных разрезов на данном чертеже?
47
2-е деталировании
46. РОЛИК УПОРНЫЙ
| Формат | Зона | Поз. | Обозначение | Наименование | Кол. | Приме- |
| Документация | ||||||
| А2 | МЧ00.46.00.00.СБ | Сборочный чертеж | ||||
| Детали | ||||||
| A3 | 1 | МЧ00.46.00.01 | Корпус | 1 | ||
| A3 | 2 | МЧ00.46.00.02 | Вилка | 1 | ||
| А4 | 3 | МЧ00. 46.00.03 | Ось | 1 | ||
| А4 | 4 | МЧ00.46.00.04 | Втулка | 1 | ||
| А4 | 5 | МЧ00. 46.00.05 | Пружина | 1 | ||
| A3 | 6 | МЧ00.46.00.06 | Крышка | 1 | ||
| А4 | 7 | МЧ00. 46.00.07 | Ролик | 1 | ||
| A3 | 8 | МЧ00.46.00.08 | Стержень | 1 | ||
| А4 | 9 | МЧ00.46.00.09 | Планка | 1 | ||
| А4 | 10 | МЧ00. 46.00.10 | Шайба | 1 | ||
| Стандартные изделия | ||||||
| 11 | Болт M10Х35.58 ГССТ 7798-70 | 2 | ||||
| 12 | Болт Ml6X80.58 ГОСТ 7798—70 | 6 | ||||
| 18 | Винт М12Х 25.58 ГОСТ 1477-84 | 1 | ||||
| 14 | Винт М20Х 35.58 ГОСТ 1482-84 | 1 | ||||
| 15 | Гайка М56.02 ГОСТ 10605—72 | 1 | ||||
| 16 | Шпонка 28Х 16Х 80 ГОСТ 23360—78 | 1 |
Упорные ролики служат для направления заготовок,
перемещаемых при прокате.
Каждый ролик поз. 7 свободно вращается на короткой
оси поз. 3, закрепленной планкой поз. 9 и болтами поз. 11.
Вилка поз. 2 плотно насажена на конец стержня поз. 8,
который может перемещаться в осевом направлении.
Регулирование первоначальной силы нажатия пружины
поз. 5 на ролик производится гайкой поз. 15. Для пред»
упреждения поворота стержня имеется направляющая
шпонка поз. 16, прикрепленная к стержню двумя винтами
(на чертеже не показаны).
Задание
Выполнить чертежи деталей поз. 1... 8. Построить
аксонометрическую проекцию детали поз. 1.
Материал деталей поз. 1, 2, 6 — СЧ 15 ГОСТ 1412—79,
деталей поз. 3. 4, 7, 8 — Сталь 20 ГОСТ 1050—74,
детали поз. 5 — Сталь 65Г ГОСТ 1050—74, детали поз. 9 —
Сталь Ст 3 ГОСТ 380—71.
Ответьте на вопросы:
-
Сколько отверстий под болты в детали поз. 6?
-
Какое назначение детали поз. 14?
-
Имеются ли на данном чертеже местные разрезы
и изображение сечения?
48
1-е деталирование
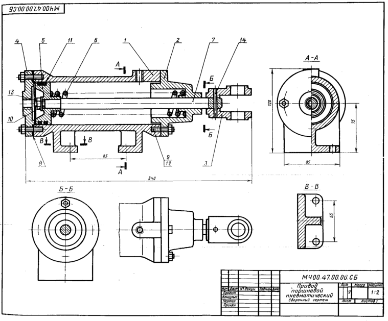
47. ПРИВОД ПОРШНЕВОЙ ПНЕВМАТИЧЕСКИЙ
| Формат | Зона | Поз. | Обозначение | Наименование | Кол. | Приме- |
| Документация | ||||||
| А2 | МЧ00.47.00.00.СБ | Сборочный чертеж | ||||
| Детали | ||||||
| A3 | 1 | МЧ00.47.00.01 | Цилиндр | 1 | ||
| A3 | 2 | МЧ00. 47.00.02 | Крышка | 1 | ||
| А4 | 3 | МЧ00.47.00.03 | Вилка | 1 | ||
| А4 | 4 | МЧ00. 47.00.04 | Крышка | 1 | ||
| А4 | 5 | МЧ00. 47.00.06 | Поршень | 1 | ||
| A3 | 6 | МЧ00. 47.00.06 | Пружина | 1 | ||
| A3 | 7 | МЧ00. 47.00.07 | Шток | 1 | ||
| А4 | 8 | МЧ00. 47.00.08 | Прокладка | 1 | ||
| Стандартные изделия | ||||||
| 9 | Гайка М8.5 ГОСТ 5915—70 | 8 | ||||
| 10 | Гайка М12.5 ГОСТ 5915—70 | 1 | ||||
| 11 | Кольцо 030-035-30 ГОСТ 9833—73 | 2 | ||||
| 12 | Шпилька М8Х 25.58 ГОСТ 22034—76 | 8 | ||||
| 13 | Шайба 12.01.016 ГОСТ 6958—78 | 1 | ||||
| 14 | Штифт 5h8Х60 ГОСТ 3128—70 | 1 |
Пневматический поршневой привод является испол-
тельным механизмом одностороннего действия и пред-
назначен для управления заслонкой газовой отсечки
нагревательных колодцев.
При включении привода сжатый воздух, поступающий
через отверстие крышки поз. 4, перемещает вправо пор-
шень поз. 5, и шток поз. 7 с вилкой поз. 3 действует на
приводной орган, с которым он соединен. При прекраще-
нии подачи сжатого воздуха в цилиндр поз. 1 пружина
поз. 6 возвращает поршень привода в исходное положе-
ние. В цилиндре имеется отверстие, соединяющее правую
его полость с атмосферой.
Задание















