Uchebnoe_posobie_dlya_vypolenia_DZ_po_TK M_Misha_15_04_2014 (769665), страница 12
Текст из файла (страница 12)
4. Определение массы наплавленных швов
Массу наплавленного металла угловых швов таврового соединения (Приложение 2) определяем как:
Мш= 2×F1 × Lш ×ρ,
где : F1 – площадь поперечного сечения шва, F1=0,5х0,62=0,18 см2;
Lш - длина углового шва сварного соединения кольца с фланцем диаметром D=16,5см, Lш =πхD,=3,14х16,5=51,81 см (рис.1);
ρ – плотность стали, 7,8 г/см3.
Тогда:
Мш= 2х0,18×51,81х7,8=145,48г.
4. Выбор формы и размеров свариваемых элементов
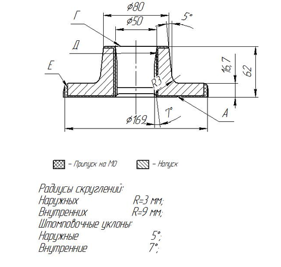
Сварная заготовка ступицы образуется в результате соединения фланца и кольца. Фланец изготовляется горячей объемной штамповкой открытом штампе по аналогии с технологическим процессом изготовления штампованной поковки ступицы, рассмотренной в главе 2. Эскиз поковки фланца приведен на рис. 4.2.
Рис. 4.2. Эскиз поковки фланца
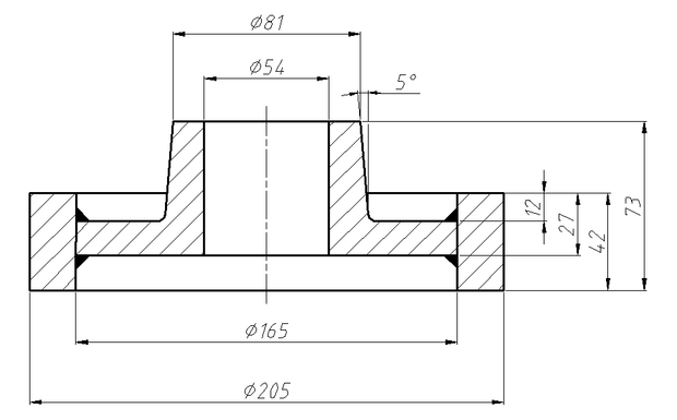
Второй элемент сварной заготовки изготавливается механической обработкой резанием толстостенной трубы размером 219×28 мм (ГОСТ 8732 - 78), эскиз которого приведен на рис.4.3.
Рис. 4.3. Эскиз кольца
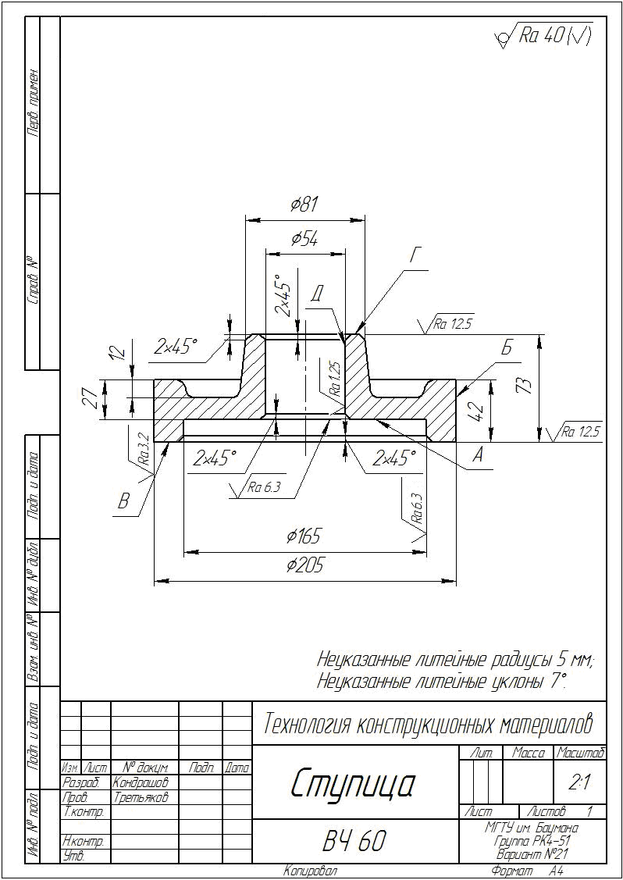
Перед началом сборочно – сварочных мероприятий поковку подвергают обработке резанием – растачивают отверстие до диаметра 50 мм (поверхность Д) и наружную цилиндрическую поверхность диаметром 165 мм (рис.1).
Для обеспечения требуемых размеров и формы конструкции
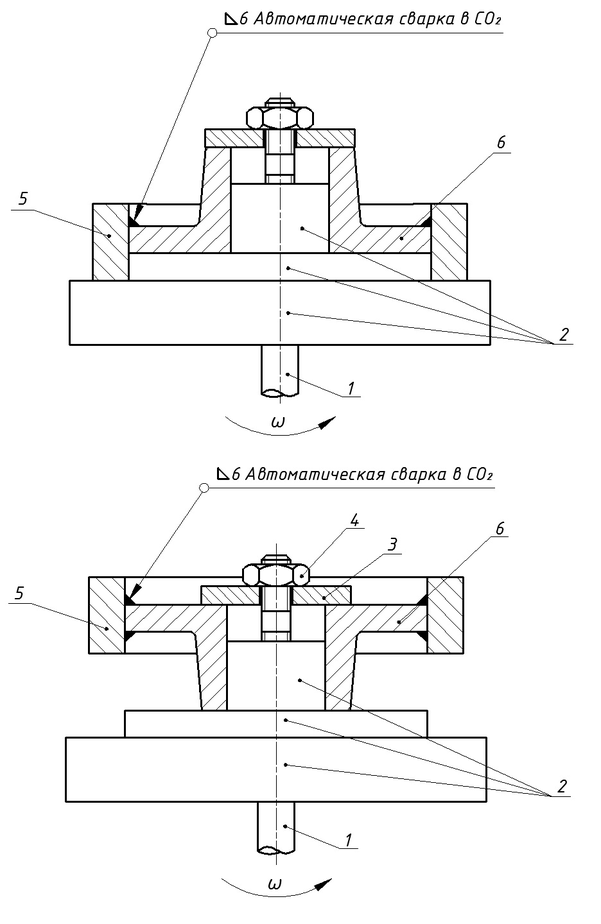
сборку и сварку элементов осуществляют в приспособлении (рис. 4.4). Эскиз сварной заготовки ступицы приведен на рис. 4.5.
Рис. 4.4. Эскиз заготовки в сборочно – сварочном приспособлении
Рис. 4.5. Эскиз сварной заготовки ступицы
5. Анализ технологичности сварной заготовки
При сварке под технологичностью понимают выбор способов сварки, позволяющих получать качественные сварные соединения с минимальными затратами труда, средств, материалов и времени их изготовления.
Технологичные сварные заготовки должны отвечать основным требованиям, приведенным в табл.4.5.
Анализ технологичности сварной заготовки Таблица 4.5
| № | Признаки технологичности | Способ изготовления | |
| Сварка | ОР | ||
| 1 | Исходная заготовка в виде сортового проката | + | |
| 2 | Хорошая свариваемость материала заготовки | + | |
| 3 | Максимальная весовая точность заготовки (mд / mз). | 0.532 - | |
| 4 | Низкий уровень напряжений в заготовке. | - | |
| 5 | Унификация размеров и форм обрабатываемых элементов заготовки для сокращения номенклатуры используемого инструмента. | + | |
| 6 | Геометрическая форма и соотношение размеров заготовки, обеспечивающие возможность использования высокопроизводительной сварки. | + | |
| 7 | Обеспечение фиксации взаимного расположения свариваемых заготовок | + | |
| 8 | Симметричное расположение швов относительно центра тяжести сварного соединения | + | |
| 9 | Непрерывные сварные швы | + | |
| 10 | Отсутствие пересечения сварных швов | + | |
| 11 | Отдаленность обработанных поверхностей от зон сварки | - | |
| 12 | Применение прямолинейных и кольцевых швов | + | |
| 13 | Геометрическая форма обрабатываемых поверхностей, обеспечивающая равномерную и безударную работу режущего инструмента. | + | |
| 14 | Четкое разделение поверхностей заготовки, обрабатываемых на различных технологических операциях, разным инструментом и с различной степенью точности. | + | |
| 15 | Расположение обрабатываемых поверхностей на одном уровне | + | + |
| 16 | Возможность механической обработки поковки и трубы за один установ на станке | - | - |
| 17 | Минимальная шероховатость | - | - |
| 18 | Минимальная длина обрабатываемых поверхностей отливки | + | - |
| 19 | Минимальная величина дефектного слоя на поверхности заготовки | - | + |
| 20 | Низкий уровень внутренних напряжений в заготовке | + | + |
| 21 | Равномерная высокая жесткость конструкции | + | + |
| 22 | Возможность контроля качества | + | + |
| 23 | Максимальный коэффициент использования металла | 0.532 | 0.31 |
5. Вывод
Анализ технологичности сварной заготовки показал, что коэффициент использования материала при изготовлении этого вида заготовки ниже, чем при получении отливки и поковки проектируемой детали. Кроме того, в процессе механической обработки резанием на поверхности А срезается один из кольцевых швов, в результате чего существенно снижается прочность сварного соединения.
Глава 5. Выбор оптимального метода изготовления заготовки проектируемой детали
Анализ вариантов изготовления заготовок проектируемой детали показал, что минимальный объем механической обработки резанием требуется при изготовлении изделия из отливки, эскиз которой приведен на рис. 3.5.
Последовательность механической обработки отливки на токарно-винторезном станке.
Установ 1.
-
Установить заготовку в трехкулачковый самоцентрирующий патрон по поверхности «Б».
-
Подрезать торцовую поверхность «В». Инструмент: токарный проходной отогнутый резец.
-
Расточить отверстие 165 мм на глубину 15 мм. Инструмент: токарный проходной упорный резец.
-
Расточить отверстие 54 мм поверхность «Д». Инструмент: токарный расточной резец для обработки сквозных отверстий.
-
Снять фаску в отверстие 165 мм. Инструмент: токарный проходной отогнутый резец.
-
Снять фаску в отверстии 54 мм. Инструмент: токарный проходной отогнутый резец.
Установ 2.
-
Установить заготовку в трехкулачковый самоцентрирующий патрон по поверхности 165 мм.
-
Подрезать торцовую поверхность «Г», выдержав размер 73 мм. Инструмент: токарный проходной отогнутый резец.
-
Подрезать торцовую поверхность «Е» выдержав размер 42 мм. Инструмент: токарный проходной отогнутый резец.
-
Обточить наружную цилиндрическую поверхность «Б» до 205 мм. Инструмент: токарный проходной отогнутый резец.
-
Снять фаску на наружной поверхности 81 мм. Инструмент: токарный проходной отогнутый резец.
12 Снять фаску на внутренней поверхности 54 мм. Инструмент: токарный проходной отогнутый резец.
Чертеж технологичной детали (ступицы) приведен на рис. 5.1.
Рис.5.1.Чертеж технологичной детали.
ПРИЛОЖЕНИЕ 1
Требования к технологичности конструкции отливки.
Для создания технологичной литой детали конструктор должен учесть многие факторы в том числе технологические свойства применяемого сплава, способа литья и вид механической обработки.
ПРИЛОЖЕНИЕ 2
Основные виды способы луговой сварки
-
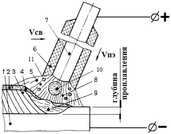
Ручная дуговая сварка плавящимся покрытым электродом (РДС)
| Ручная дуговая сварка плавящимся покрытым электродом - дуговая сварка плавящимся электродом, выполняемая вручную с использованием покрытого электрода. Плавящийся электрод для дуговой сварки - металлический электрод, включаемый в цепь сварочного тока для подвода его к сварочной дуге, расплавляющийся при сварке и служащий присадочным металлом. Покрытый электрод - плавящийся электрод для дуговой сварки, имеющий на поверхности покрытие, адгезионно связанное с металлом электрода. Покрытие электрода - смесь веществ, нанесенная на электрод для усиления ионизации, защиты от вредного воздействия среды, металлургической обработки сварочной ванны. |
| Схема ручной дуговой сварки плавящимся покрытым электродом (РДС) При РДС источником теплоты является электрическая (сварочная) дуга 8. Для образования и поддержания электрической дуги к электроду и свариваемому изделию от источника питания подводится переменный или постоянный сварочный ток (процесс сварки на постоянном токе стабильнее, чем на переменном). Зажигание сварочной дуги производится вручную в результате касания электрода поверхности свариваемых элементов. В процессе сварки дуга 8 горит между торцом металлического стержня 7 электрода и основным металлом 1. Под действием теплоты дуги металлический стержень электрода плавится и расплавленный металл 10 каплями стекает в сварочную ванну 9. Вместе со стержнем плавится покрытие электрода 6, образуя газовую защитную атмосферу 5 вокруг дуги. Капли расплавленного защитно-легирующего покрытия 11 формируют жидкую шлаковую ванну 4 на поверхности расплавленного металла. По мере расходования электрод вручную подается в зону сварки со скоростью Vпэ (скорость подачи электрода), равной средней скорости его плавления, что обеспечивает постоянство средней длины дугового промежутка (длины дуги) Lд*. Газовая защитная атмосфера и жидкая шлаковая ванна изолируют зону сварки от окружающего воздуха. При перемещении вручную дуги со скоростью сварки Vсв сварочная ванна затвердевает и формируется сварной шов 3. В состав сварного шва входят как электродный (металл электрода), так и основной металл. Затвердевший жидкий шлак образует твердую шлаковую корку 2 на поверхности сварного шва, которая защищает остывающий твердый металл от влияния окружающей среды. Для обеспечения стабильности процесса сварка осуществляется на постоянном токе. Для увеличения глубины проплавления (увеличения производительности сварки) применяется обратная полярность («+» - на электроде; «- » - на изделии). Для предотвращения образования дефектов сварка выполняется при определенной длине дуги. *Длина дуги Lд – расстояние от торца металлического стержня электрода до поверхности сварочной ванны. |
Преимущества, недостатки, область применения.
| Преимущества. | Недостатки. |
| 1. Возможность выполнения прямолинейных и криволинейных швов в любых пространственных положениях. 2. Возможность выполнения швов в труднодоступных местах, а также при монтажных работах и сборке конструкций сложной формы. 3. Простота, дешевизна и транспортабельность оборудования. 5. Возможность сварки самых различных сталей благодаря широкому выбору выпускаемых марок электродов. 6. Возможность визуального контроля за формированием сварного шва. | 1. Влияние на качество сварки субъективного фактора. 2. Сварка коротких швов из-за ограниченной длины электрода. 3. Для предотвращения образования шлаковых включений в многопроходных швах необходимо очищать от шлака ранее сваренный шов перед укладкой последующего. 4. Низкая производительность из-за невозможности применения больших сварочных токов и затрат времени на смену электрода. 5. Вредные условия процесса сварки
|
| Область применения. В промышленности – единичное производство (опытное, ремонтное), в строительстве – монтажное производство. | |
-
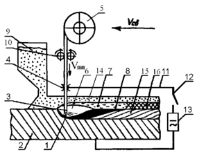
Автоматическая дуговая сварка под флюсом проволочным электродом (электродной проволокой)
| Автоматическая дуговая сварка - дуговая сварка, при которой возбуждение дуги, подача плавящегося электрода или присадочного металла и относительное перемещение дуги и изделия осуществляются механизмами без непосредственного участия человека, в том числе и по заданной программе. Дуговая сварка под флюсом - дуговая сварка плавящимся электродом, при которой используются один или несколько проволочных электродов, а так же гранулированный флюс, который подается и плавится, полностью закрывая дугу. Электродная проволока - сварочная проволока для использования в качестве плавящегося электрода. Сварочный флюс - материал, используемый при сварке для химической очистки соединяемых поверхностей и улучшении качества шва. Флюс для дуговой сварки - сварочный флюс, защищающий дугу и сварочную ванну от вредного воздействия окружающей среды и осуществляющий металлургическую обработку ванны. Дуговая сварка под флюсом проволочным электродом - дуговая сварка под флюсом, при которой используют только один проволочный электрод. Дуговая сварка под флюсом может быть автоматической и механизированной. Механизированная дуговая сварка - дуговая сварка, при которой подача плавящегося электрода или присадочного металла, или относительное перемещение дуги и изделия выполняются с помощью механизмов. |
| Схема дуговой сварки под флюсом проволочным электродом. |
| При дуговой сварке под флюсом проволочным электродом источником теплоты является сварочная дуга 1. Для сварки используют непокрытую электродную проволоку и флюс, который защищает дугу, сварочную ванну и сварной шов от влияния атмосферы. Сварочная дуга 1 горит между свариваемыми заготовками 2 (основной металл) и концом электродной проволоки 3 (электродный металл). Сварочный ток к проволоке подводится через скользящий токоподвод 4 по электрической цепи 11 от источника переменного (~) или постоянного (–) тока 13 при замыкании контактора 12. Зона сварки закрыта высыпающимся из бункера 9 мелкозернистым флюсом 14, образующим на поверхности свариваемого металла слой толщиной 30…80 мм и шириной 40…100 мм. Под влиянием теплоты дуги электродная проволока плавится и по мере расплавления подаётся в зону сварки из кассеты 5 роликами 10 подающего механизма с постоянной скоростью Vпп . Кроме того, дуга расплавляет основной металл и часть флюса, находящегося в зоне дуги. В области горения дуги образуется полость 6, изолированная от окружающей среды. Капли расплавленной электродной проволоки, расплавленный основной металл и расплавленный флюс (жидкий шлак) смешиваются и образуют сварочную ванну 8. Расплавленный флюс 7 вследствие значительно меньшей плотности всплывает на поверхность расплавленного металла и покрывает его плотным слоем. Электродная проволока вместе с дугой перемещается в направлении сварки (Vсв). Капли плавящейся электродной проволоки и жидкий металл сварочной ванны под силовым воздействием дуги отталкиваются в сторону, противоположную движению дуги. По мере удаления дуги металл сварочной ванны начинает охлаждаться, а затем затвердевает, образуя сварной шов 15. Затвердевший шлак образует на поверхности шва шлаковую корку 16. После прекращения сварки и охлаждения металла шлаковая корка удаляется с поверхности шва. Нерасплавленный в процессе сварки избыточный флюс убирается и используется в дальнейшем при последующей сварке. |
Преимущества, недостатки, область применения.
| Преимущества. | Недостатки. |
| 1. Возможность использования больших сварочных токов (от 500 до 1500 А). Отсутствие покрытия позволяет приблизить токоподвод к торцу проволоки (на расстояние 40 – 60 мм от торца электродной проволоки), устраняя тем самым перегрев электрода даже при больших значениях сварочного тока. 2. Возрастание производительность процесса сварки в 10 – 15 раз. Высокая производительность достигается: использованием больших сварочных токов и, как следствие, увеличением коэффициента наплавки до 20…25 г/(А·ч); непрерывностью процесса сварки; более полным использованием теплоты дуги для сварки (до 95%). 3. Увеличение глубины проплавления в связи с повышением тепловой мощности и давления дуги вследствие использования больших сварочных токов. 4. Существенное снижение потерь на угар и разбрызгивание (потери не более 3%) в результате флюсовой защиты сварочной ванны. 5. Повышение качества сварных швов в результате применения флюса, обеспечивающего: защиту дуги и сварочной ванны от вредного воздействия окружающей среды; очищение металла шва от загрязнений; раскисление, легирование и рафинирование металла сварочной ванны; благоприятное формирование сварного шва. 6. Возможность механизации процесса сварки. 7. Не требуется защитных приспособлений от светового излучения дуги, т.к. дуга горит под слоем флюса. 8. Не требуется высокая квалификация сварщика. | 1. Значительный нагрев изделия в процессе сварки и, как следствие, большие сварочные деформации и напряжения. 2. Сварка только в нижнем положении (без специальных приспособлений максимальный наклон изделия до 15°) из-за повышенной текучести расплавленных металла и флюса. 3. Неэкономичность использования при сварке коротких швов протяженностью менее 250 мм. 4. Для предотвращения образования шлаковых включений в многопроходных швах необходимо очищать от шлака ранее сваренный шов перед укладкой последующего. 5. Невозможность непосредственного наблюдения за формированием сварного шва. |
| Область применения. Тяжелое транспортное, нефте-химико-энергетическое машиностроение. В строительстве монтажная сварка при возведении мостов, листовая сварка резервуаров, листовая сварка в судостроении. Тип производства–массовое. | |
3. Сварка в среде защитных газов
















