Uchebnoe_posobie_dlya_vypolenia_DZ_po_TK M_Misha_15_04_2014 (769665), страница 9
Текст из файла (страница 9)
3.Разработка чертежа элементов литейной формы
Уточнение чертежа детали.
Так как на чертеже детали не указана точность ее изготовления, то точность заготовок назначаем исходя из способа изготовления отливки.
Литье в песчаные формы обеспечивает изготовление отливок, которые соответствуют 7..13-му классу точности. В условиях массового производства литьем в песчаные формы можно обеспечить 7 класс точности.
Выбор расположения модели и отливки в литейной форме
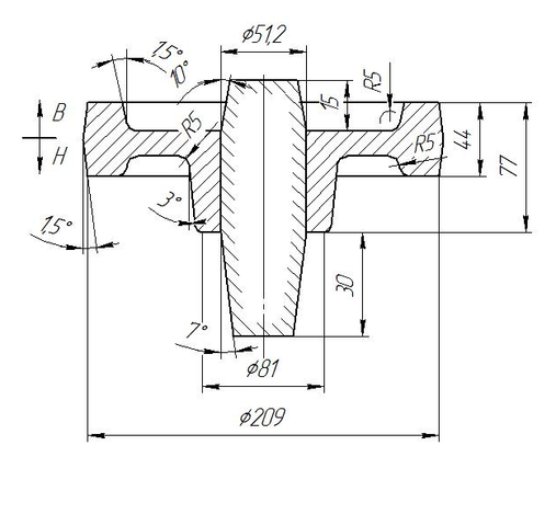
Так как заготовка – симметричное тело вращения высотой 73 мм и наибольшим диаметром 205 мм, то модель следует расположить горизонтально.
Расчет припуска на механическую обработку
Уточняем класс точности и ряд припуска на механическую обработку: 4-ый класс точности, первый ряд допуска.
Выбираем допуски линейных размеров для выбранного класса точности. В качестве номинального размера принимаем наибольший габаритный размер отливки, равный 205 мм.
| Обрабатываемая поверхность | Допуск размера, мм | Припуск на механическую обработку (на сторону), мм |
| D 54 | 0.125 | 1.4 |
| D 205 | 0.32 | 2.0 |
Выбор величины формовочных уклонов.
Высота формообразующей поверхности (т.п. 7), перпендикулярной плоскости разъема равна:
В соответствии с высотой наружной формообразующей высоты h=20 мм, β = 3º, h=40 мм, β = 1.5º.
Расчет закруглений между пересекающимися поверхностями.
Радиус скругления между конусами:
R=1/3*(25+48)/2=6.08 мм, т.е. принимаем R=5 мм
Радиус скругления между цилиндром и конусом
R=1/5*(54+48)/2=5.1 мм, т.е. принимаем R=5 мм
Остальные радиусы скругления 5 мм.
Выбор припуска на усадку
При литье в разовые формы (песчаные и оболочковые) припуск на усадку можно принять равной величине свободной литейной усадке сплава Epsл. Для чугуна величина свободной литейной усадки Epsл =1%. По полученным чертежам элементов литейных форм можно изготавливать литейно-модельную оснастку (металлические модельные плиты).
Подсчет коэффициентов КВГ, КВТ, КИМ
Mдетали= 9.1кг
Мотливки = 1,1Мдетали = 10.01 кг.
КВГ = 0,75 – принимаем для ВЧ60
Миспользованного в отливке металла= Мотливки/ КВГ= 10.01 / 0,75=13.34 кг
КВТ = Мдетали/М отливки = 9.1/10.01 = 0,91
КИМ = КВГ*КВТ = 0,75*0,91 = 0,683
Рис. 3.5. Эскиз отливки ступицы.
4. Анализ технологичности конструкции отливки
| N | Признаки технологичности | Способ изготовления | ||
| Л | ОР | |||
| 1 | Хорошие литейные свойства | - | ||
| Распол. отлив. в форме | 2 | Расположение отливки в одной полуформе | - | |
| 3 | Плоский разъем формы | + | ||
| 4 | Минимальное количество разъемов формы | + | ||
| Требов. к наружн. поверх. Отливки | 5 | Отсутствие выступающих частей, мешающих извлечению модели (отливки) из формы | + | |
| 6 | Наличие конструктивных уклонов совпадающих с литейными | +/- | ||
| 7 | Отсутствие больших углублений на наружных поверхностях отливки | + | ||
| Требов. к внутр. поверх. Отливки | 8 | Минимальное количество стержней, применяемых при сборке формы. | + | |
| 9 | Удобство простановки и надежность крепления стержней в форме | + | ||
| 10 | Удобство вывода газов из стержней и удаление стержней из отливки | + | ||
| Треб. к констр. стенки отливки | 11 | Обеспечение минимально допустимой толщины стенок | + | |
| 12 | Отсутствие местных скоплений металла | + | ||
| 13 | Наличие оптимальных размеров скруглений между пересекающимися и сопрягаемыми стенками отливки | + | ||
| 14 | Отсутствие тонких горизонтальных поверхностей большой протяженности | + | ||
| 15 | Максимальный выход годного металла | 0.75 | ||
| Треб. к отливке подверг механ. обра- ботке | 16 | Хорошая обрабатываемость резанием | Kv=1+/- | Kv= 1.7 + |
| 17 | Максимальная весовая точность отливки (mдет/mотл) | 0.91 | 0.31 | |
| 18 | Расположение обрабатываемых поверхностей на одном уровне | + | + | |
| 19 | Возможность механической обработки отливки за один установ на станке | - | - | |
| 20 | Минимальная шероховатость отливки | - | - | |
| 21 | Минимальная длина обрабатываемых поверхностей отливки | + | - | |
| 22 | Минимальная величина дефектного слоя на поверхности заготовки | - | + | |
| 23 | Низкий уровень внутренних напряжений в заготовке | + | + | |
| 24 | Равномерная высокая жесткость конструкции | + | + | |
| 25 | Возможность контроля качества | + | + | |
| 26 | Максимальный коэффициент использования металла | 0.683 | 0.31 | |
5. Вывод
Сравнивая коэффициент использования материала для двух различных способов получения одной и той же детали, приходим к выводу, что литье в песчаную форму, является экономически и технологически более целесообразным в условиях массового производства. Т.к. его КИМ=0.683 (кроме того, часть материала ушедшая в прибыль подвергается переплавке и вновь используется в производственном процессе), а КИМ детали, полученной механической обработкой гораздо меньше, 0.31. Кроме того, хочется заметить, что для данной задачи, в условиях низкой ответственности и механической нагруженности детали литая структура является более приемлемой.
Глава 4. Проектирование и изготовление сварной заготовки
Конструкция, форма, размеры или марка материала некоторых деталей машин не всегда позволяют изготовить их только одним технологическим методом, например, литьем, штамповкой или с использованием продукции прокатного производства. В этом случае целесообразно применять комплексную технологию, включающую два и более метода получения заготовки (например, литье и сварка или штамповка и сварка).
Обычно 70 – 80% сварных соединений при производстве машиностроительной продукции получают с использованием способов сварки плавлением. В связи с этим рассмотрим технологический процесс проектирования заготовки на примере сварки плавлением соединяемых элементов.
4.1. Последовательность проектирования сварных заготовок
При проектировании изделий учитывают требования к эксплуатации к эксплуатационным характеристикам сварных конструкций и их технологичности. На стадии конструирования изделия необходимо определить принципиальную возможность получения сварной заготовки. Затем устанавливают марку материала и технологию изготовления соединяемых элементов, вид сварки, тип сварных соединений и форму швов, а также последовательность сборочно-сварочных операций и оценивают ожидаемые сварочные деформации (коробления).
Рациональный вид сварки выбирают с учетом конструкторско-технологических признаков изделия, технико-экономических показателей процесса сварки и программы выпуска сварных конструкций. Одновременно с выбором вида сварки обычно назначают тип сварного соединения.
После этого заготовки разделяют на свариваемые элементы, место соединения которых выбирают с учетом двух обстоятельств. С одной стороны, в результате деления должны образовываться элементы (исходные заготовки), которые могут быть получены из профилей или технологичных поковок или отливок. С другой стороны, зона сварки должна быть удобна для сварочного инструмента, флюса, защитного газа и присадочного материала.
Проектирование свариваемых элементов выполняют на следующем этапе. Если исходными заготовками являются отливками или поковками, то их проектируют в соответствии с указаниями, приведенными в главах 2 и 3. В случае если исходная заготовка – профиль, проектирование сводится к выбору его оптимальных размеров и назначению разделки кромок в соответствии с типом сварного соединения.
4.2. Технологичность сварных заготовок
Технологичность сварных заготовок обеспечивается выбором марки материала, вида сварки, типа соединения, форм и размеров свариваемых элементов, формы разделки кромок и вида швов.
4.2.1. Выбор марки материала заготовок
















