tkm_2_1_-_kopia (769673)
Текст из файла
Московский ордена Ленина, ордена Октябрьской Революции и ордена Трудового Красного Знамени государственный технический университет
имени Н.Э. Баумана
Домашнее задание №1
по дисциплине «Технология конструкционных материалов»
«Проектирование детали «Колесо зубчатое » и разработка технологии изготовления
механической обработкой резанием профиля»
Студент: Бычков Г.А.
Группа: СМ 10 - 31
Преподаватель: Третьяков А.Ф.
| Вариант | Д.З. | Сдано | Проверил | Исправил | Зачёт |
| Вариант 13 | №1 |
2015 г
| Содержание: | |
| 6 |
| 6 |
| 7 |
| 12 |
на токарно-винторезном станке. | 12 |
| 13 |
| 14 |
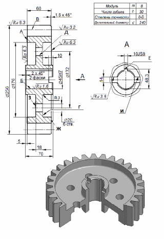
Рис. Чертеж проектируемой детали без указания марки материала и технологии изготовления
Матрица факторов.
Деталь работает в кпп автомобиля. Соединяется с зубчатыми колесами. Предел температуры – 60 оС. Предел прочности – 400 Мпа.
Выбор заготовки: заготовка сортовой прокат, профиль круглого сечения; диаметр заготовки 260 мм; длина
= 75 мм. ГОСТ 2590-88.
Последовательность проектировки и изготовления детали:
-
1. Анализ исходных данных детали
-
Тип детали: тело вращения с соотношением 70/256 , что соответствует жесткой конструкции. Деталь включает поверхности: торцовые наружные цилиндрические, отверстия, фаски, шпоночный паз и зубья.
-
Материал – сталь 30, низкоуглеродистая имеет хорошую обрабатываемость резанием.
-
Условия эксплуатации: неагрессивная среда, средние статические нагрузки.
-
Степень ответственности: неответственная деталь.
Поверхность А – торцовая, шероховатость Ra не более 6,3 мкм;
Поверхность Б – цилиндрическая внутренняя, шероховатость Ra не более 1,6мкм;
Поверхность В – зубчатая, шероховатость Ra не более 3,2мкм;
Поверхность Г - торцовая, шероховатость Ra не более 6,3 мкм;
Поверхность Д – цилиндрическая внутренняя, шероховатость Ra не более 12,5мкм.
Поверхность Е – шпоночный паз, шероховатость Ra не более 0,4 мкм;
Поверхность Ж - торцовая, шероховатость Ra не более 6,3 мкм;
Поверхность З - торцовая, шероховатость Ra не более 6,3 мкм;
Поверхность И - паз, шероховатость Ra не более 6,3 мкм;
-
Выбор вида механической обработки резанием.
Поверхность А – точение черновое (Ra 80…6,3 мкм, квалитет ISO 14…10);
Поверхность Б – растачивание чистовое (Ra 3,2 …1,6 мкм, квалитет ISO 10…8);
Поверхность В – точение получистовое (Ra 20…1,6; квалитет ISO 13…11);
Поверхность Г – точение черновое (Ra 80…6,3 мкм, квалитет ISO 14…10);
Поверхность Д – сверление (Ra 20…12,5 мкм, квалитет ISO 14…10)
Поверхность Е – протягивание чистовое (Ra 0.8 …0.4 мкм, квалитет ISO 9…7);
Поверхность Ж – точение черновое (Ra 80…6,3 мкм, квалитет ISO 14…10);
Поверхность З – точение черновое (Ra 80…6,3 мкм, квалитет ISO 14…10);
Поверхность И – фрезерование черновое (Ra 20 …6.3 мкм, квалитет ISO 14…10);
3. Условия технической реализации обработки поверхностей.
Поверхности А, Г, З и Ж:
-
Вид обработки – точение черновое
-
Оборудование – токарно-винторезный станок, т.к. производство единичное, габариты детали средние.
-
Режущий инструмент – токарный проходной упорный резец.
-
Способ установки заготовки – в трехкулачковом самоцентрирующем патроне, т.к. конструкция детали жесткая.
-
Способ установки инструмента – в четырехпозиционном поворотном резцедержателе.
Поверхность Б:
-
Вид обработки – растачивание чистовое
-
Оборудование – токарно-винторезный станок
-
Режущий инструмент – токарный расточной резец
-
Способ установки заготовки – в трехкулачковом самоцентрирующем патроне
-
Способ установки инструмента – в четырехпозиционном поворотном резцедержателе; перед чистовым растачиванием выполняют сверление, рассверливание, черновое растачивание
Поверхность В:
-
Вид обработки – зубофрезерование
-
Оборудование – зубофрезерный станок
-
Режущий инструмент – червячная модульная фреза
-
Способ установки заготовки – в трехкулачковом самоцентрирующем патроне с механическим устройством зажима
-
Способ установки инструмента – на оправке фрезерной головке
Поверхность Д:
-
Вид обработки – сверление
-
Оборудование – вертикально-сверлильный станок
-
Режущий инструмент – сверло
-
Способ установки заготовки – машинные тиски
-
Способ установки инструмента – патрон
Поверхность Е:
-
Вид обработки – протяжка
-
Оборудование – вертикально-протяжной станок
-
Режущий инструмент – протяжка
-
Способ установки заготовки – машинные тиски
-
Способ установки инструмента – патрон
Поверхность И:
-
Вид обработки – фрезерование
-
Оборудование – горизонтально-фрезерный станок
-
Режущий инструмент – концевая фреза
-
Способ установки заготовки – машинные тиски
-
Способ установки инструмента – патрон
Эскиз заготовки
4. Условия технической реализации обработки поверхностей
Поверхность А
-
Вид обработки – чистовое точение (подрезание торцов заготовки).
-
Оборудование – токарно-винторезный станок, т.к. производство единичное
-
Режущий инструмент - подрезной торцовый резец.
-
Установить заготовку в 3-х кулачковом самоцентрирующем патроне, т.к. конструкция жёсткая.
Поверхность Б.
-
Вид обработки – сверление
-
Оборудование - токарно-винторезный станок..
-
Режущий инструмент – сверло
-
Установить заготовку в 3-х кулачковом самоцентрирующем патроне, т.к. конструкция жёсткая.
Поверхность Б.
-
Вид обработки – растачивание чистовое
-
Оборудование - токарно-винторезный станок, т.к. производство единичное.
-
Режущий инструмент – токарный расточной проходной резец для обработки сквозных отверстий.
-
Установить заготовку в 3-х кулачковом самоцентрирующем патроне, т.к. конструкция жёсткая.
-
Оценка технологичности конструкции детали
Учитывая типовые правила проектирования деталей машин, а также условия обработки поверхностей проектируемой детали, предлагаются следующие рекомендации по улучшению технологичности конструкции:
-
Для изготовления детали целесообразно использовать сталь 30, которая имеет высокий коэффициент относительной обрабатываемости (K=1. 5);
-
Для облегчения сборки необходимо предусмотреть фаски на концах цилиндрических поверхностей.
-
Для упрощения изготовления детали вместо 6 отверстий для уменьшения веса целесообразно уменьшить толщину.
6.Последовательность механической обработки заготовки из сортового проката круглого поперечного сечения.
Токарно-винторезный станок.
Установ 1.
1)Установить заготовку в трехкулачковом самоцентрирующемся патроне по поверхности “В”
2)Подрезать торцевую поверхность “А”
3) точить поверхность ”З”. Инструмент: подрезной торцовый резец.
4)Сверлить отверстие ”Б”. Инструмент: сверло.
5) 4)Расточить отверстие ”Б”. Инструмент: токарный расточной проходной резец для обработки сквозных отверстий.
6)Снять фаски на поверхности В.
Установ 2.
1)Развернуть заготовку на 180 градусов.
2)Подрезать торцевую поверхность ”Ж”.
3) точить поверхность ”Г”. Инструмент: подрезной торцовый резец.
4)Снять фаски на поверхности В.
Зубофрезерный станок.
-
Установить заготовку в машинных тисках по поверхности “В”.
-
Нарезать зубья. Инструмент: червячная модульная фреза
Горизонтально-протяжной станок.
-
Установить заготовку в машинных тисках по поверхности “В”.
-
Произвести обработку шпоночного паза ”Е” протягиванием. Инструмент: протяжка.
Горизонтально-фпезерный станок.
1) Установить заготовку в машинных тисках по поверхности “В”.
2) Произвести обработку паза ”И” фрезерованием. Инструмент: концевая фреза.
7. Анализ технологичности конструкции детали
| № | Признаки технологичности | Оценка |
| 1 | Хорошая обрабатываемость резанием материала заготовки (максимальная величина коэффициента относительной обрабатываемости) | K = 1.5 (отн. Стали 45 ) + |
| 2 | Максимальная весовая точность заготовки (mд/ mз) | 0.5 - |
| 3 | Низкий уровень напряжений в заготовке | + |
| 4 | Унификация размеров и форм обрабатываемых элементов заготовки для сокращения номенклатуры используемого инструмента | + |
| 5 | Геометрическая форма и соотношение размеров заготовки, обеспечивающие возможность использования высокопроизводительной обработки | + |
| 6 | Обработка заготовок на проход для повышения производительности, получения высокой точности и малой шероховатости обрабатываемых поверхностей | + |
| 7 | Геометрическая форма обрабатываемых поверхностей, обеспечивающая равномерную и безударную работу инструмента | + |
| 8 | Свободный подход и сквозной проход режущего инструмента при обработке поверхностей заготовки | + |
| 9 | Обработка точных, соосных и параллельных отверстий с одного установа | + |
| 10 | Диаметральные размеры валов и отверстий расположены в возрастающей (убывающей) последовательности | + |
| 11 | Четкое разделение поверхностей заготовки, обрабатываемых на различных технологических операциях, разным инструментом и с различной степенью точности | + |
| 12 | Расположение обрабатываемых поверхностей в одной плоскости для обеспечения формоизменения заготовки с одного установа | - |
| 13 | Отсутствие одностороннего давления на осевой инструмент при обработке заготовки | + |
| 14 | Высокая и равномерная жесткость обрабатываемых участков заготовки и снятия фасок | + |
| 15 | Скругления, притупление острых граней на обрабатываемых участках заготовки и снятия фасок | + |
8. Вывод
Характеристики
Тип файла документ
Документы такого типа открываются такими программами, как Microsoft Office Word на компьютерах Windows, Apple Pages на компьютерах Mac, Open Office - бесплатная альтернатива на различных платформах, в том числе Linux. Наиболее простым и современным решением будут Google документы, так как открываются онлайн без скачивания прямо в браузере на любой платформе. Существуют российские качественные аналоги, например от Яндекса.
Будьте внимательны на мобильных устройствах, так как там используются упрощённый функционал даже в официальном приложении от Microsoft, поэтому для просмотра скачивайте PDF-версию. А если нужно редактировать файл, то используйте оригинальный файл.
Файлы такого типа обычно разбиты на страницы, а текст может быть форматированным (жирный, курсив, выбор шрифта, таблицы и т.п.), а также в него можно добавлять изображения. Формат идеально подходит для рефератов, докладов и РПЗ курсовых проектов, которые необходимо распечатать. Кстати перед печатью также сохраняйте файл в PDF, так как принтер может начудить со шрифтами.
















