Uchebnoe_posobie_po_vypolneniyu_domashne go_zadania_po_TKM_razdel_obrabotka_rezan iem_profilya (769667)
Текст из файла
Рассмотрим пример проектирования детали (рис 1.1), изготовляемой различными методами: механическая обработка резанием профилей, получение поковки, отливки, сварной заготовки и их последующей механической обработкой резанием.
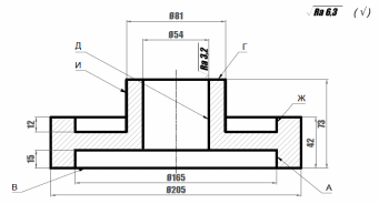
Рис. 1.1 Эскиз проектируемой детали (ступица)
Обозначим поверхности с заданной шероховатостью, которые нужно обработать, для упрощения пояснений в тексте.
Г
Начало
лава 1. Проектирование деталей, изготовляемых механической обработкой резанием профилей.
1. Исходный чертеж проектируемой детали
2. Исходные данные детали: конфигурация, габаритные размеры, марка материала, тип производства, условия эксплуатации, степень ответственности.
3. Характеристика поверхностей детали: вид, размеры, шероховатость, квалитет размера, точность формы и расположения
4. Типо-размер профиля.
5. Выбор последовательности механический обработки резанием поверхностей заготовки.
6. Анализ технологичности конструкции детали.
7. Выбор видов механической обработки резанием.
8. Условия технической реализации обработки поверхностей с учетом выбраной последовательности.
9. Чертеж детали.
Конец
Рис. 1.2 Алгоритм выполнения задания
-
Эскиз проектируемой детали - ступица (рис. 1.1)
-
Анализ исходных данных детали, приведенной на рис. 1.1
-
Тип детали: тело вращения с соотношением l/d = 73/81 < 1, что соответствует жесткой конструкции. Деталь включает поверхности: торцовые, наружные цилиндрические, отверстия, фаски.
-
Материал - сталь 25, низкоуглеродистая имеет хорошую обрабатываемость резанием.
-
Условия эксплуатации: агрессивная коррозионная среда, небольшие статистические нагрузки.
-
Степень ответственности: неответственная деталь.
-
Характеристика поверхностей детали.
Поверхность А - внутренняя цилиндрическая, шероховатость Ra не более 6,3 мкм;
Поверхность Б - цилиндрическая наружная, шероховатость Ra не более 3,2 мкм;
Поверхность В - наружная торцовая, шероховатость Ra не более 6,3 мкм;
Поверхность Г - наружная торцовая, шероховатость Ra не более 6,3 мкм;
Поверхность Д - внутренняя цилиндрическая, шероховатость Ra не более 1,25 мкм;
Поверхность Е - наружная торцовая, шероховатость Ra не более 6,3 мкм;
Поверхность Ж - внутренняя цилиндрическая, шероховатость Ra не более 12,5 мкм;
Поверхность З - внутренняя фаска, шероховатость Ra не более 12,5 мкм;
Поверхность И - наружная цилиндрическая, шероховатость Ra не более 12,5 мкм;
Поверхность К - внутренняя фаска, шероховатость Ra не более 12,5 мкм;
Поверхность Л - внутренняя фаска, шероховатость Ra не более 12,5 мкм;
Поверхность М - внутренняя фаска, шероховатость Ra не более 12,5 мкм;
-
Выбор заготовки.
Заготовка сортовой прокат, профиль круглого сечения; диаметр заготовки -210 мм, длина l = 80мм. ГОСТ 2590-88.
D 210
Рис. 1.3
5. Последовательность механической обработки заготовки из сортового проката круглого поперечного сечения на токарно-винторезном станке.
Установ 1.
-
Установить заготовку в трехкулачковый самоцентрирующий патрон по поверхности "Б";
2. Подрезать торцовую поверхность "Г";
Инструмент: токарный проходной отогнутый резец (рис. 1.4);
3. Сверлить, рассверлить отверстие "Д" до диаметра d = 53 мм.
Инструмент: спиральные сверла (рис 1.5);
4. Обточить наружную цилиндрическую поверхность "И" до диаметра d = 81 мм и подрезать торцовую поверхность "Е".
Инструмент: токарный проходной упорный резец (рис. 1.6);
5. Точить торцовую канавку на поверхности "Е" на глубину 12 мм.
Инструмент: токарный прорезной резец (рис. 1.7);
6. Расточить отверстие "Ж" диаметром d = 165 мм на глубину 15 мм.
Инструмент: токарный проходной упорный резец (рис. 1.8);
7. Снять фаску "Л" на поверхности диаметром d = 81 мм.
Инструмент: токарный проходной отогнутый резец (рис. 1.9);
Установ 2.
8. Установить заготовку в трехкулачковый самоцентрирующий патрон по поверхности "И" диаметром 81 мм.
9. Подрезать торцовую поверхность "В", выдержав размер 73 мм.
Инструмент: токарный проходной отогнутый резец (рис. 1.10);
10. Расточить отверстие "А" диаметром d = 165 мм на глубину 15 мм.
Инструмент: токарный проходной упорный резец (рис. 1.11);
11. Расточить отверстие "Д" диаметром d = 54 мм.
Инструмент: токарный расточной резец для обработки сквозных отверстий (рис. 1.12);
12. Снять фаску "М" в отверстии диаметром 54 мм. Инструмент: токарный расточной резец для обработки сквозных отверстий (рис. 1.13);
13. Обточить наружную цилиндрическую поверхность "Б" диаметром d = 205 мм.
Инструмент: токарный проходной упорный резец (рис. 1.14);
14. Снять последовательно фаски "К" в отверстии диаметром d = 54 мм и "З" в отверстии диаметром d = 165 мм.
Инструмент: токарный проходной отогнутый резец (1.15);
6. Анализ технологичности конструкции детали
| № | Признаки технологичности | Оценка | |
| 1 | Хорошая обрабатываемость резанием материала заготовки (максимальная величина коэффициента относительной обрабатываемости) | К = 1.7 (отн. Стали 45) + | |
| 2 | Максимальная весовая точность заготовки | 0.31 | |
| 3 | Низкий уровень напряжений в заготовке | + (отжиг) | |
| 4 | Унификация размеров и форм обрабатываемых элементов заготовки для сокращения номенклатуры используемого инструмента | + | |
| 5 | Геометрическая форма и соотношение размеров заготовки, обеспечивающие возможность использования высокопроизводительной обработки | + | |
| 6 | Обработка заготовок на проход для повышения производительности, получения высокой точности и малой шероховатости обрабатываемых поверхностей | + | |
| 7 | Геометрическая форма обрабатываемых поверхностей, обеспечивающая равномерную и безударную работу инструмента | + | |
| 8 | Свободный подход и сквозной проход режущего инструмента при обработке поверхностей заготовки | - | |
| 9 | Обработка точных, соосных и параллельных отверстий с одного установа | + | |
| 10 | Диаметральные размеры валов и отверстий расположены в возрастающей (убывающей) последовательности | + | |
| 11 | Четкое разделение поверхностей заготовки, обрабатываемых на различных технологических операциях, разным инструментом и с различной степенью точности | + | |
| 12 | Расположение обрабатываемых поверхностей в одной плоскости для обеспечения формоизменения заготовки с одного установа | - | |
| 13 | Отсутствие одностороннего давления на осевой инструмент при обработке заготовки | + | |
| 14 | Высокая и равномерная жесткость обрабатываемых участков заготовки и снятия фасок | + | |
| 15 | Скругления, притупление острых граней на обрабатываемых участках заготовки и снятия фасок | + | |
| 16 | Наличие фасок, облегчающих сборочные операции | - | |
| 17 | Отсутствие сложных поверхностей | - | |
Вывод
Анализ технологичности конструкции детали, приведенной в таблице в пункте 6, показал, что изделие обладает низкой технологичностью, так как при изготовлении значительное количество металла удаляется в стружку (КИМ = 0,31).
7. Выбор вида механической обработки резанием.
Поверхность А - растачивание черновое (Ra 10...3,2 мкм; квалитет размера ISO 14...10);
Поверхность Б - точение получистовое (Ra 20...1,6 мкм; квалитет размера ISO 13...11);
Поверхность В - точение получистовое (Ra 20...1,6 мкм; квалитет размера ISO 13...11);
Поверхность Г - точение получистовое (Ra 20...1,6 мкм; квалитет размера ISO 13...11);
Характеристики
Тип файла документ
Документы такого типа открываются такими программами, как Microsoft Office Word на компьютерах Windows, Apple Pages на компьютерах Mac, Open Office - бесплатная альтернатива на различных платформах, в том числе Linux. Наиболее простым и современным решением будут Google документы, так как открываются онлайн без скачивания прямо в браузере на любой платформе. Существуют российские качественные аналоги, например от Яндекса.
Будьте внимательны на мобильных устройствах, так как там используются упрощённый функционал даже в официальном приложении от Microsoft, поэтому для просмотра скачивайте PDF-версию. А если нужно редактировать файл, то используйте оригинальный файл.
Файлы такого типа обычно разбиты на страницы, а текст может быть форматированным (жирный, курсив, выбор шрифта, таблицы и т.п.), а также в него можно добавлять изображения. Формат идеально подходит для рефератов, докладов и РПЗ курсовых проектов, которые необходимо распечатать. Кстати перед печатью также сохраняйте файл в PDF, так как принтер может начудить со шрифтами.
















