Rubezhny_kontrol_3 (769657)
Текст из файла
Рубежный контроль №3 в виде тестирования по дисциплине ТКМ (РК3)
-
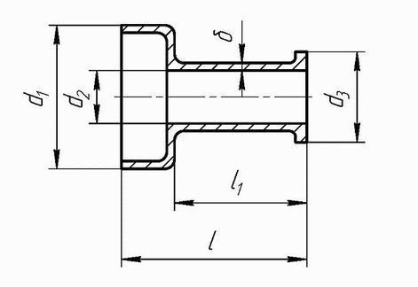
Каким видом обработки давления наиболее рационально получать заготовку, изображенную на рисунке?
Материал: сталь 10
Программа: 10 штук
в год
a) + ковкой;
b) холодной объемной штамповкой;
c) горячей объемной штамповкой;
d) прессованием.
-
При каком виде обработки давлением сила трения является полезной?
-
при волочения;
-
при штамповке;
-
+при прокатке;
-
при прессовании
-
Какие заготовки и инструмент необходимо использовать при изготовлении поковки массой 10 кг из стали 40Х при годовой программе 10 штук?
-
слиток металла, бойки;
-
прокатный пруток, штамп;
-
прокатный пруток, матрица для прессования;
-
+прокатный пруток, бойки.
4. Как изменяется деформируемость сталей с увеличением содержания в них углерода?
-
пластичность и сопротивление деформированию увеличиваются;
-
пластичность увеличивается, сопротивление деформированию уменьшается;
-
+пластичность уменьшается, сопротивление деформированию увеличивается;
d) нет правильного ответа
5. Каким из перечисленных видов обработки давлением возможно получение профилей наиболее сложной конфигурации?
-
прокаткой;
-
+прессованием;
-
волочением;
-
нет правильного ответа
-
Какая из изображенных поковок является более технологичной при изготовлении ее ковкой?
I II
Более технологичной является:
a) поковка I-т.к. при ее изготовлении потребуется меньший расход металла;
b) поковка II-т.к. при ее изготовлении потребуется меньшее количество операций;
c) + поковка II- т.к. у нее отсутствует коническая поверхность;
d) технологичность поковок одинакова.
7. При получении винта холодной высадкой из стального прутка твердость головки и стержня винта будет:
-
больше в стержне винта;
-
+ больше в головке винта;
-
одинаковой;
-
нельзя получить винт
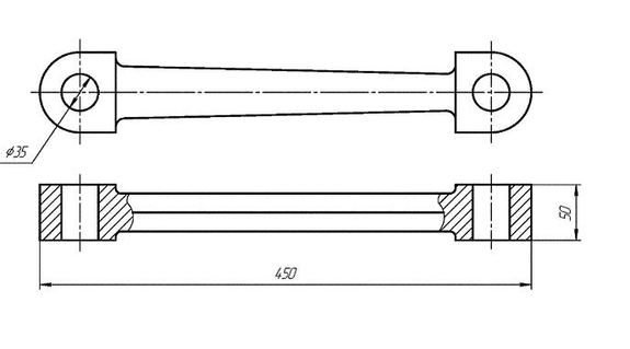
8. Каким видом обработки давления будет получена поковка для изготовления рычага, изображенного на рисунке?
материал: сталь 20;
программа 106 штук в год
a) ковкой;
b)+ горячей объемной штамповкой;
c) прессованием;
d) листовой штамповкой
9. Каким видом обработки металлов давлением будет получено изделие, изображенное на рисунке?
материал: сталь 10;
программа: 106 штук в год
-
прессованием;
-
горячей объемной штамповкой;
-
холодной объемной штамповкой;
-
+листовой штамповкой
10. Какая деформация называется холодной?
-
протекающая при температурах выше 200С;
-
Протекающая при температурах ниже 200С;
-
+ сопровождаемая явлением наклепа;
-
сопровождаемая явлением рекристаллизации.
11. Какой фактор является ограничивающим при выборе максимальной температуры нагрева заготовки для горячей обработкой давлением?
a) опасность сильного нагрева деформирующего инструмента;
b) + опасность возникновения перегрева и пережога металла;
c) опасность возникновения в заготовке внутренних трещин;
d) нет правильного ответа
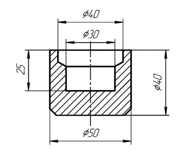
12. Каким видом обработки давлением будет изготовлена гильза, изображенная на рисунке?
материал: латунь
программа: 106 штук в год
-
горячей объемной штамповкой;
-
+ листовой штамповкой;
-
прессованием;
-
холодной объемной штамповкой.
13.Какая деформация называется горячей?
-
протекающая при температурах свыше 5000С;
-
сопровождаемая явлением рекристаллизации;
-
сопровождаемая явлением наклепа;
-
+сопровождающаяся явлением наклепа и последующей рекристаллизацией
14. С какой целью нагревают металл перед обработкой давлением?
-
для снижения пластичности;
-
для снижения сопротивления деформированию;
-
для увеличения предела прочности;
-
+ для повышения пластичности, снижения сопротивления деформированию
15. Каким видом обработки давления изготавливают железнодорожные рельсы?
-
горячей объемной штамповкой;
-
+прокаткой;
-
волочением;
-
прессованием
16. Что является результатом рекристаллизации?
-
упрочнение металла с образованием деформированных зерен;
-
+снятие упрочнения с образованием мелкозернистой микроструктуры;
-
пережог металла, потеря пластичности;
-
нет правильного ответа.
17. Что называется степенью вытяжки в листовой штамповке?
-
отношение длины исходной заготовки к длине изделия;
-
отношение площади поперечного сечения исходной заготовки к площади сечения получаемого изделия;
-
+ отношения диаметра заготовки к диаметру получаемого изделия;
-
отношение толщины заготовки к толщине получаемого изделия.
18. Почему объемная штамповка в закрытом штампе предпочтительна перед объемной штамповкой в открытом штампе при изготовлении поковок из малопластичных сплавов?
-
из–за формы инструмента;
-
из-за схемы напряженного состояния;
-
из–за более высокой точности размеров исходной заготовки;
-
+все ответы правильные.
19.Каким видом обработки давления получают проволоку диаметром 0,5 мм?
-
прокаткой;
-
прессованием;
-
волочением;
-
+прокаткой с последующим волочением
20. Каким из перечисленных видов механической обработки давлением может быть получена заготовка изображенной детали?
Материал: Сталь 30ХГСА;
Программа: 10 штук в год
-
прокаткой;
-
прессованием;
-
+ ковкой;
-
объемной штамповкой
21.Какая из перечисленных сталей нагревается до наименьшей температуры перед горячей обработкой давлением?
-
сталь 10;
-
сталь 45;
-
сталь УIO;
-
+сталь У13
22. С какой целью при многократном волочении применяется промежуточный отжиг?
-
для измельчения структуры;
-
+ для снятия наклепа;
-
для уменьшения анизотропии;
-
для снижения коэффициента трения;
23. На каких поверхностях поковки, изготовленной горячей объемной штамповкой, назначаются большие по величине штамповочные уклоны?
a) на наружных;
b) +на внутренних;
c) величина уклонов одинакова;
d) уклоны отсутствуют.
24. В каком случае точность профиля будет выше?
-
полученного прокаткой;
-
полученного прессованием;
-
точность одинакова;
-
+ полученного прокаткой с последующим волочением
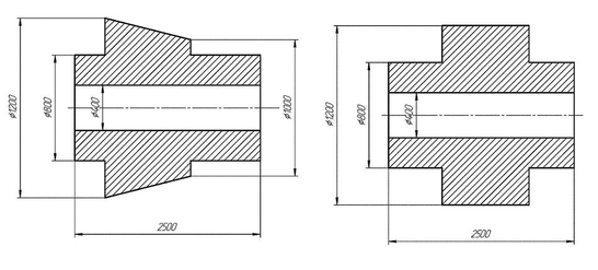
25. Каким видом обработки давлением получают заготовки валков прокатного стана массой 12т (см. рисунок)?
материал: сталь 55;
программа: 10 штук в год.
-
+ковкой;
-
прокаткой;
-
горячей объемной штамповкой;
-
нет правильного ответа
26. Каким методом (способом) целесообразно изготавливать заготовку крюка подъемного крана массой 15 кг в крупносерийном производстве?
-
ковкой;
-
одноручьевой горячей объемной штамповкой;
-
+ многоручьевой горячей объемной штамповкой;
-
одноручьевой холодной объемной штамповкой.
27. Каким из перечисленных видов обработки давлением может быть получено изображенное изделие с постоянным по длине поперечным сечением?
-
ковок;
-
прокаткой
-
+ прессованием;
-
объемной штамповкой
28. Каким видом обработки давлением получают заклепки, болты, винты, гвозди, гайки?
-
прокаткой;
-
волочением;
-
ковкой;
-
+объемной штамповкой.
29. Как называется операция листовой штамповки, при которой плоская заготовка превращается в полое изделие?
-
гибка;
-
обжим;
-
вырубка;
-
+вытяжка.
30. Верхняя граница температур окончания обработки металлов давлением обусловлена…
-
+образованием перегрева;
-
снижением прочности;
-
образованием пережога;
-
образованием наклепа.
31. Нижняя граница температур окончания обработки металлов давлением обусловлена…
-
образованием перегрева;
-
снижением прочности;
-
образованием пережога;
-
+образованием наклепа.
32. Что происходит с заготовкой при волочении в процессе обработки давлением?
-
выдавливание металла;
-
+протягивание металла;
-
ударное воздействие на металл;
-
обжатие металла.
33. Что называется высадкой при ковке?
-
+местное увеличение поперечного сечения при уменьшении высоты заготовки;
-
образование отверстия в заготовке;
-
уменьшение поперечного сечения при увеличении высоты заготовки;
-
гибка заготовки.
34. Особенностью открытого штампа при горячей объемной штамповке является наличие…
-
+облойной канавки;
-
наметки;
-
уступов на поверхности;
-
ручья.
35. Под «облоем» понимают…
-
металл в зоне будущего отверстия;
-
+ металл, вытекший из полости штампа;
-
наклепанный металл;
-
деформируемый металл.
36. Что называется напуском в поковке?
-
металл, срезаемый на обрезном прессе;
-
+объем металла на поверхности заготовки, предназначенный для облегчения условий ее изготовления;
-
недостаток металла;
-
наклепанный металл.
37. Какой фактор способствует повышению жидкотекучести сплавов?
-
снижение содержания углерода в чугуне;
-
+уменьшение интервала кристаллизации сплава;
-
понижение температуры заливки сплава в форму;
-
все указанные факторы.
38. Какой способ литья обеспечивает получение отливок с меньшей шероховатостью поверхности?
-
литье в кокиль;
-
+литье под давлением;
-
литье в оболочковые формы;
-
шероховатость поверхности отливок одинакова
39. Какую форму имеют графитовые включения в высокопрочном чугуне?
-
пластинчатую;
-
+ шаровидную;
-
хлопьевидную;
-
червеобразную извилистую.
40. Каким из указанных способов целесообразно изготовить отливку массой 2,1 кг с минимальной толщиной стенки = 5 мм из серого чугуна при годовой программе 100 шт.?
-
+ литьем в песчаные формы;
-
литьем по выплавляемым моделям;
-
литьем под давлением;
-
центробежным литьем
41. Почему конструкция литой заготовки на рис. 1 более технологична, чем на рис. 2?
Характеристики
Тип файла документ
Документы такого типа открываются такими программами, как Microsoft Office Word на компьютерах Windows, Apple Pages на компьютерах Mac, Open Office - бесплатная альтернатива на различных платформах, в том числе Linux. Наиболее простым и современным решением будут Google документы, так как открываются онлайн без скачивания прямо в браузере на любой платформе. Существуют российские качественные аналоги, например от Яндекса.
Будьте внимательны на мобильных устройствах, так как там используются упрощённый функционал даже в официальном приложении от Microsoft, поэтому для просмотра скачивайте PDF-версию. А если нужно редактировать файл, то используйте оригинальный файл.
Файлы такого типа обычно разбиты на страницы, а текст может быть форматированным (жирный, курсив, выбор шрифта, таблицы и т.п.), а также в него можно добавлять изображения. Формат идеально подходит для рефератов, докладов и РПЗ курсовых проектов, которые необходимо распечатать. Кстати перед печатью также сохраняйте файл в PDF, так как принтер может начудить со шрифтами.
















